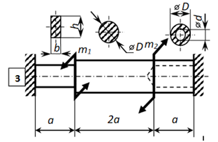
Для студентов по предмету Сопротивление материаловДля стального вала, работающего на кручение, подобрать размеры поперечного сечения исходя из условия его прочностиДля стального вала, работающего на кручение, подобрать размеры поперечного сечения исходя из условия его прочности
5,00542
2023-09-202023-09-20СтудИзба
Задача 4: Для стального вала, работающего на кручение, подобрать размеры поперечного сечения исходя из условия его прочности
Описание

Файлы условия, демо
Характеристики решённой задачи
Предмет
Номер задания
Вариант
Просмотров
4
Качество
Идеальное компьютерное
Размер
153,86 Kb
Список файлов
Задача 4 вар 37.docx
buldigerov























