Для студентов МГТУ им. Н.Э.Баумана по предмету Сопротивление материаловЗадача 4.1Задача 4.1
5,0051
2023-08-132025-02-12СтудИзба
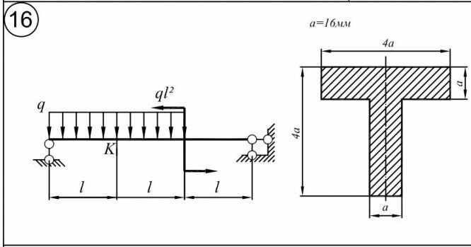
Задача 4.1 вариант 16
-61%
Описание
Вариант 16 - ДЗ №3 - Статически определимые балки - Задача 1
Зачтено на максимальный балл 💥 💥 💥
Спасибо за покупку 🥰🥰 🥰
![]()
Характеристики решённой задачи
Предмет
Учебное заведение
Семестр
Номер задания
Вариант
Теги
Просмотров
10
Качество
Фото рукописных листов
Размер
3,66 Mb
Список файлов
1.JPG
2.JPG
3.jpg
4.jpg
5.jpg
6.jpg
7.jpg

Друзья, спасибо за доверие! Если вам понравилась работа – поставьте 5⭐ и напишите отзыв. Это поможет другим студентам, а мне даст силы делать ещё больше качественных материалов для вас 🔥