Для студентов МГТУ им. Н.Э.Баумана по предмету Сопротивление материаловЗадача 4.1Задача 4.1
4,90547114
2023-08-122025-02-12СтудИзба
Задача 4.1 вариант 2
-61%
Описание
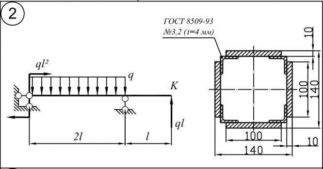
Вариант 2 - ДЗ №4 - Статически определимые балки - Задача 1
Зачтено на максимальный балл 💥 💥 💥
Спасибо за покупку 🥰🥰🥰


Характеристики решённой задачи
Предмет
Учебное заведение
Семестр
Номер задания
Вариант
Теги
Просмотров
7
Размер
3,53 Mb
Список файлов
1.JPG
3.JPG
5.jpg
6.jpg
7.jpg
8.jpg

Друзья, спасибо за доверие! Если вам понравилась работа – поставьте 5⭐ и напишите отзыв. Это поможет другим студентам, а мне даст силы делать ещё больше качественных материалов для вас 🔥