Для студентов МГТУ им. Н.Э.Баумана по предмету Сопротивление материаловЗадача 2.1Задача 2.1
4,97514418
2023-08-102024-09-04СтудИзба
Вариант 7 - Растяжение-Сжатие - Задача 2.1
Задача 2.1 вариант 7
-47%
Описание
Типовой расчет по сопротивлению материалов №2 "Растяжение-сжатие", задача № ХХХХХ, зачтено
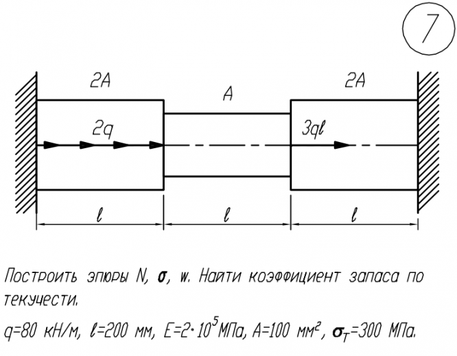
Условие:
Решение:
Показать/скрыть дополнительное описание
Условие:


Типовой расчет по сопротивлению материалов МГТУ 3 семестр домашнее задание кручение сжатие растяжение.
Характеристики решённой задачи
Предмет
Учебное заведение
Семестр
Номер задания
Вариант
Теги
Просмотров
7
Качество
Идеальное компьютерное
Размер
128,9 Kb
Список файлов
Вариант 7 Раст-Сжат 1 51.pdf

Спасибо за покупку! Я буду очень рад, если поставишь справедливую оценку купленному файлу :3 Ищи больше работ в моём профиле, там много нужного тебе!