Для студентов МГТУ им. Н.Э.Баумана по предмету Сопротивление материаловЗадача 1.9Задача 1.9
4,97514425
2023-08-092024-09-04СтудИзба
Вариант 5 - Построение эпюр внутренних силовых факторов - Задача 9
Задача 1.9 вариант 5
-60%
Описание
Типовой расчет по сопротивлению материалов №1 "Построение эпюр внутренних силовых факторов", задача № 9, зачтено
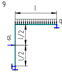
Условие:
Решение:
Показать/скрыть дополнительное описание
Условие:


Типовой расчет по сопротивлению материалов МГТУ 3 семестр домашнее задание кручение сжатие растяжение.
Характеристики решённой задачи
Предмет
Учебное заведение
Семестр
Номер задания
Вариант
Теги
Просмотров
1
Качество
Фото рукописных листов
Размер
472 Kb
Список файлов
Вариант 5 Эпюра 9 40.png

Спасибо за покупку! Я буду очень рад, если поставишь справедливую оценку купленному файлу :3 Ищи больше работ в моём профиле, там много нужного тебе!