Для студентов МГТУ им. Н.Э.Баумана по предмету Сопротивление материаловЗадача 5.1Задача 5.1
5,0052
2022-04-142025-02-11СтудИзба
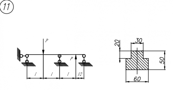
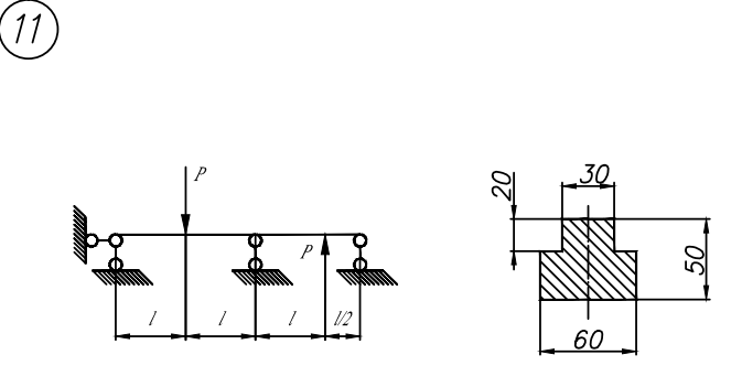
Задача 5.1 вариант 11
Описание
Характеристики решённой задачи
Предмет
Учебное заведение
Семестр
Номер задания
Вариант
Программы
Теги
Просмотров
42
Качество
Идеальное компьютерное
Размер
2,04 Mb
Список файлов
Вариант 4 СОЗИ 1, 2 102.pdf

Спасибо за покупку! Я буду очень рад, если поставишь справедливую оценку купленному файлу :3 Ищи больше работ в моём профиле, там много нужного тебе!