Для студентов МГТУ им. Н.Э.Баумана по предмету Сопротивление материаловЗадача 5.1Задача 5.1
5,0051
2022-03-112025-09-05СтудИзба
Задача 5.1 вариант 19
-76%
Описание
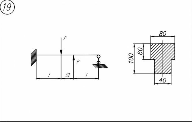
2022г Вариант 19 - ДЗ №1 - Статически неопределимые задачи изгиба - Задача 1
а) Раскрыть статическую неопределимость и построить эпюры Qy и Mx
б) Определить допускаемую нагрузку
в) Примерный вид упругой линии балки
![]()
Зачтено на максимальный балл
Произвести расчет балки при упругих деформацияха) Раскрыть статическую неопределимость и построить эпюры Qy и Mx
б) Определить допускаемую нагрузку
в) Примерный вид упругой линии балки



Характеристики решённой задачи
Предмет
Учебное заведение
Семестр
Номер задания
Вариант
Теги
Просмотров
26
Качество
Идеальное компьютерное
Размер
114,88 Kb
Список файлов
Задача 1 - Вариант 19.docx

Друзья, спасибо за доверие! Если вам понравилась работа – поставьте 5⭐ и напишите отзыв. Это поможет другим студентам, а мне даст силы делать ещё больше качественных материалов для вас 🔥