Для студентов МГТУ им. Н.Э.Баумана по предмету Сопротивление материаловЗадача 3Задача 3
5,0052
2021-11-272024-09-04СтудИзба
Вариант 9 - Кручение - Задача 2.3
Задача 3 вариант 9
-47%
Описание
Типовой расчет по сопротивлению материалов №2 "Кручение", задача № 2.3, зачтено
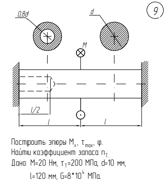
Условие:
Решение:
Показать/скрыть дополнительное описание
Условие:


Показать/скрыть дополнительное описание
Типовой расчет по сопротивлению материалов МГТУ 3 семестр домашнее задание кручение сжатие растяжение.
Характеристики решённой задачи
Предмет
Учебное заведение
Семестр
Номер задания
Вариант
Теги
Просмотров
36
Качество
Идеальное компьютерное
Размер
3,1 Mb
Список файлов
сопр вар 9.pdf

Спасибо за покупку! Я буду очень рад, если поставишь справедливую оценку купленному файлу :3 Ищи больше работ в моём профиле, там много нужного тебе!