Для студентов МГТУ им. Н.Э.Баумана по предмету Сопротивление материаловЗадача 4.2Задача 4.2
5,0052
2021-02-032024-09-04СтудИзба
Вариант 4 - Косой изгиб - Задача 4.2
Задача 4.2 вариант 4
-22%
Описание
Типовой расчет по сопротивлению материалов №3 "Статически определимые балки", задача № 4.2, зачтено
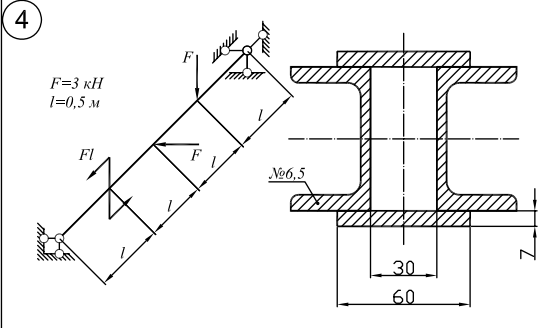
Условие:
Решение:
Показать/скрыть дополнительное описание
Условие:



Показать/скрыть дополнительное описание
Типовой расчет по сопротивлению материалов МГТУ 3 семестр домашнее задание кручение сжатие растяжение.
Характеристики решённой задачи
Предмет
Учебное заведение
Семестр
Номер задания
Вариант
Теги
Просмотров
44
Качество
Фото рукописных листов
Размер
2,82 Mb
Список файлов
zadacha_3_2.pdf

Спасибо за покупку! Я буду очень рад, если поставишь справедливую оценку купленному файлу :3 Ищи больше работ в моём профиле, там много нужного тебе!