Для студентов МГТУ им. Н.Э.Баумана по предмету Сопротивление материаловКручениеКручение
4,96529744
2025-09-012025-09-05СтудИзба
ДЗ 2: Кручение вариант 6
-47%
Описание
Нужна только одна задача из всех? - Нажимай на ссылку
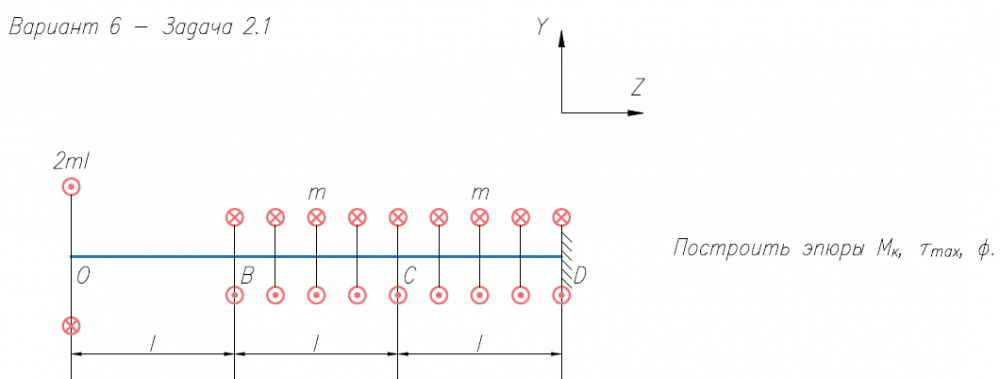
- Задача 2.1 решена в двух вариантах расположения консольной опоры - слева и справа
![]() | ![]() |
Образец ![]()

Построить эпюры М/к, τ/max, φ.; 1. Из расчета на прочность найти размер d. 2. Построить эпюры М/к, τ/max, φ М=100Нм; [τ]=60МПа; l=200мм; G=8*104/МПа; d/1=d/√2≈0,7d; d/2=d.
Файлы условия, демо
Характеристики домашнего задания
Предмет
Учебное заведение
Семестр
Номер задания
Вариант
Программы
Теги
Просмотров
5
Качество
Идеальное компьютерное
Размер
1 Mb
Преподаватели
Список файлов
Вариант 6 - Задача 2.1 - 1.pdf
Вариант 6 - Задача 2.1 - 2.pdf
Вариант 6 - Задача 2.2.pdf
Вариант 6 - Кручение.pdf

Вам все понравилось? Получите кэшбэк - 40 рублей на Ваш счёт при покупке. Поставьте оценку и напишите положительный комментарий к купленному файлу. После Вы получите деньги на ваш счет.