Для студентов МГТУ им. Н.Э.Баумана по предмету Сопротивление материаловЗадача 2.1Задача 2.1
4,96529732
2025-09-012025-09-05СтудИзба
Задача 2.1 вариант 6
-40%
Описание
- Задача решена в двух вариантах расположения консольной опоры - слева и справа



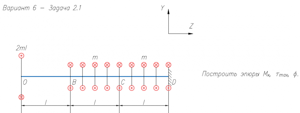
Построить эпюры М/к, τ/max, φ..
Характеристики решённой задачи
Предмет
Учебное заведение
Семестр
Номер задания
Вариант
Программы
Теги
Просмотров
6
Качество
Идеальное компьютерное
Размер
240,6 Kb
Преподаватели
Список файлов
Вариант 6 - Задача 2.1 - 1.pdf
Вариант 6 - Задача 2.1 - 2.pdf

Вам все понравилось? Получите кэшбэк - 40 рублей на Ваш счёт при покупке. Поставьте оценку и напишите положительный комментарий к купленному файлу. После Вы получите деньги на ваш счет.