Для студентов МГТУ им. Н.Э.Баумана по предмету Сопротивление материаловРастяжение-сжатиеРастяжение-сжатие
4,96529330
2025-08-262025-08-26СтудИзба
ДЗ 1: Растяжение-сжатие вариант 10
-30%
Описание
Нужна только одна задача из всех? - Нажимай на ссылку
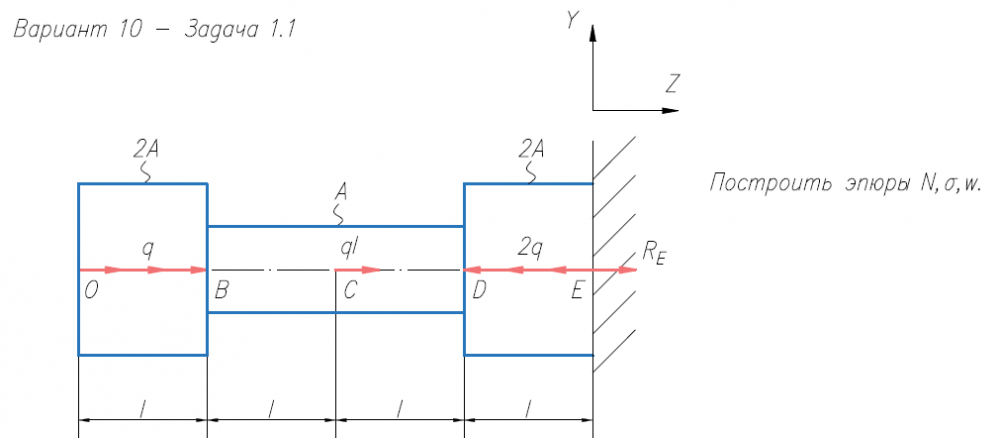
- Задача 1.1 решена в двух вариантах расположения консольной опоры - слева и справа
![]() | ![]() | ![]() |
Образец ![]()

Построить эпюры N,σ,w; 1)Левый участок стержня длиной 2l нагревается на ΔT. Определить ΔT, при котором перемещение сечения m-m составит 0,25 мм. 2)Построить эпюры N,σ,w для найденного значения ΔT. l=100мм; E=2*105/МПа; A=100мм2/; α/ст=12*10-6/1/град; 1)Определить нагрузку, при которой в стержневой системе возникают первые пластические деформации. 2)Найти напряжения, возникающие в стержнях при найденной нагрузке. l=300мм; E=2*105/МПа; A=200мм2/; σ/Т=300МПа.
Файлы условия, демо
Характеристики домашнего задания
Предмет
Учебное заведение
Семестр
Номер задания
Вариант
Программы
Теги
Просмотров
3
Качество
Идеальное компьютерное
Размер
756,09 Kb
Преподаватели
Список файлов
Вариант 10 - Задача 1.1 - 1.pdf
Вариант 10 - Задача 1.1 - 2.pdf
Вариант 10 - Задача 1.2.pdf
Вариант 10 - Задача 1.3.pdf
Вариант 10 - Растяжение-сжатие.pdf

Вам все понравилось? Получите кэшбэк - 40 рублей на Ваш счёт при покупке. Поставьте оценку и напишите положительный комментарий к купленному файлу. После Вы получите деньги на ваш счет.