Для студентов МГТУ им. Н.Э.Баумана по предмету Сопротивление материаловЗадача 1.1Задача 1.1
4,96529723
2025-08-262025-08-26СтудИзба
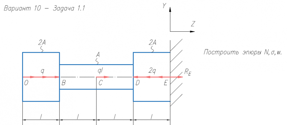
Задача 1.1 вариант 10
-40%
Описание
- Задача решена в двух вариантах расположения консольной опоры - слева и справа



Построить эпюры N,σ,w.
Характеристики решённой задачи
Предмет
Учебное заведение
Семестр
Номер задания
Вариант
Программы
Теги
Просмотров
2
Качество
Идеальное компьютерное
Размер
221,92 Kb
Преподаватели
Список файлов
Вариант 10 - Задача 1.1 - 1.pdf
Вариант 10 - Задача 1.1 - 2.pdf

Вам все понравилось? Получите кэшбэк - 40 рублей на Ваш счёт при покупке. Поставьте оценку и напишите положительный комментарий к купленному файлу. После Вы получите деньги на ваш счет.