ДЗ 2: Растяжение — сжатие, Кручение вариант 29
Описание
Нужна только одна задача из всех? - Нажимай на ссылку
![]() | ![]() | ![]() |
Образец ![]()
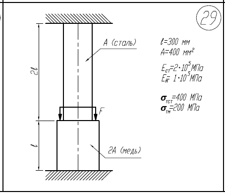
Показать/скрыть дополнительное описание1)Определить при каком значении силы X сечение m-m будет неподвижно. 2)Для этого значения Х построить эпюры N,σ,w и подобрать из условия прочности площадь поперечного сечения А. F=15кН; l=100мм; E=2*105/МПа; [σ]=120МПа 1)Определить силу F, при которой в системе возникнут первые пластические деформации. 2)Построить эпюры N,σ,w для стержня и трубки при этом значении силы F. l=300мм; A=400мм2/; E/ст=2*105/МПа; E/м=1*105/МПа; σ/тст=400МПа; σ/тм=200МПа Медный брус предварительно закручен на угол φ и после этого соединен со стальной трубкой. Построить эпюры М/к, τ/max, φ для положения равновесия, приняв: a=10мм; G/ст=8*104/МПа; δ=D/20; l=0,2м; D=20мм; G/м=4*104/МПа Определить коэффициент запаса по текучести n/Т медного бруса при предварительном закручивании на угол φ=0,018рад, если τ/Т=50МПа..
Файлы условия, демо
Характеристики домашнего задания
Список файлов
