Для студентов МГТУ им. Н.Э.Баумана по предмету Сопротивление материаловЗадача 2.2Задача 2.2
4,96529741
2024-10-262024-11-23СтудИзба
Задача 2.2 вариант 29
-40%
Описание


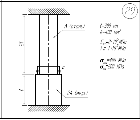
1)Определить силу F, при которой в системе возникнут первые пластические деформации. 2)Построить эпюры N,σ,w для стержня и трубки при этом значении силы F. l=300мм; A=400мм2/; E/ст=2*105/МПа; E/м=1*105/МПа; σ/тст=400МПа; σ/тм=200МПа .
Характеристики решённой задачи
Предмет
Учебное заведение
Семестр
Номер задания
Вариант
Программы
Теги
Просмотров
15
Качество
Идеальное компьютерное
Размер
71,34 Kb
Список файлов
Вариант 29 - Задача 2.2.pdf

Вам все понравилось? Получите кэшбэк - 40 рублей на Ваш счёт при покупке. Поставьте оценку и напишите положительный комментарий к купленному файлу. После Вы получите деньги на ваш счет.