Для студентов МГТУ им. Н.Э.Баумана по предмету Сопротивление материаловРастяжение — сжатие, КручениеРастяжение — сжатие, Кручение
5,0052
2023-05-012024-10-19СтудИзба
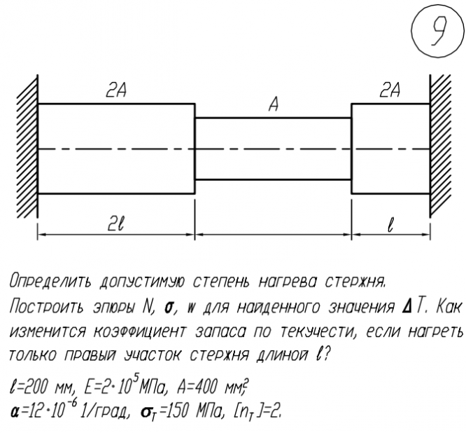
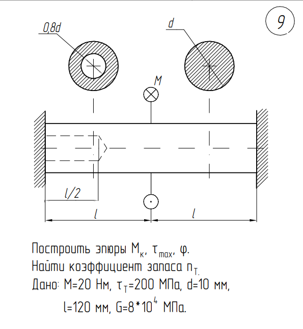
ДЗ 2: Растяжение — сжатие, Кручение вариант 9
Описание
Характеристики домашнего задания
Предмет
Учебное заведение
Семестр
Номер задания
Вариант
Теги
Просмотров
91
Размер
952,7 Kb
Преподаватели
Список файлов
Сопромат 2 ДЗ.pdf
Комментарии
Нет комментариев
Стань первым, кто что-нибудь напишет!

МГТУ им. Н.Э.Баумана



















