Для студентов МГТУ им. Н.Э.Баумана по предмету Сопротивление материаловСтатически неопределимые задачи изгибаСтатически неопределимые задачи изгиба
5,0052
2023-02-182024-10-10СтудИзба
ДЗ 4: Статически неопределимые задачи изгиба вариант 1
-55%
Описание


Характеристики домашнего задания
Предмет
Учебное заведение
Семестр
Номер задания
Вариант
Просмотров
274
Размер
2,45 Mb
Список файлов
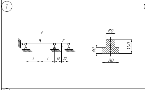
Задача 1 - 4.jpg
Задача 1 - 3.jpg
Задача 1 - 2.jpg
Задача 1 - 1.jpg
Задача 2 - 2.jpg
Задача 2 - 1.jpg

Друзья, спасибо за доверие! Если вам понравилась работа – поставьте 5⭐ и напишите отзыв. Это поможет другим студентам, а мне даст силы делать ещё больше качественных материалов для вас 🔥