Для студентов МГТУ им. Н.Э.Баумана по предмету Сопротивление материаловРастяжение — сжатие, КручениеРастяжение — сжатие, Кручение
5,00520
2022-10-302024-12-02СтудИзба
ДЗ 2: Растяжение — сжатие, Кручение вариант 13
-55%
Описание
Зачтено на максимальный балл🔥🔥🔥🔥😍😍
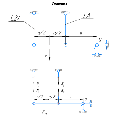
1)


2) Определить нагрузку, при которой в стержневой системе возникают первые пластические деформации
Найти напряжения, возникающие в стержнях при найденной нагрузке

3)


Характеристики домашнего задания
Предмет
Учебное заведение
Семестр
Номер задания
Вариант
Программы
Теги
Просмотров
379
Качество
Идеальное компьютерное
Размер
401,73 Kb
Список файлов
Задача 2- вар13.docx
Задача2.2-вар13.docx
Задача3-вар13.docx

Ваше удовлетворение является нашим приоритетом, если вы удовлетворены нами, пожалуйста, оставьте нам 5 ЗВЕЗД и позитивных комментариев. Спасибо большое!. Смотрите файлы в моем профиле, там есть много полезных !