Для студентов МГТУ им. Н.Э.Баумана по предмету Сопротивление материаловСтатически неопределимые задачи изгибаСтатически неопределимые задачи изгиба
5,0051
2022-03-132025-02-11СтудИзба
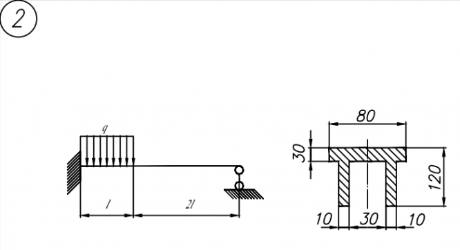
ДЗ 4: Статически неопределимые задачи изгиба вариант 2
-25%
Описание
Характеристики домашнего задания
Предмет
Учебное заведение
Семестр
Номер задания
Вариант
Просмотров
44
Размер
3,53 Mb
Список файлов
Вариант 2 СОЗИ 188.pdf

Спасибо за покупку! Я буду очень рад, если поставишь справедливую оценку купленному файлу :3 Ищи больше работ в моём профиле, там много нужного тебе!