Для студентов МГТУ им. Н.Э.Баумана по предмету Сопротивление материаловСтатически неопределимые задачи изгибаСтатически неопределимые задачи изгиба
5,00516
2022-03-072025-03-28СтудИзба
ДЗ 4: Статически неопределимые задачи изгиба вариант 12
-55%
Описание
Вариант 12 - ДЗ №1 - Статически неопределимые задачи изгиба - Задача 1+2
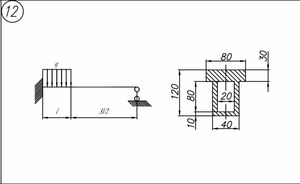
а) Раскрыть статическую неопределимость и построить эпюры Qy и Mx
б) Определить допускаемую нагрузку
в) Примерный вид упругой линии балки
Зачтено на максимальный балл 🔥 🔥🔥🔥🔥🔥😍😍😍
Задача 1
Произвести расчет балки при упругих деформацияха) Раскрыть статическую неопределимость и построить эпюры Qy и Mx
б) Определить допускаемую нагрузку
в) Примерный вид упругой линии балки



Задача 2
Характеристики домашнего задания
Предмет
Учебное заведение
Семестр
Номер задания
Вариант
Просмотров
1029
Качество
Идеальное компьютерное
Размер
276,99 Kb
Список файлов
Задача 1 - Вариант 12.docx
Задача 2 - Вариант 12.docx

Ваше удовлетворение является нашим приоритетом, если вы удовлетворены нами, пожалуйста, оставьте нам 5 ЗВЕЗД и позитивных комментариев. Спасибо большое!. Смотрите файлы в моем профиле, там есть много полезных !