Для студентов МГТУ им. Н.Э.Баумана по предмету Сопротивление материаловСтатически определимые балкиСтатически определимые балки
5,0058
2021-12-212024-09-04СтудИзба
Вариант 4 - ДЗ №3 - "Статически определимые балки"
ДЗ 3: Статически определимые балки вариант 4
-25%
Описание
Полный типовой расчет по сопротивлению материалов №3 "Статически определимые балки", 2 задачи, зачтено
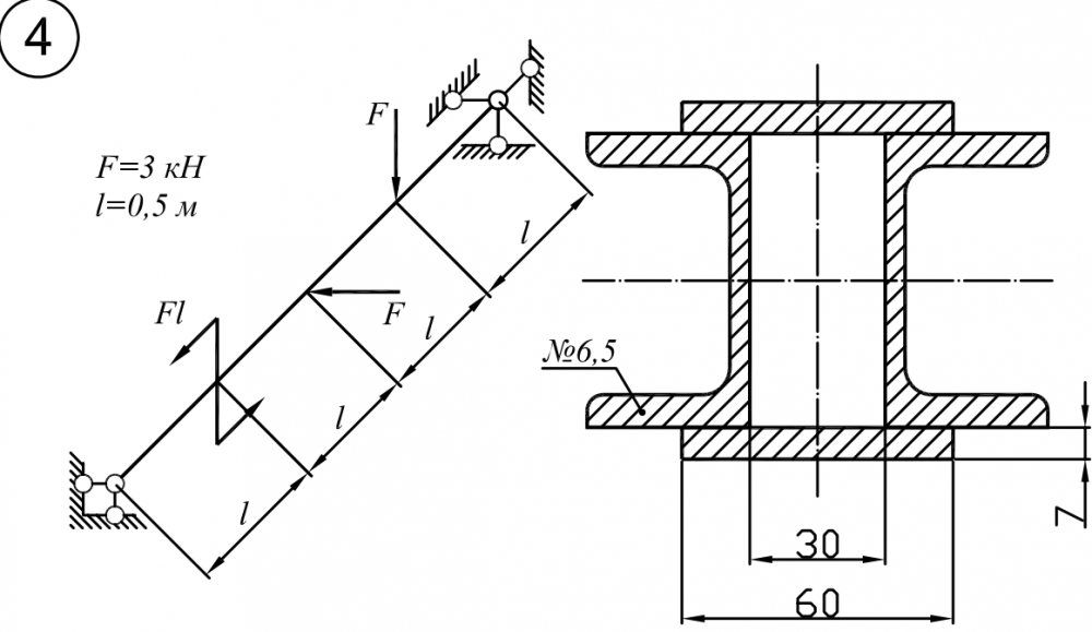
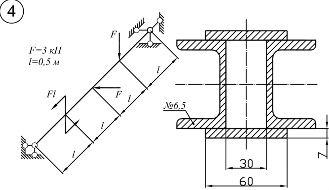
Задача 1:
Задача 2:
Показать/скрыть дополнительное описание
Задача 1:




Типовой расчет по сопротивлению материалов МГТУ 3 семестр домашнее задание кручение сжатие растяжение.
Характеристики домашнего задания
Предмет
Учебное заведение
Семестр
Номер задания
Вариант
Теги
Просмотров
158
Качество
Скан рукописных листов
Размер
7,12 Mb
Список файлов
Вариант 4 П Изгиб 16.pdf
Вариант 4 Косой Изгиб 24.pdf

Спасибо за покупку! Я буду очень рад, если поставишь справедливую оценку купленному файлу :3 Ищи больше работ в моём профиле, там много нужного тебе!