Для студентов МГТУ им. Н.Э.Баумана по предмету Сопротивление материаловСтатически неопределимые задачи изгибаСтатически неопределимые задачи изгиба
5,0052
2021-03-122021-03-12СтудИзба
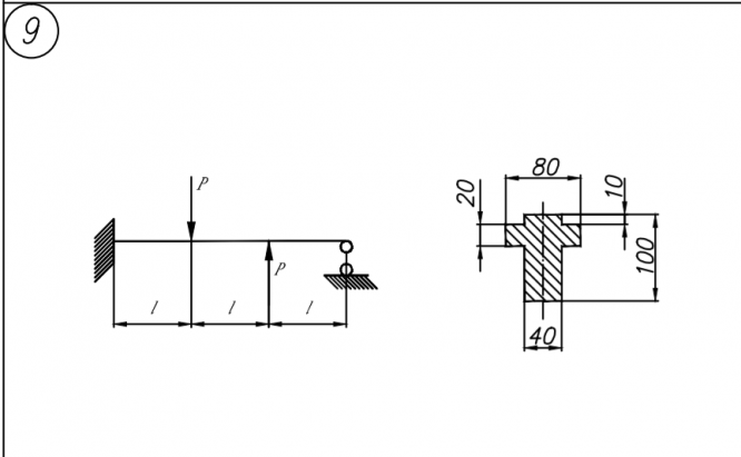
ДЗ 4: Статически неопределимые задачи изгиба вариант 9
Описание
Характеристики домашнего задания
Предмет
Учебное заведение
Семестр
Номер задания
Вариант
Просмотров
142
Качество
Скан рукописных листов
Размер
2,04 Mb
Список файлов
Сопромат ДЗ1.pdf
Комментарии
Нет комментариев
Стань первым, кто что-нибудь напишет!
МГТУ им. Н.Э.Баумана


















