Для студентов МГТУ им. Н.Э.Баумана по предмету Сопротивление материаловРастяжение — сжатие, КручениеРастяжение — сжатие, Кручение
4,65513
2020-11-102020-11-16СтудИзба
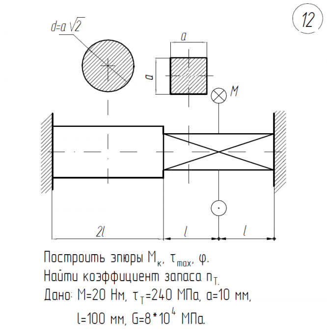
ДЗ 2: Растяжение — сжатие, Кручение вариант 12
Описание
Характеристики домашнего задания
Предмет
Учебное заведение
Семестр
Номер задания
Вариант
Теги
Просмотров
284
Качество
Скан рукописных листов
Размер
3,02 Mb
Список файлов
Комментарии
Нет комментариев
Стань первым, кто что-нибудь напишет!

МГТУ им. Н.Э.Баумана
dolgota46

















