Для студентов МГТУ им. Н.Э.Баумана по предмету Сопротивление материаловСтатически неопределимые задачи изгибаСтатически неопределимые задачи изгиба
5,0058
2021-02-222025-03-04СтудИзба
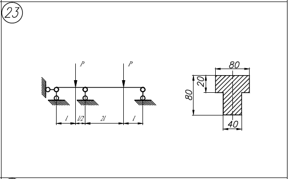
ДЗ 4: Статически неопределимые задачи изгиба вариант 23
-50%
Описание
Характеристики домашнего задания
Предмет
Учебное заведение
Семестр
Номер задания
Вариант
Просмотров
237
Качество
Фото рукописных листов
Размер
1,88 Mb
Список файлов
5.1.pdf
5.2.pdf
5.3.pdf

Вам все понравилось? Получите кэшбэк - 40 рублей на Ваш счёт при покупке. Поставьте оценку и напишите положительный комментарий к купленному файлу. После Вы получите деньги на ваш счет.