Для студентов МГТУ им. Н.Э.Баумана по предмету Сопротивление материаловСтатически неопределимые задачи изгибаСтатически неопределимые задачи изгиба
3,07512
2020-05-222020-05-22СтудИзба
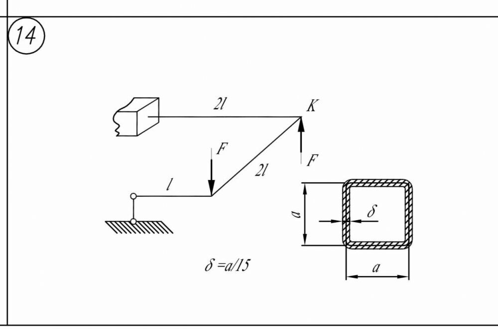
ДЗ 5: Статически неопределимые задачи изгиба вариант 14
Описание
Характеристики домашнего задания
Предмет
Учебное заведение
Семестр
Номер задания
Вариант
Просмотров
294
Размер
12,86 Mb
Список файлов
5-1_5-2_5-3
5-1.pdf
5-2.pdf
5-3.pdf
Комментарии
Нет комментариев
Стань первым, кто что-нибудь напишет!
МГТУ им. Н.Э.Баумана
vk_137354471

















