Для студентов НГТУ им. Р.Е. Алексеева по предмету Системы управления электромеханическими объектамиИсследование контакторной системы управления двигателем постоянного токаИсследование контакторной системы управления двигателем постоянного тока
5,00518051
2024-09-202024-09-20СтудИзба
Лабораторная работа 3: Исследование контакторной системы управления двигателем постоянного тока
Описание
Цель работы: изучение принципов автоматического контакторного управления пуском и торможением двигателя постоянного тока, изучение схем защиты, получение студентами навыка по наладке и регулировке контакторной схемы автоматического управления.
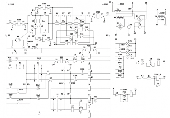
Схема лабораторной установки:
Параметры лабораторной установки
Номинальная мощность двигателя: PН = 0,8 кВт;
Номинальная скорость двигателя: nН = 1000 об/мин;
Номинальный ток якоря: IЯН = 4,5 А;
Номинальное напряжение якоря: UН = 220 В;
Номинальный момент: MН = 7,8 Н×м;
КПД: h = 75 %;
Маховой момент: GД2 = 4×J = 0,1кгс×м2;
Сопротивление якоря и доп. полюсов: Ra = 4 Ом ;
Номинальный ток обмотки возбуждения: IВН = 0,33 А;
Ток якоря, соответствующий моменту
сопротивленияна валу двигателя: IС = 0,73 А;
число ступеней: m=2
Файлы условия, демо
Характеристики лабораторной работы
Учебное заведение
Номер задания
Программы
Просмотров
4
Качество
Идеальное компьютерное
Размер
1,27 Mb
Список файлов
лр3.docx
