Курсовая работа: Автоматизация установки УВН-3 (Установка вакуумного напыления)
Описание

Расчетно-пояснительная записка
Тема: Автоматизация установки УВН-3
Москва 2016
Оглавление
1 Введение 4
2 Комплексно-принципиальная схема 6
2.1 Описание КПС 6
2.2 Элементы механической КПС 7
3 Описание системы энергообеспечения и управления 15
3.1 Элементы системы управления 15
3.2 Элементы системы энергообеспечения 22
3.3 Силовое оборудование 25
4 Документы, сопровождающие КПС 27
5 Описание процессной модели 28
Сервисные функции 36
6 Расчёт и описание принципиальной электрической схемы 37
7 Описание управляющей программы 38
Заключение 39
Список использованных источников 40
Реферат
Курсовой проект содержит 5 графических листов, выполненных в пакете КОМПАС-3D V14 и Corel Draw. Расчетно-пояснительная записка выполнена в Microsoft Word 2010, содержит 40 листов, 30 рисунков и 4 таблицы. В проекте разработана система автоматического управления установкой поста термовакуумной обработки (ТВО).
1-ый лист содержит комплексную принципиальную схему установки.
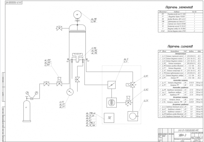
2-ой лист содержит комплексную принципиальную схему питания и управления с указанием всех энергетических и управляющих сигналов и перечнем всех элементов.
3-ий лист содержит процессную модель работы САУ, а также алгоритм работы установки, разбитый на подпроцессы.
4-ый лист содержит принципиальную электрическую схему соединений САУ.
5-ый лист содержит внешний вид управляющей программы.
Основной целью курсового проектирования является модернизация и автоматизация установки вакуумного нанесения тонких плёнок УВН-3. Данная установка является установкой лабораторного типа. Поставлена задача автоматизации процесса нанесения тонких плёнок путем разработки максимально эффективной САУ с учетом особенностей установки и протекающих процессов.
Целевой интерфейс
Установка УВН-3 предназначена для нанесения тонких плёнок на 4 пластины. Производительность зависит от материала, скорости откачки, скорости установления режимов проведения процесса, реакции оператора на меняющиеся парметры.
Механический интерфейс
Пластины устанавливаются на подложкодержателе, который в свою очередь подсоединён к шаговому двигателю. С помощью шагового двигателя при вращении на 1/8 оборота пластины либо открываются, либо закрываются от распылённого металла.
Рисунок 1 – Общий вид установки
Основными элементами установки являются:
- Вакуумная система (Спиральный и турбомолекулярный насосы, два клапана, затвор и управляющий контроллер).
- Камера (технологический колпак с ручным клапаном напуска).
- Магнетрон (с системой подачи воды для охлаждения, подачи газов для создания рабочего давления).
- Система поворота пластин (шаговый двигатель и подложкодержатель).
Технические требования:
- Напряжение питания 220 В и 380 В.
- Давление охлаждающей воды 1,5 атм, расход не менее 0,5 м /ч, температура от 5 до 20 С˚.
- Сопротивление системы заземления не более 4 Ом.
Технические характеристики:
- Предельное давление в камере 10-4 Па.
- Время достижения давления 10-4 Па в камере – 30 мин.
- Максимальный размер пластин – 100 мм.
- Максимальная мощность магнетрона – 1000 Вт.
Энергетический интерфейс
Питание установки производится от сети с напряжением 220 В и частотой 50 Гц. Магнетрон питается от сети с напряжением 380 В и частотой 50 Гц.
Информационный интерфейс
Информационный интерфейс после разработки САУ будет состоять из процессорного модуля СPU-188-5 фирмы Fastwell, который монтируется в корпусе в стойку. К данному модулю через соответствующие интерфейсы присоединяются локальные микроконтроллеры управления вакуумными насосами, регулятором расхода газа, системой охлаждения магнетрона, сенсорный экран, система ввода информации (клавиатура). Предусматривается работа в автоматическом режиме и в режиме полуавтомата, с контролем действий оператора.
Характеристики курсовой работы
Список файлов

Начать зарабатывать