Для студентов МГТУ им. Н.Э.Баумана по предмету Системы автоматического управления (САУ) (МТ-11)Разработка САУ узла совмещения установки совмещения и экспонированияРазработка САУ узла совмещения установки совмещения и экспонирования
4,79523195
2017-12-22СтудИзба

Курсовая работа: Разработка САУ узла совмещения установки совмещения и экспонирования

Описание

Курсовой проект по САУ, который был выполнен, сдан и защищён в 2014-м году
Чертежи в PDF

Система автоматического управления технологическим оборудованием»


на тему:


«Установка совмещения и экспонирования печатных плат»


2014 год.

Оглавление

РЕФЕРАТ. 4

Введение. 5

1 Устройство установки и её функционирование. 6

1.1 Общее описание работы установки. 6

2 Система позиционирования фотошаблонов. 7

2.1 Описание элементов системы позиционирования фотошаблонов. 7

2.1.1 Шаговые двигатели. 7

2.1.2 Шарико-винтовые передачи. 10

2.2 Процессы системы позиционирования фотошаблонов. 12

2.2.1 Процесс «Ошибка совмещения» . 13

3 Система машинного зрения. 14

3.1 Описание элементов системы машинного зрения. 14

3.1.1 Серводвигатель Festo EMMS-AS. 14

3.1.2 Зубчато-ременная передача. 18

3.1.3 CCD видеокамеры.. 19

3.2 Процессы системы машинного зрения. 20

3.2.1 Процесс «Выставление камер» . 20

3.2.2 Процесс «Совмещение» . 21

3.2.3 Процесс «Ошибка камер» . 21

4 Система вакуумного захвата. 22

4.1 Описание элементов системы вакуумного захвата. 22

4.1.1 Клапан электромагнитный. 22

4.1.2 Вакуумметр тензорезистивный. 23

4.1.3 Вакуумный насос. 24

4.2 Процессы системы вакуумного захвата. 25

4.2.1 Процесс «Загрузка ФШ» . 25

4.2.2 Процесс «Выгрузка ФШ» . 25

4.2.3 Процесс «Остановка откачки» . 26

5 Система электропитания и управления СЭУ.. 27

5.1 Система электропитания СЭО.. 27

5.1.1 Силовой модуль SM... 28

5.1.2 Источник питания S_50_12. 29

5.1.3 Источник питания S_15_5. 29

5.1.4 Источник питания CACN-3A-1. 29

5.1.1 Источник питания CACN-3A-7. 29

5.2 Система управления САУ.. 29

5.2.1 Компьютер рабочего места оператора. 29

5.2.2 Контроллер CPU188-5. 30

5.2.3 Узловой контроллер CECX.. 31

5.2.4 Модуль видеопроцессора VIM301. 33

5.2.5 Модуль релейной коммутации DIB911. 33

Заключение. 34

Список использованных источников. 35

ПРИЛОЖЕНИЕ.. 36


РЕФЕРАТ

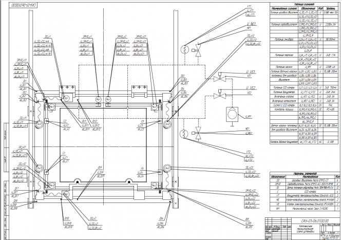
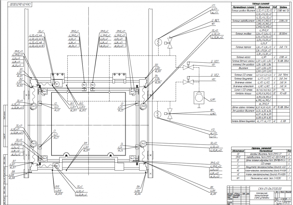
В данном курсовом проекте рассмотрена система автоматизированного управления узла совмещения установки совмещения и экспонирования печатных плат.

Рассмотрены основные узлы САУ и проведено проектирование принципиальной схемы соединений.

Графическую часть проекта составляют 4 листа, выполненных в среде Компас-3D V13.

Расчетно-пояснительная записка составляет 33 листа, выполненных в среде Microsoft Word 2003. Записка содержит 12 таблиц.

Графическая часть курсового проекта содержит:

  • Процессную модель установки.
  • Комплексную принципиальную схему установки.
  • Таблицы сигналов и элементов.
  • Схему соединений.


Ключевые слова:

ПЕЧАТНАЯ ПЛАТА, ЭЛЕКТРОНИКА, ПРОИЗВОДСТВО, ОБОРУДОВАНИЕ, СОВМЕЩЕНИЕ, ФОТОЛИТОГРАФИЯ, ЭКПОНИРОВАНИЕ, ТЕХНОЛОГИЯ, АВТОМАТИЗАЦИЯ ПРОЦЕССА, ПРЕЦЕЗИОННАЯ СИСТЕМА, ПОГРЕШНОСТЬ СОВМЕЩЕНИЯ, РАМКА СОВМЕЩЕНИЯ, КОНТРОЛЛЕР, ШАГОВЫЙ ДВИГАТЕЛЬ, пзс ВИДЕОКАМЕРА, СЕРВОДВИГАТЕЛЬ, ВАКУУМНЫХ ПРИЖИМ.


Введение


Все более жесткие требования к печатным платам (ПП), предъявляемые изготовителями электроники, вынуждают производителей печатных плат постоянно совершенствовать технологию изготовления и обновлять технологическое оборудование. Этот процесс неизбежен и требует высококвалифицированной работы технологов по выбору технологического оборудования и разработке техпроцесса. Необходим грамотно подобранный комплекс технологического оборудования, все единицы которого по своим техническим характеристикам позволяют изготовить печатную плату по выбранной технологии с заданной точностью. Задача технолога усложняется, если речь идет не об обычных двухсторонних или односторонних, а многослойных платах. В данном случае, помимо прочего, очень важную роль в качестве выпускаемой продукции играет совмещение и прессование слоев МПП. Также возникают дополнительные трудности со сверлением переходных отверстий, ведь, несмотря на высокоточное оборудование, получить стопроцентную точность совмещения слоев невозможно, таким образом, необходимо производить корректировку координат сверления с учетом погрешности расположения контактных площадок.

В процессе изготовления ПП невозможно обойтись без продуманной и высокоточной системы совмещения, так как, начиная с момента формирования топологии проводящих слоев на компьютере в системе CAD и вплоть до момента электрического тестирования, постоянно требуется совмещать слои ПП между собой, слои с отверстиями, отверстия с контактными площадками, топологию токопроводящего слоя с топологией паяльной маски с тд.

Даже имея высокоточные сверлильные станки, фотоплоттеры и установки высокоточного формирования базовых отверстий в фотошаблонах невозможно добиться высокой точности получения топологии не только внутренних, но и внешних слоев ПП относительно отверстий, используя устаревшую или недостаточно точную систему совмещения. Так, например, технология совмещения с помощью штифтов не может обеспечить достаточную точность для изготовления ПП 5 класса точности. В настоящее время все больше производителей отходят от этой классической технологии и выбирают бесштифтовую технологию.



Характеристики курсовой работы

Список файлов

Разработка САУ узла совмещения установки совмещения и экспонирования
KOMPAS - List1_SAU.pdf
KOMPAS - List2_SAU.pdf
KOMPAS - List3_SAU.pdf
KOMPAS - List4_SAU.pdf
Пояснительная записка.doc
Презентация.ppt
Прочти меня.txt
Картинка-подпись
Зарабатывай на студизбе! Просто выкладывай то, что так и так делаешь для своей учёбы: ДЗ, шпаргалки, решённые задачи и всё, что тебе пригодилось.
Начать зарабатывать

Комментарии

Нет комментариев
Стань первым, кто что-нибудь напишет!
Поделитесь ссылкой:
Цена: 1 200 руб.
Расширенная гарантия +3 недели гарантии, +10% цены
Рейтинг автора
4,79 из 5
Поделитесь ссылкой:
Сопутствующие материалы

Подобрали для Вас услуги

-20%
Вы можете использовать курсовую работу для примера, а также можете ссылаться на неё в своей работе. Авторство принадлежит автору работы, поэтому запрещено копировать текст из этой работы для любой публикации, в том числе в свою курсовую работу в учебном заведении, без правильно оформленной ссылки. Читайте как правильно публиковать ссылки в своей работе.
Свежие статьи
Популярно сейчас
Зачем заказывать выполнение своего задания, если оно уже было выполнено много много раз? Его можно просто купить или даже скачать бесплатно на СтудИзбе. Найдите нужный учебный материал у нас!
Ответы на популярные вопросы
Да! Наши авторы собирают и выкладывают те работы, которые сдаются в Вашем учебном заведении ежегодно и уже проверены преподавателями.
Да! У нас любой человек может выложить любую учебную работу и зарабатывать на её продажах! Но каждый учебный материал публикуется только после тщательной проверки администрацией.
Вернём деньги! А если быть более точными, то автору даётся немного времени на исправление, а если не исправит или выйдет время, то вернём деньги в полном объёме!
Да! На равне с готовыми студенческими работами у нас продаются услуги. Цены на услуги видны сразу, то есть Вам нужно только указать параметры и сразу можно оплачивать.
Отзывы студентов
Ставлю 10/10
Все нравится, очень удобный сайт, помогает в учебе. Кроме этого, можно заработать самому, выставляя готовые учебные материалы на продажу здесь. Рейтинги и отзывы на преподавателей очень помогают сориентироваться в начале нового семестра. Спасибо за такую функцию. Ставлю максимальную оценку.
Лучшая платформа для успешной сдачи сессии
Познакомился со СтудИзбой благодаря своему другу, очень нравится интерфейс, количество доступных файлов, цена, в общем, все прекрасно. Даже сам продаю какие-то свои работы.
Студизба ван лав ❤
Очень офигенный сайт для студентов. Много полезных учебных материалов. Пользуюсь студизбой с октября 2021 года. Серьёзных нареканий нет. Хотелось бы, что бы ввели подписочную модель и сделали материалы дешевле 300 рублей в рамках подписки бесплатными.
Отличный сайт
Лично меня всё устраивает - и покупка, и продажа; и цены, и возможность предпросмотра куска файла, и обилие бесплатных файлов (в подборках по авторам, читай, ВУЗам и факультетам). Есть определённые баги, но всё решаемо, да и администраторы реагируют в течение суток.
Маленький отзыв о большом помощнике!
Студизба спасает в те моменты, когда сроки горят, а работ накопилось достаточно. Довольно удобный сайт с простой навигацией и огромным количеством материалов.
Студ. Изба как крупнейший сборник работ для студентов
Тут дофига бывает всего полезного. Печально, что бывают предметы по которым даже одного бесплатного решения нет, но это скорее вопрос к студентам. В остальном всё здорово.
Спасательный островок
Если уже не успеваешь разобраться или застрял на каком-то задание поможет тебе быстро и недорого решить твою проблему.
Всё и так отлично
Всё очень удобно. Особенно круто, что есть система бонусов и можно выводить остатки денег. Очень много качественных бесплатных файлов.
Отзыв о системе "Студизба"
Отличная платформа для распространения работ, востребованных студентами. Хорошо налаженная и качественная работа сайта, огромная база заданий и аудитория.
Отличный помощник
Отличный сайт с кучей полезных файлов, позволяющий найти много методичек / учебников / отзывов о вузах и преподователях.
Отлично помогает студентам в любой момент для решения трудных и незамедлительных задач
Хотелось бы больше конкретной информации о преподавателях. А так в принципе хороший сайт, всегда им пользуюсь и ни разу не было желания прекратить. Хороший сайт для помощи студентам, удобный и приятный интерфейс. Из недостатков можно выделить только отсутствия небольшого количества файлов.
Спасибо за шикарный сайт
Великолепный сайт на котором студент за не большие деньги может найти помощь с дз, проектами курсовыми, лабораторными, а также узнать отзывы на преподавателей и бесплатно скачать пособия.
Популярные преподаватели
Добавляйте материалы
и зарабатывайте!
Продажи идут автоматически
6989
Авторов
на СтудИзбе
262
Средний доход
с одного платного файла
Обучение Подробнее
{user_main_secret_data}