Для студентов МГТУ им. Н.Э.Баумана по предмету Системы автоматического управления (САУ) (МТ-11)Установка плазмохимического травленияУстановка плазмохимического травления
5,0051
2017-12-22СтудИзба

Курсовая работа: Установка плазмохимического травления

Описание

Курсовой проект по САУ (Системы автоматического управления), который был выполнен в 2015-м году
Чертежи в ПДФ

«ОСНОВЫ ПРОЕКТИРОВАНИЯ СИСТЕМ АВТОМАТИЧЕСКОГО УПРАВЛЕНИЯ ОБОРУДОВАНИЕМ ЭЛЕКТРОННЫХ ТЕХНОЛОГИЙ»


по теме:

УСТАНОВКА ПЛАЗМОХИМИЧЕСКОГО ТРАВЛЕНИЯ



г. Москва, 2015


Ю. Н. Смирнов Ю. Н. Литвак


РЕФЕРАТ

Целью данного курсового проекта является овладение навыками, методами и средствами комплексных разработок механических и электронных компонентов оборудования САУ, а также правилами и методами составления технического задания на программное обеспечение САУ.

Курсовой проект содержит 6 графических листов, выполненных в пакете КОМПАС-3D V15. Записка по проекту объёмом 30 страниц машинописного текста, выполнена в программе Microsoft Word 2010. Отчёт содержит введение; пять основных разделов, содержащих 24 рисунка, 2 таблицы, заключение и список использованных источников.

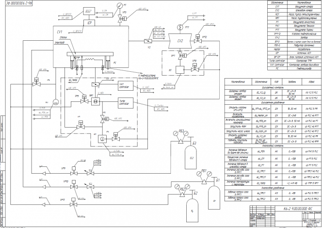
1-й лист (КПС) содержит комплексную принципиальную схему САУ.

2-й лист (ФС) содержат комбинированную функциональную схему установки с указанием всех энергетических и управляющих сигналов, а также пневмосистему.

3-й и 4-й листы (ЭЗ) содержит принципиальную электрическую схему соедине- ний САУ

5-й и 6-й листы (ПМ) содержат процессную модель САУ.



Ключевые слова:

ВАКУУМНАЯ УСТАНОВКА, ПЛАЗМОХИМИЧЕСКОЕ ТРАВЛЕНИЕ, СИСТЕМА АВТОМАТИЧЕСКОГО УПРАВЛЕНИЯ.


СОДЕРЖАНИЕ

Введение............................................................................................................................................. 5

  1. Источники питания................................................................................................................ 19
    1. ИСП.................................................................................................................................. 20
    2. Нормирующего преобразователя ОВЕН НПТ1........................................................... 22

4.7.4 Блок питания 24 В RS-75-24 (RS-150-24, RS-15-24).................................................... 23

  1. Силовое оборудование.......................................................................................................... 23
    1. Рубильник ABB OT25F4N2............................................................................................ 24
    2. Автоматический выключатель ABB S 203-D 20 NA................................................... 24
    3. Автоматический выключатель ABB S 203-C 6............................................................ 25
    4. Реле ABB CR-P024DC2.................................................................................................. 26
    5. Клеммы Conta-Clip ZSRK 2.5........................................................................................ 28

Заключение....................................................................................................................................... 29


ВВЕДЕНИЕ

Автоматизация производства – это процесс в развитии машинного производства, при котором функции управления и контроля, ранее выполнявшиеся человеком, передаются приборам и автоматическим устройствам. Автоматизация производства - это основа развития современной промышленности, генеральное направление технического прогресса. Его целью является повышение эффективности труда, улучшение качества выпускаемой продукции, создание условий для оптимального использования всех ресурсов производства. Без управляющей электроники уже не может обойтись ни одна отрасль промышленности, особенно, электронное машиностроение, где необходимо управление множеством технологических параметров при высочайшей точности и жестких требованиях к соблюдению технологии.

При плазмохимическом травлении используется широкий спектр опасных газов, поэтому высокая степень защита и оперативное аварийное отключение в случае ЧП. В связи с этим присутствует шлюзовая камера, громоздкая, но необходимая вакуумная система требует постоянного контроля, также отслеживания положения образца. Небольшие потоки газов вкупе с необходимостью поддерживать заданное давление накладывают высокие требования по регулировке параметров и стабилизации процесса. Оператору данная работа не по силам, в то время как компьютер справляется с задачей хорошо. Данными обстоятельствами обусловлены требования, предъявляемые к САУ установки плазмохимического травления.


Характеристики курсовой работы

Список файлов

Установка плазмохимического травления
1.pdf
2.pdf
2_2.pdf
3.pdf
4_1.pdf
4_2.pdf
Презентация.pdf
Прочти меня.txt
РПЗ САУ.docx
Картинка-подпись
Зарабатывай на студизбе! Просто выкладывай то, что так и так делаешь для своей учёбы: ДЗ, шпаргалки, решённые задачи и всё, что тебе пригодилось.
Начать зарабатывать

Комментарии

Нет комментариев
Стань первым, кто что-нибудь напишет!
Поделитесь ссылкой:
Цена: 1 200 руб.
Расширенная гарантия +3 недели гарантии, +10% цены
Рейтинг покупателей
5 из 5
Поделитесь ссылкой:
Сопутствующие материалы

Подобрали для Вас услуги

-26%
-27%
Вы можете использовать курсовую работу для примера, а также можете ссылаться на неё в своей работе. Авторство принадлежит автору работы, поэтому запрещено копировать текст из этой работы для любой публикации, в том числе в свою курсовую работу в учебном заведении, без правильно оформленной ссылки. Читайте как правильно публиковать ссылки в своей работе.
Свежие статьи
Популярно сейчас
Зачем заказывать выполнение своего задания, если оно уже было выполнено много много раз? Его можно просто купить или даже скачать бесплатно на СтудИзбе. Найдите нужный учебный материал у нас!
Ответы на популярные вопросы
Да! Наши авторы собирают и выкладывают те работы, которые сдаются в Вашем учебном заведении ежегодно и уже проверены преподавателями.
Да! У нас любой человек может выложить любую учебную работу и зарабатывать на её продажах! Но каждый учебный материал публикуется только после тщательной проверки администрацией.
Вернём деньги! А если быть более точными, то автору даётся немного времени на исправление, а если не исправит или выйдет время, то вернём деньги в полном объёме!
Да! На равне с готовыми студенческими работами у нас продаются услуги. Цены на услуги видны сразу, то есть Вам нужно только указать параметры и сразу можно оплачивать.
Отзывы студентов
Ставлю 10/10
Все нравится, очень удобный сайт, помогает в учебе. Кроме этого, можно заработать самому, выставляя готовые учебные материалы на продажу здесь. Рейтинги и отзывы на преподавателей очень помогают сориентироваться в начале нового семестра. Спасибо за такую функцию. Ставлю максимальную оценку.
Лучшая платформа для успешной сдачи сессии
Познакомился со СтудИзбой благодаря своему другу, очень нравится интерфейс, количество доступных файлов, цена, в общем, все прекрасно. Даже сам продаю какие-то свои работы.
Студизба ван лав ❤
Очень офигенный сайт для студентов. Много полезных учебных материалов. Пользуюсь студизбой с октября 2021 года. Серьёзных нареканий нет. Хотелось бы, что бы ввели подписочную модель и сделали материалы дешевле 300 рублей в рамках подписки бесплатными.
Отличный сайт
Лично меня всё устраивает - и покупка, и продажа; и цены, и возможность предпросмотра куска файла, и обилие бесплатных файлов (в подборках по авторам, читай, ВУЗам и факультетам). Есть определённые баги, но всё решаемо, да и администраторы реагируют в течение суток.
Маленький отзыв о большом помощнике!
Студизба спасает в те моменты, когда сроки горят, а работ накопилось достаточно. Довольно удобный сайт с простой навигацией и огромным количеством материалов.
Студ. Изба как крупнейший сборник работ для студентов
Тут дофига бывает всего полезного. Печально, что бывают предметы по которым даже одного бесплатного решения нет, но это скорее вопрос к студентам. В остальном всё здорово.
Спасательный островок
Если уже не успеваешь разобраться или застрял на каком-то задание поможет тебе быстро и недорого решить твою проблему.
Всё и так отлично
Всё очень удобно. Особенно круто, что есть система бонусов и можно выводить остатки денег. Очень много качественных бесплатных файлов.
Отзыв о системе "Студизба"
Отличная платформа для распространения работ, востребованных студентами. Хорошо налаженная и качественная работа сайта, огромная база заданий и аудитория.
Отличный помощник
Отличный сайт с кучей полезных файлов, позволяющий найти много методичек / учебников / отзывов о вузах и преподователях.
Отлично помогает студентам в любой момент для решения трудных и незамедлительных задач
Хотелось бы больше конкретной информации о преподавателях. А так в принципе хороший сайт, всегда им пользуюсь и ни разу не было желания прекратить. Хороший сайт для помощи студентам, удобный и приятный интерфейс. Из недостатков можно выделить только отсутствия небольшого количества файлов.
Спасибо за шикарный сайт
Великолепный сайт на котором студент за не большие деньги может найти помощь с дз, проектами курсовыми, лабораторными, а также узнать отзывы на преподавателей и бесплатно скачать пособия.
Популярные преподаватели
Добавляйте материалы
и зарабатывайте!
Продажи идут автоматически
6864
Авторов
на СтудИзбе
271
Средний доход
с одного платного файла
Обучение Подробнее
{user_main_secret_data}