Курсовая работа: Установка вакуумного нанесения тонких пленок
Описание

«Установка вакуумного нанесения тонких пленок»
Москва, 2015
Оглавление
1. Введение. Описание интерфейсов установки. 4
2. Описание комплексной принципиальной схемы. 6
3. Описание процессной модели. 8
4. Описание программы управления установкой. 12
5. ТЗ и ТП на САУ установкой. 13
Общие требования к алгоритму управления. 13
Основные целевые процессы.. 14
Построение аппаратной части САУ.. 14
Система исполнительных механизмов. 15
Система электропитания и электроавтоматики. 15
6. Документы сопровождающие комплексную принципиальную схему. 15
Перечень потоков и сигналов (ПС) 17
7. Информационный поиск элементов САУ.. 20
Модуль микроконтроллера CPU188-5. 20
Панель релейной коммутации TBR-8 Fastwel 22
Программируемые шаговые приводы.. 25
Шаговые двигатели AD-200-21. 25
Наиболее подходящий Программируемый блок управления шаговыми двигателями SMSD-4.2. 27
Автоматический выключатель ABB S 203-D 20 NA.. 43
Автоматический выключатель ABB S 203-C 6. 43
Автоматический выключатель ABB S 201-C 3 NA.. 44
8. Расчет и описание принципиальной электрической схемы.. 46
Аннотация
Курсовой проект содержит 5 графических листов, выполненных в пакете АСКОН КОМПАС V15. Расчетно-пояснительная записка выполнена в Microsoft Word 2010, содержит 48 листов. В проекте разработана система автоматического управления установкой нанесения тонких пленок металла.
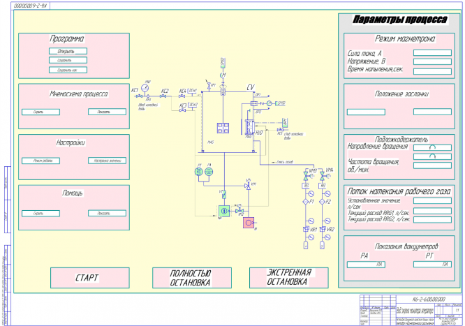
1-ый лист (САУ К6-2-6.00.00.000 ПМ) содержит процессную модель работы САУ. На нем же содержатся 4 алгоритма работы отдельных процессов. Алгоритмы максимально облегчены для более понятного чтения, в РПЗ содержится подробное описание работы САУ.
2-ой и 3-ий листы (САУ К6-2-6.00.00.000 ФС) содержат комбинированную функциональную схему установки с указанием всех энергетических и управляющих сигналов, а также схема блочного соединения САУ.
На 4-ом листе (САУ К6-2-6.00.00.000 Э3) представлена принципиальная электрическая схема соединений САУ.
На 5-ом дополнительном листе представлен предполагаемый экран оператора с перечнем отображаемой информации на нем.
1.Введение. Описание интерфейсов установки
Основной целью курсового проектирования является закрепление знаний, полученных при изучении дисциплины САУ, применение их на практике в процессе разработки документации на САУ установки вакуумного нанесения тонких плёнок методом магнетронного распыления. Данная установка является установкой лабораторного типа. Поставлена задача разработки максимально эффективной САУ с учетом особенностей установки и протекающих процессов.
Общий вид установки представлен ниже:
Рис.1.1 Общий вид установки
Основными элементами являются:
·Вакуумная система (спиральный и турбомолекулярный насосы, система клапанов, вакуумные датчики)
·Камера (сталь 12Х18Н10Т, Vкам. = 13 )
·Газовая система (2 баллона с азотом и метаном, система клапанов)
·Система приводов (на подложкодержатель, на заслонку)
Технические требования:
1.Напряжение питания 3 50 Гц, 380 В/ 220 В
2.Давление охлаждающей воды 1,5 атм, расход не менее 0,5 м /ч, температура от 5 до 20 С
3.Сопротивление системы заземления не более 4 Ом
Технические характеристики:
1. Предельное давление в камере: Па
2. Время достижения в камере давления Па 62 мин
3. Ток разряда магнетрона - 0,6..2,2 А
4. Подача рабочих газов (аргон, метан) с точностью поддержания заданного расхода - не более 1%
5 Объём вакуумной камеры Vкам. = 13
Напыляемые образцы крепятся на оснастку внутри камеры, перемещения образцов осуществляется над магнетроном, процесс напыления прекращается по достижении пленкой определенной толщины.
Целевой интерфейс
Установка предназначена для вакуумного нанесения тонких пленок металла с использованием магнетрона на образцы с оптимальными габаритами 48х60 мм. Производительность зависит от конструкции оснастки.
Характеристики курсовой работы
Список файлов

Начать зарабатывать