Курсовая работа: САУ установки пескоструйной резки пластин

Описание

В год конца света по календарю Майя (2012) был выполнен и сдан данный курсовой проект
Чертежи только в PDF

САУ установки пескоструйной резки маскированных кремниевых пластин »


Москва, 2012г.


Оглавление


Аннотация 3

Введение 4

1. Устройство экспериментальной установки пескоструйной резки 5

2. Выявление недостатков конструкции установки и пути их устранения 7

3. Механизм подачи рабочих сопел (механизм сканирования) 8

4. Транспортер цепной для подачи кассет 9

5. Система нагрева абразивного материала 10

6. Система вибрации бункера 11

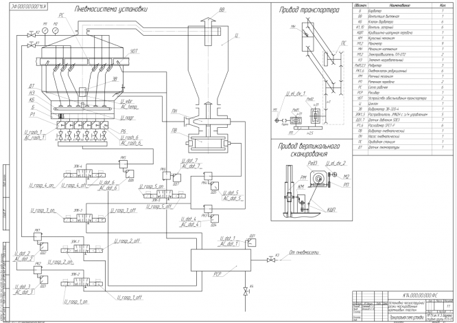
7. Пневмосистема 12

7.1. Назначение и работа пневмосистемы установки 12

7.2. Описание элементов пневмосистемы 13

7.2.1. Редукционные клапаны 13

7.2.2. Распределители 13

7.2.3. Датчики давления 15

7.2.4. Расходомеры 16

7.2.5. Запорные вентили 17

7.2.6. Манометры 17

8. Процессы 18

1. Операция «Общий пуск» 19

2. Операция «Подача сжатого воздуха» 19

3. Процесс «Формирование струи абразивного материала» 19

4. Процесс «Настройка установки» 25

5. Процесс «Обработка пластин» 30

9. Система электропитания и управления SPU 32

9.1. Назначение и работа системы электропитания и управления 32

9.2. Система питания 34

9.2.1. Преобразователь переменного напряжения GWS 500-24 37

9.2.2. Программируемы источник питания GEN300-5-IEEE 37

9.2.3. Программируемый источник питания ZUP36-24/E/W 38

9.3. Система управления 40

9.3.1. Плата релейных выводов PCL-735 40

9.3.2. Универсальная клеменная плата PCLD-880 41

9.3.3. Многофункциональная плата сбора данных с высоким разрешением PCI-1710 43

9.3.4. Клеменная плата PCLD-8710 44

9.3.5. Реле G3NA-205B AC200-240 46

9.3.6. Промышленный компьютер iROBO-4000-51G3R 47

Заключение 49


Аннотация


В курсовом проекте по курсу «Основы проектирования систем автоматического управления оборудования электронных технологий» была разработана система питания и управления установки пескоструйной резки маскированных кремниевых пластин. Графические работы проекта в объеме 6 листов формата А1 выполнены на персональном компьютере в программе КОМПАС 3D V11.0.

Расчетно–пояснительная записка выполнена в среде Microsoft Office Word 2003 и содержит 49 страницы машинописного текста, 36 таблиц и 33 рисунков.

Курсовой проект содержит следующие подразделы:

1). Описание установки пескоструйной резки;

2). Выявление недостатков конструкции установки и пути их устранения;

3). Описание систем установки;

4). Описание алгоритмов работы установки;

5). Описание системы питания и управления установки;

В данной курсовой работе была изучена установка пескоструйной резки маскированных полупроводниковых пластин. Была проведена разработка ее системы питания и управления.



Введение


Процесс пескоструйной резки


На пластину предварительно наклеивается маска-трафарет из набора защитных металлических дисков. Кремний разделяется вдоль этой маски с помощью сжатого воздуха, подаваемого с абразивным порошком. На рис. 1 представлена принципиальная схема пескоструйной обработки пластины.

Для обработки маскированных пластин 8 (рис.1) в пескоструйной камере 4 используют струйно-абразивные сопла 9. Абразивный материал всасывается в каждое сопло 9 из бункера 6 по гибкому трубопроводу за счет разряжения, создаваемого струей сжатого воздуха, выходящего из патрубка 3 в корпус сопла.

Для предотвращения выноса из камеры абразивных частиц с отработанным потоком воздуха на входе вытяжной вентиляции 1 установлен фильтр-отражатель 10 потока абразива.

Характеристики курсовой работы

Список файлов

САУ установки пескоструйной резки пластин
Лист 1.pdf
Лист 2.pdf
Лист 3.pdf
Лист 4.pdf
Лист 5.pdf
Лист 6.pdf
Презентация.ppt
Прочти меня.txt
РПЗ.doc
Картинка-подпись
Зарабатывай на студизбе! Просто выкладывай то, что так и так делаешь для своей учёбы: ДЗ, шпаргалки, решённые задачи и всё, что тебе пригодилось.
Начать зарабатывать

Комментарии

Нет комментариев
Стань первым, кто что-нибудь напишет!
Поделитесь ссылкой:
Цена: 1 200 руб.
Расширенная гарантия +3 недели гарантии, +10% цены
Рейтинг автора
4,79 из 5
Поделитесь ссылкой:
Сопутствующие материалы

Подобрали для Вас услуги

Вы можете использовать курсовую работу для примера, а также можете ссылаться на неё в своей работе. Авторство принадлежит автору работы, поэтому запрещено копировать текст из этой работы для любой публикации, в том числе в свою курсовую работу в учебном заведении, без правильно оформленной ссылки. Читайте как правильно публиковать ссылки в своей работе.
Свежие статьи
Популярно сейчас
Почему делать на заказ в разы дороже, чем купить готовую учебную работу на СтудИзбе? Наши учебные работы продаются каждый год, тогда как большинство заказов выполняются с нуля. Найдите подходящий учебный материал на СтудИзбе!
Ответы на популярные вопросы
Да! Наши авторы собирают и выкладывают те работы, которые сдаются в Вашем учебном заведении ежегодно и уже проверены преподавателями.
Да! У нас любой человек может выложить любую учебную работу и зарабатывать на её продажах! Но каждый учебный материал публикуется только после тщательной проверки администрацией.
Вернём деньги! А если быть более точными, то автору даётся немного времени на исправление, а если не исправит или выйдет время, то вернём деньги в полном объёме!
Да! На равне с готовыми студенческими работами у нас продаются услуги. Цены на услуги видны сразу, то есть Вам нужно только указать параметры и сразу можно оплачивать.
Отзывы студентов
Ставлю 10/10
Все нравится, очень удобный сайт, помогает в учебе. Кроме этого, можно заработать самому, выставляя готовые учебные материалы на продажу здесь. Рейтинги и отзывы на преподавателей очень помогают сориентироваться в начале нового семестра. Спасибо за такую функцию. Ставлю максимальную оценку.
Лучшая платформа для успешной сдачи сессии
Познакомился со СтудИзбой благодаря своему другу, очень нравится интерфейс, количество доступных файлов, цена, в общем, все прекрасно. Даже сам продаю какие-то свои работы.
Студизба ван лав ❤
Очень офигенный сайт для студентов. Много полезных учебных материалов. Пользуюсь студизбой с октября 2021 года. Серьёзных нареканий нет. Хотелось бы, что бы ввели подписочную модель и сделали материалы дешевле 300 рублей в рамках подписки бесплатными.
Отличный сайт
Лично меня всё устраивает - и покупка, и продажа; и цены, и возможность предпросмотра куска файла, и обилие бесплатных файлов (в подборках по авторам, читай, ВУЗам и факультетам). Есть определённые баги, но всё решаемо, да и администраторы реагируют в течение суток.
Маленький отзыв о большом помощнике!
Студизба спасает в те моменты, когда сроки горят, а работ накопилось достаточно. Довольно удобный сайт с простой навигацией и огромным количеством материалов.
Студ. Изба как крупнейший сборник работ для студентов
Тут дофига бывает всего полезного. Печально, что бывают предметы по которым даже одного бесплатного решения нет, но это скорее вопрос к студентам. В остальном всё здорово.
Спасательный островок
Если уже не успеваешь разобраться или застрял на каком-то задание поможет тебе быстро и недорого решить твою проблему.
Всё и так отлично
Всё очень удобно. Особенно круто, что есть система бонусов и можно выводить остатки денег. Очень много качественных бесплатных файлов.
Отзыв о системе "Студизба"
Отличная платформа для распространения работ, востребованных студентами. Хорошо налаженная и качественная работа сайта, огромная база заданий и аудитория.
Отличный помощник
Отличный сайт с кучей полезных файлов, позволяющий найти много методичек / учебников / отзывов о вузах и преподователях.
Отлично помогает студентам в любой момент для решения трудных и незамедлительных задач
Хотелось бы больше конкретной информации о преподавателях. А так в принципе хороший сайт, всегда им пользуюсь и ни разу не было желания прекратить. Хороший сайт для помощи студентам, удобный и приятный интерфейс. Из недостатков можно выделить только отсутствия небольшого количества файлов.
Спасибо за шикарный сайт
Великолепный сайт на котором студент за не большие деньги может найти помощь с дз, проектами курсовыми, лабораторными, а также узнать отзывы на преподавателей и бесплатно скачать пособия.
Популярные преподаватели
Добавляйте материалы
и зарабатывайте!
Продажи идут автоматически
7228
Авторов
на СтудИзбе
249
Средний доход
с одного платного файла
Обучение Подробнее