Курсовая работа: САУ вакуумной установки нанесения тонких плёнок
Описание

Аннотация................................................................................................................................... 3
1. Введение. Описание интерфейсов установки..................................................................... 4
2. Описание комплексной принципиальной схемы................................................................ 6
3. Описание процессной модели............................................................................................... 74. ТЗ и ТП на САУ установкой............................................................................................... 10
5. Документы сопровождающие комплексную принципиальную схему........................... 12
6. Информационный поиск элементов САУ......................................................................... 17
7. Расчет и описание принципиальной электрической схемы............................................ 37
Заключение............................................................................................................................... 36Список литературы.................................................................................................................. 39
Аннотация
Курсовой проект содержит 4 графических листа, выполненных в пакете АСКОН КОМПАС V15. Расчетно-пояснительная записка выполнена в Microsoft Word 2010, содержит 39 листов. В проекте разработана система автоматического управления установкой нанесения тонких пленок металла.
1-ый лист (САУ К6-1-1.00.00.000 ПМ) содержит процессную модель работы САУ. На нем же содержатся 4 алгоритма работы отдельных процессов. Алгоритмы максимально облегчены для более понятного чтения, в РПЗ содержится подробное описание работы САУ.
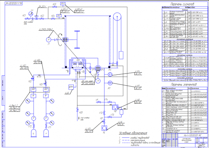
2-ой и 3-ий листы (САУ К6-1-1.00.00.000 ФС) содержат комбинированную функциональную схему установки с указанием всех энергетических и управляющих сигналов, а также схема блочного соединения САУ.
На 4-ом листе (САУ К6-1-1.00.00.000 Э3) представлена принципиальная электрическая схема соединений САУ.
1.Введение. Описание интерфейсов установки
Основной целью курсового проектирования является закрепление знаний, полученных при изучении дисциплины САУ, применение их на практике в процессе разработки документации на САУ установки нанесения тонких пленок металла. Данная установка является установкой лабораторного типа на основе напылительной системы фирмы Balzers. Поставлена задача разработки максимально эффективной САУ с учетом особенностей установки и протекающих процессов.
Общий вид установки представлен ниже:
Рисунок 1 - Общий вид установки
Основными элементами являются:
·Вакуумная система (диффузионный и механический насосы, система клапанов, вакуумные датчики)
·Камера (нержавеющая сталь, цилиндр: ø330 мм, высота 420 мм)
·Газовая система (2 баллона с азотом и кислородом, система клапанов)
·Система приводов (на образец, на заслонки)
Технические требования:
1.Напряжение питания 3 50 Гц, 380 В/ 220 В
2.Давление охлаждающей воды 1,5 атм, расход не менее 0,5 м /ч, температура от 5 до 20 С
3.Сопротивление системы заземления не более 4 Ом
Технические характеристики:
1. Предельное давление в камере - 10 Торр
2. Время достижения в камере давления 10 Торр без прогрева
рабочего объема камеры - порядка 30 мин
3. Ток разряда каждого магнетрона - 0,6..2,2 А
4. Подача рабочих газов (аргон, кислород) с точностью поддержания
заданного расхода - не более 1%
5 Внутренний диаметр камеры - 450 мм
6. Расстояние от оси вращения вакуумного ввода до каждого
из магнетронов и АИИ - 180 мм
Напыляемые образцы крепятся на оснастку внутри камеры, перемещения образцов осуществляется над магнетроном, процесс напыления прекращается по достижении пленкой определенной толщины.
Целевой интерфейс
Установка предназначена для нанесения тонких пленок металла с использованием магнетрона на образцы с оптимальными габаритами 50х30 мм. Производительность зависит от конструкции оснастки.
Механический интерфейс
Габаритные размеры установки: 1240х745х2250 мм. Установка не предъявляет особых требований к фундаменту, механический насос для комфортной работы оператора требует демпфирующих подставок.
Энергетический интерфейс
Питание установки производится от сети с напряжением 220×380 В и частотой 50 Гц. Мощность, потребляемая установкой – 10кВт.
Информационный интерфейс
Информационный интерфейс после разработки САУ будет состоять из процессорного модуля СPU-188-5 фирмы Fastwell, который монтируется в корпусе в стойку. К данному модулю через соответствующие интерфейсы присоединяются локальные микроконтроллеры управления шаговыми двигателями, управления работой магнетронов, панель оператора, система ввода информации (клавиатура).
Предусмотрена работа как в автоматическом режиме, так и в режиме полуавтомата, с контролем действий оператора.
Характеристики курсовой работы
Список файлов

Начать зарабатывать