Для студентов МГТУ им. Н.Э.Баумана по предмету Системы автоматического управления (САУ) (МТ-11)Пост для термовакуумной обработки деталей ЭОППост для термовакуумной обработки деталей ЭОП
4,79523153
2017-12-22СтудИзба

Курсовая работа: Пост для термовакуумной обработки деталей ЭОП

Описание

Курсовой проект по САУ (Системы автоматического управления), который был выполнен в 2015-м году

Курсовой проект


На тему: «Пост для термовакуумной обработки деталей ЭОП »



Расчетно-пояснительная записка


Москва 2015 г.

Оглавление

Аннотация. 3

Введение. 4

1. Описание установки. 5

1.1. Технические требования. 5

1.2. Технические данные: 5

1.3. Устройство и работа поста. 6

2. Описание процессной модели. 9

2.1 Перечень целевых процессов. 9

2.2 Целевые функции. 10

2.3 Сервисные функции. 11

2.4 Функции коррекции цели. 12

3. Описание комплексно-принципиальной схемы поста. 13

4. Информационный поиск элементов САУ и исполнительных механизмов. 14

Заключение. 28

Список использованной литературы.. 29




Аннотация

Ключевые слова: УСТАНОВА ТЕРМОВАКУУМНОЙ ОБРАБОТКИ, ЭОП, ОТКАЧНОЙ ПОСТ, СИСТЕМА АВТОМАТИЧЕСКОГО УПРАВЛЕНИЯ, КОНТРОЛЛЕР.

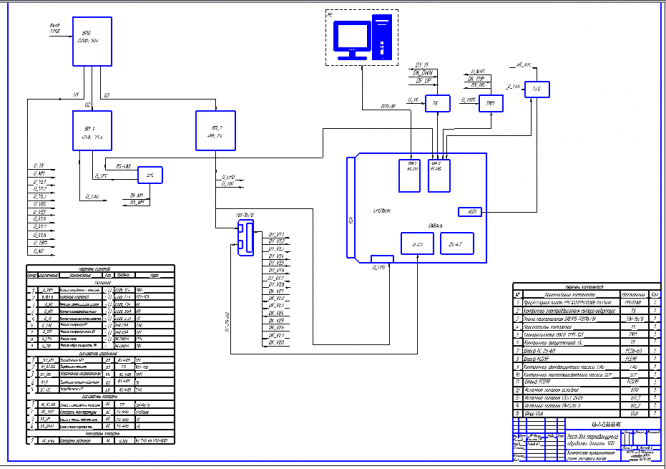
Графическая часть проекта представляет собой 4 листа формата А1. Графическая часть проекта выполнена в системе КОМПАС-3D V15.

Расчетно-пояснительная записка выполнена в среде Microsoft Office Word 2010.

1-й лист (ПМ) содержит процессную модель работы САУ.

2-й и 3-й листы (ФС) содержат комбинированную функциональную схему установки с указанием всех энергетических и управляющих сигналов.

На 4-ом листе (ЭЗ) представлена принципиальная электрическая схема соединений САУ.



Введение

Автоматизация производства – это процесс в развитии машинного производства, при котором функции управления и контроля, ранее выполнявшиеся человеком, передаются приборам и автоматическим устройствам. Автоматизация производства - это основа развития современной промышленности, генеральное направление технического прогресса. Его целью является повышение эффективности труда, улучшение качества выпускаемой продукции, создание условий для оптимального использования всех ресурсов производства. Без управляющей электроники уже не может обойтись ни одна отрасль промышленности, особенно электронное машиностроение, где необходимо управление множеством технологических параметров при высочайшей точности и жестких требованиях к соблюдению технологии.

Основной целью курсового проектирования является закрепление знаний, полученных при изучении дисциплины САУ, применение их на практике в процессе разработки документации на САУ установки плазменно-кластерного напыления покрытий. Поставлена задача разработки максимально эффективной САУ с учетом особенностей установки и протекающих процессов. Для упрощения работы оператора и повышения производительности предложен вариант полностью автоматизированной установки вместо существующей установки с ручным управлением.

Целью данного курсового проекта является овладение навыками, методами и средствами комплексных разработок механических и электронных компонентов оборудования САУ, а также правилами и методами составления технического задания на программное обеспечение САУ.

Задачи проекта:

  • распределение функций машины между различными компонентами и обоснование этих функций;
  • постановка четких технических заданий перед разработчиками отдельных компонентов;
  • выбор оборудования, необходимого для автоматической работы установки;
  • выполнение технической документации на электронные компоненты.





1. Описание комплексной принципиальной схемы механики поста

Целью данного курсового проекта является разработка системы автоматизированного управления откачного поста.


Рисунок 1 – Конструкция откачного поста.


Данный пост для термовакуумной обработки деталей ЭОП предназначен для отжига деталей, а также для финишной откачки и герметизации прибора в технологическом объеме.

1.1. Технические требования

Пост выполнен для эксплуатации в условиях умеренного климата в помещении 4.1 категории по ГОСТ 15150-69.

Питание поста осуществляется переменным током, напряжением 220 В, частоты 50 Гц.

1.2. Технические данные:

Максимальная потребляемая мощность не более 10 кВт.

Предельная величина вакуума в чистой системе 2*10-7 Па.

Максимальная допустимая температура обезгаживания коллектора 380 ºС.

Максимальная температура в рабочей зоне печи активирования 480 ºС.

Мощность печи активирования – 7,5 кВт.

1.3. Устройство и работа поста

Пост позволяет получить давление 5*10-7 Па и производить технологическую обработку изделий. Изделия напаиваются на стеклянные откачные штенгели вентилей 1-5 (рис. 2) коллектора и откачивается до заданного давления, после чего производится технологическая обработка изделий с использованием печи активирования, генератор высокой частоты, блок формирования фотокатода с ламповым гальванометром.

В посту предусмотрена возможность регистрации и поддержания температуры печи активирования и нагревателя коллектора вакуумной системы, а также контроль давления в системе.

Пост откачной состоит из следующих основных частей:

а) корпуса;

б) вакуумной системы;

в) печи активирования;

г) механизма подъема.

1) Корпус поста (рис. 1) представляет собой сварной металлический каркас, имеющий переднюю и заднюю двери, а также листы укрытия, установленные на винтах.

Столешница корпуса служит поддоном для печи активирования и

Характеристики курсовой работы

Список файлов

Пост для термовакуумной обработки деталей ЭОП
Презентация.pptx
Прочти меня.txt
САУ.docx
Чертёжики.frw
Картинка-подпись
Зарабатывай на студизбе! Просто выкладывай то, что так и так делаешь для своей учёбы: ДЗ, шпаргалки, решённые задачи и всё, что тебе пригодилось.
Начать зарабатывать

Комментарии

Нет комментариев
Стань первым, кто что-нибудь напишет!
Поделитесь ссылкой:
Цена: 1 200 руб.
Расширенная гарантия +3 недели гарантии, +10% цены
Рейтинг автора
4,79 из 5
Поделитесь ссылкой:
Сопутствующие материалы

Подобрали для Вас услуги

-20%
Вы можете использовать курсовую работу для примера, а также можете ссылаться на неё в своей работе. Авторство принадлежит автору работы, поэтому запрещено копировать текст из этой работы для любой публикации, в том числе в свою курсовую работу в учебном заведении, без правильно оформленной ссылки. Читайте как правильно публиковать ссылки в своей работе.
Свежие статьи
Популярно сейчас
Зачем заказывать выполнение своего задания, если оно уже было выполнено много много раз? Его можно просто купить или даже скачать бесплатно на СтудИзбе. Найдите нужный учебный материал у нас!
Ответы на популярные вопросы
Да! Наши авторы собирают и выкладывают те работы, которые сдаются в Вашем учебном заведении ежегодно и уже проверены преподавателями.
Да! У нас любой человек может выложить любую учебную работу и зарабатывать на её продажах! Но каждый учебный материал публикуется только после тщательной проверки администрацией.
Вернём деньги! А если быть более точными, то автору даётся немного времени на исправление, а если не исправит или выйдет время, то вернём деньги в полном объёме!
Да! На равне с готовыми студенческими работами у нас продаются услуги. Цены на услуги видны сразу, то есть Вам нужно только указать параметры и сразу можно оплачивать.
Отзывы студентов
Ставлю 10/10
Все нравится, очень удобный сайт, помогает в учебе. Кроме этого, можно заработать самому, выставляя готовые учебные материалы на продажу здесь. Рейтинги и отзывы на преподавателей очень помогают сориентироваться в начале нового семестра. Спасибо за такую функцию. Ставлю максимальную оценку.
Лучшая платформа для успешной сдачи сессии
Познакомился со СтудИзбой благодаря своему другу, очень нравится интерфейс, количество доступных файлов, цена, в общем, все прекрасно. Даже сам продаю какие-то свои работы.
Студизба ван лав ❤
Очень офигенный сайт для студентов. Много полезных учебных материалов. Пользуюсь студизбой с октября 2021 года. Серьёзных нареканий нет. Хотелось бы, что бы ввели подписочную модель и сделали материалы дешевле 300 рублей в рамках подписки бесплатными.
Отличный сайт
Лично меня всё устраивает - и покупка, и продажа; и цены, и возможность предпросмотра куска файла, и обилие бесплатных файлов (в подборках по авторам, читай, ВУЗам и факультетам). Есть определённые баги, но всё решаемо, да и администраторы реагируют в течение суток.
Маленький отзыв о большом помощнике!
Студизба спасает в те моменты, когда сроки горят, а работ накопилось достаточно. Довольно удобный сайт с простой навигацией и огромным количеством материалов.
Студ. Изба как крупнейший сборник работ для студентов
Тут дофига бывает всего полезного. Печально, что бывают предметы по которым даже одного бесплатного решения нет, но это скорее вопрос к студентам. В остальном всё здорово.
Спасательный островок
Если уже не успеваешь разобраться или застрял на каком-то задание поможет тебе быстро и недорого решить твою проблему.
Всё и так отлично
Всё очень удобно. Особенно круто, что есть система бонусов и можно выводить остатки денег. Очень много качественных бесплатных файлов.
Отзыв о системе "Студизба"
Отличная платформа для распространения работ, востребованных студентами. Хорошо налаженная и качественная работа сайта, огромная база заданий и аудитория.
Отличный помощник
Отличный сайт с кучей полезных файлов, позволяющий найти много методичек / учебников / отзывов о вузах и преподователях.
Отлично помогает студентам в любой момент для решения трудных и незамедлительных задач
Хотелось бы больше конкретной информации о преподавателях. А так в принципе хороший сайт, всегда им пользуюсь и ни разу не было желания прекратить. Хороший сайт для помощи студентам, удобный и приятный интерфейс. Из недостатков можно выделить только отсутствия небольшого количества файлов.
Спасибо за шикарный сайт
Великолепный сайт на котором студент за не большие деньги может найти помощь с дз, проектами курсовыми, лабораторными, а также узнать отзывы на преподавателей и бесплатно скачать пособия.
Популярные преподаватели
Добавляйте материалы
и зарабатывайте!
Продажи идут автоматически
6984
Авторов
на СтудИзбе
262
Средний доход
с одного платного файла
Обучение Подробнее
{user_main_secret_data}