Для студентов МГТУ им. Н.Э.Баумана по предмету Системы автоматического управления (САУ) (МТ-11)Микрофрезерный станокМикрофрезерный станок
4,78522602
2017-12-22СтудИзба

Курсовая работа: Микрофрезерный станок

Описание

Курсовой проект по САУ (Системы автоматического управления), который был выполнен в 2015-м году

ОГЛАВЛЕНИЕ

ВВЕДЕНИЕ............................................................................................................ 4

1 Задание........................................................................................................ 5

2 Устройство станка................................................................................. 6

2.1 Описание электрической части установки........................... 6

2.2 Шпиндель................................................................................................. 7

3 КПС станка.................................................................................................. 8

3.1 Перечень элементов........................................................................... 8

3.2 Перечень потоков и сигналов....................................................... 8

3.3 Микроконтроллер.............................................................................. 10

3.4 Блок энергоавтоматики................................................................ 11

3.5 Типы ключевых элементов.......................................................... 11

3.6 Способы включения обмоток..................................................... 12

3.6.1 Порядок коммутации фаз.......................................................... 13

3.7 Стабилизация токов........................................................................ 14

3.8 Концевые датчики............................................................................ 17

4 Плата драйвера шаговых двигателей........................................ 19

4.1 Выбор схемы драйвера шаговых двигателей...................... 19

5 Коммутационная плата.................................................................... 23

5.1 Схема коммутационной платы................................................. 23

5.2 Разводка коммутационной платы........................................... 25

6 Разработка программного обеспечения.................................... 28

6.1 Разработка ПО для микроконтроллера CPU188-5MX............. 29

6.2 Процедура чтения файла G-code................................................ 30

ЗАКЛЮЧЕНИЕ.................................................................................................... 32

СПИСОК ЛИТЕРАТУРЫ.................................................................................... 33




ВВЕДЕНИЕ

Микрофрезерный станок относится к вертикально-фрезерным станкам, предназначен для гравировки, фрезерования и сверления материалов широкой номенклатуры: мрамор, текстолит, сталь, алюминий, стекло, пластики и т.д. Управление может быть ручным, автоматизированным или осуществляться с помощью системы ЧПУ(CNC).

Управление разрабатываемым станком осуществляется посредством числового программного управления. САУ станка считывает инструкцию, написанную на специализированном языке G-code, который интерпретируется посредством специального ПО из CAD-файлов.

Микрофрезерный станок включает в себя блок энергоавтоматики, непосредственно станок и персональный компьютер. В сумме все это позволяет выполнять гравировку, фрезерование, сверление с высокой точностью и производительностью.



Микрофрезерный станок состоит из электрической и механической составляющих.

Устройство механической составляющей:

На раму закреплен модуль линейного перемещения закрытого типа со столом для закрепления заготовки. На вертикальную стойку рамы закреплен модуль линейного перемещения, к каретке которого так же закреплен модуль линейного перемещения со шпинделем для закрепления заготовки. Шпиндель совершает перемещение по двум координатам: горизонтальной У и вертикальной Z, а стол по одной – горизонтальной Х. Шаговые двигатели приводят в движения винты шарико-винтовых передач модулей линейного перемещения.

Электрическая составляющая микрофрезерного станка состоит из блока энергоавтоматики, включающего в себя коммутационную плату, плату драйвера ШД и блок питания, и персонального компьютера.

  1. Описание электрической части установки

В микрофрезерном станке используются шаговые двигатели двух моделей: ДШИ-200-3 (перемещение по осям X и Y) и ДШИ-200-2 (перемещение по оси Z). Паспортные данные этих двигателей приведены в таблице 1.

Таблица 1 - Паспортные данные двигателей ДШИ-200

Параметры

200-3

200-2

Номинальный ток питания в фазе, А

1,5

Максимально допустимый ток в фазе, А

2

Сопротивление фазных обмоток, Ом

3,35

2,1

Индуктивность фазных обмоток, мГ (не более)

6,2

3,0

Максимальный статический синхронизирующий момент, Н·м

0,84

0,46

Максимальная частота приемистости, Гц (не менее)

1000

Единичный шаг, град. и статическая погрешность отработки шага

1,8 (±3%)

Максимальная потребляемая мощность, Вт (не более)

16,7

11,8

Электрическая схема электродвигателя представлена на рисунке 1.

Рисунок 1 - Электрическая схема шаговых двигателей ДШИ-200

  1. Шпиндель

В качестве шпинделя используется двигатель ДПР-62-Н1-02 с цанговой головкой. Изображение двигателя представлено на рисунке 2.

Рисунок 2 - Двигатель ДПР-62-Н1-02

Технические характеристики двигателя ДПР-62-Н1-02:
• Напряжение питания, В ...... 27;
• Номинальная мощность, Вт ...... 6,15;
• Частота вращения, об/мин ...... 6000;
• Номинальный вращающий момент, мН*м ...... 9,8;
• Пусковой момент, мН*м ...... 68,7;
• Потребляемый ток, А ...... 0,5;
• Пусковой ток, А ...... 5,5;
• Коэффициент полезного действия, % ...... 46.
• Гарантийная наработка, ч ..... 1000
• Масса, кг ...... 0,41

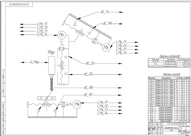
Комплексная принципиальная схема (КПС) должна отображать ресурсы машины и согласовывать их между собой. Комплексная принципиальная схема (Ресурсная модель) установки изображена на 2 листах: «Комплексная принципиальная схема установки» - механическая часть КПС, «Комплексная принципиальная схема» (Лист 2) – система управления со всеми входными и выходными сигналами.

Комплексная принципиальная схема системы энергообеспечения изображена совмещенной с КПС системы управления и состоит из CPU188-5, блока питания, блока управления и персонального компьютера.

Уровни потоков выбирались исходя из требований к энергообеспечению шаговых двигателей, концевых выключателей, системы контроля и стандарта RS-232.

  1. Перечень элементов

Таблица 2 - Перечень элементов, входящих в КПС

Обозначение

элемента

Наименование элемента

Кол-во

Примечание

Мх, Му

Шаговый двигатель

2

ДШИ-200-1-1

Мz

Шаговый двигатель

1

ДШИ-200-1-3

Sx_L, Sx_R, Sy_L, Sy_R, Sz_U, Sz_D

Концевой выключатель

6

EMAS L52

Msh

Шпиндельная головка

1

ДПР-62-Н1-02

  1. Перечень потоков и сигналов

В таблице 3 перечислены потоки и сигналы, входящие в КПС.

Характеристики курсовой работы

Список файлов

Микрофрезерный станок
comm_plata.lay
Презентация.pptx
Прочти меня.txt
САУ.docx
Титульный лист.doc
Чертёж (1).PDF
Чертёж (1).SLDDRW
Чертёж (2).PDF
Чертёж (2).SLDDRW
Чертёж (3).PDF
Чертёж (3).SLDDRW
Чертёж (4).PDF
Чертёж (4).SLDDRW
Чертёж (5).PDF
Чертёж (5).SLDDRW
Чертёж (6).PDF
Чертёж (6).SLDDRW
Картинка-подпись
Зарабатывай на студизбе! Просто выкладывай то, что так и так делаешь для своей учёбы: ДЗ, шпаргалки, решённые задачи и всё, что тебе пригодилось.
Начать зарабатывать

Комментарии

Нет комментариев
Стань первым, кто что-нибудь напишет!
Поделитесь ссылкой:
Цена: 1 200 руб.
Расширенная гарантия +3 недели гарантии, +10% цены
Рейтинг автора
4,78 из 5
Поделитесь ссылкой:
Сопутствующие материалы

Подобрали для Вас услуги

-27%
-29%
3d-моделирование
7 000 4 999 руб.
Вы можете использовать курсовую работу для примера, а также можете ссылаться на неё в своей работе. Авторство принадлежит автору работы, поэтому запрещено копировать текст из этой работы для любой публикации, в том числе в свою курсовую работу в учебном заведении, без правильно оформленной ссылки. Читайте как правильно публиковать ссылки в своей работе.
Свежие статьи
Популярно сейчас
Зачем заказывать выполнение своего задания, если оно уже было выполнено много много раз? Его можно просто купить или даже скачать бесплатно на СтудИзбе. Найдите нужный учебный материал у нас!
Ответы на популярные вопросы
Да! Наши авторы собирают и выкладывают те работы, которые сдаются в Вашем учебном заведении ежегодно и уже проверены преподавателями.
Да! У нас любой человек может выложить любую учебную работу и зарабатывать на её продажах! Но каждый учебный материал публикуется только после тщательной проверки администрацией.
Вернём деньги! А если быть более точными, то автору даётся немного времени на исправление, а если не исправит или выйдет время, то вернём деньги в полном объёме!
Да! На равне с готовыми студенческими работами у нас продаются услуги. Цены на услуги видны сразу, то есть Вам нужно только указать параметры и сразу можно оплачивать.
Отзывы студентов
Ставлю 10/10
Все нравится, очень удобный сайт, помогает в учебе. Кроме этого, можно заработать самому, выставляя готовые учебные материалы на продажу здесь. Рейтинги и отзывы на преподавателей очень помогают сориентироваться в начале нового семестра. Спасибо за такую функцию. Ставлю максимальную оценку.
Лучшая платформа для успешной сдачи сессии
Познакомился со СтудИзбой благодаря своему другу, очень нравится интерфейс, количество доступных файлов, цена, в общем, все прекрасно. Даже сам продаю какие-то свои работы.
Студизба ван лав ❤
Очень офигенный сайт для студентов. Много полезных учебных материалов. Пользуюсь студизбой с октября 2021 года. Серьёзных нареканий нет. Хотелось бы, что бы ввели подписочную модель и сделали материалы дешевле 300 рублей в рамках подписки бесплатными.
Отличный сайт
Лично меня всё устраивает - и покупка, и продажа; и цены, и возможность предпросмотра куска файла, и обилие бесплатных файлов (в подборках по авторам, читай, ВУЗам и факультетам). Есть определённые баги, но всё решаемо, да и администраторы реагируют в течение суток.
Маленький отзыв о большом помощнике!
Студизба спасает в те моменты, когда сроки горят, а работ накопилось достаточно. Довольно удобный сайт с простой навигацией и огромным количеством материалов.
Студ. Изба как крупнейший сборник работ для студентов
Тут дофига бывает всего полезного. Печально, что бывают предметы по которым даже одного бесплатного решения нет, но это скорее вопрос к студентам. В остальном всё здорово.
Спасательный островок
Если уже не успеваешь разобраться или застрял на каком-то задание поможет тебе быстро и недорого решить твою проблему.
Всё и так отлично
Всё очень удобно. Особенно круто, что есть система бонусов и можно выводить остатки денег. Очень много качественных бесплатных файлов.
Отзыв о системе "Студизба"
Отличная платформа для распространения работ, востребованных студентами. Хорошо налаженная и качественная работа сайта, огромная база заданий и аудитория.
Отличный помощник
Отличный сайт с кучей полезных файлов, позволяющий найти много методичек / учебников / отзывов о вузах и преподователях.
Отлично помогает студентам в любой момент для решения трудных и незамедлительных задач
Хотелось бы больше конкретной информации о преподавателях. А так в принципе хороший сайт, всегда им пользуюсь и ни разу не было желания прекратить. Хороший сайт для помощи студентам, удобный и приятный интерфейс. Из недостатков можно выделить только отсутствия небольшого количества файлов.
Спасибо за шикарный сайт
Великолепный сайт на котором студент за не большие деньги может найти помощь с дз, проектами курсовыми, лабораторными, а также узнать отзывы на преподавателей и бесплатно скачать пособия.
Популярные преподаватели
Добавляйте материалы
и зарабатывайте!
Продажи идут автоматически
6845
Авторов
на СтудИзбе
274
Средний доход
с одного платного файла
Обучение Подробнее