Курсовая работа: Установка нанесения тонких плёнок
Описание

«Установка нанесения тонких пленок »
Москва, 2014 г
ЗАДАНИЕ
на курсовой проект по курсу «Основы проектирования систем автоматического управления оборудования электронных технологий».
Тема проекта: Установка нанесения тонких пленок
1. Проработать описание работы машины, выбрать и обосновать состав его основных целевых функций, сервисных функций.
2. Разработать комплексную принципиальную схему, как совокупность системы целевых механизмов, системы их энергообеспечения и системы управления, связанных материальными, энергетическими и информационными потоками.
3. Описать механический, энергетический и информационный интерфейс компонентов машины. Дать техническое задание и техническое предложение на САУ и основные элементы машины.
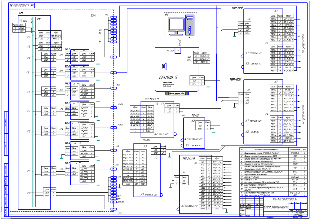
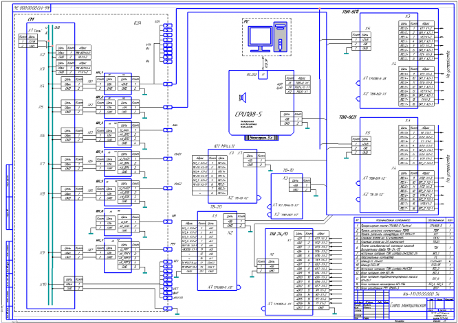
4. Разработать принципиальную электрическую схему элемента САУ или САУ в целом.
Содержание графической части.
- Процессная модель машины..................................................1 л.
- Комплексная принципиальная схема....................................2 л.
- Принципиальная электрическая схема..................................1 л.
Содержание расчетно-пояснительной записки.
- Реферат. Введение. Описание целевого, механического и энергетического интерфейса спроектированной технологической машины.
- Описание процессной модели. Выбор и обоснование целевых, сервисных функций.
- Техническое задание и техническое предложение на систему управления машины по приведенной в Приложении 1 форме.
- Описание комплексной принципиальной схемы ФС. Обоснование структурно-компоновочного решения, выбор и согласование уровней потоков элементов.
- Документы, сопровождающие комплексную принципиальную схему:
-перечень элементов ПЭ;
-перечень потоков и сигналов ПС;
- Информационный поиск датчиков и исполнительных элементов машины и ее САУ, описание целевого, механического, энергетического и информационного интерфейса этих элементов ОЭ.
- Заключение.
Реферат
к расчетно-пояснительной записке по курсовому проекту:
Системы автоматического управления технологического оборудования
Записка содержит 50 страницы, 25 рисунков, 3 таблицы.
Ключевые слова:
ВАКУУМНАЯ, НАПЫЛЕНИЕ, МАГНЕТРОН, ИСТОЧНИК ИОНОВ
Графические работы в объеме 4 листов А1 выполнены на ПК с помощью программы Компас – 3DV15.
Записка выполнена с использованием среды Word 2013.
Целью данного курсового проекта является разработка системы автоматического управления установкой вакуумного напыления.
Задачей проекта является закрепление знаний и умений, полученных в лекционных курсах, а также приобретение навыков разработки структуры машины, как перечня подсистем и элементов машины, способа их объединения в систему и способа взаимодействия.
Курсовой проект содержит следующие подразделы:
1) Комплексная принципиальная схема (КПС) установки, включающая разработку КПС механической части, КПС системы питания и управления.
2) Процессная модель.
Проведен необходимый анализ подсистем установки, разработан алгоритм рабочего цикла установки.
Содержание
1. Введение. Описание установки..……………………………..5
2. Описание интерфейсов установки…..……………………….8
3. Описание комплексной принципиальной схемы…….....…8
4. Описание процессной модели…………………………………9
5. ТЗ и ТП на САУ установки………………………………….15
6. Информационный поиск элементов САУ……....…..……..20
7. Компоненты установки……...……………………………….23
Заключение…………..……………………………………….......40
Список литературы……………….……………………………..41
Приложения…………………..…………………………………..42
- Введение
Автоматизация различного вида оборудования применяется широкомасштабно не только на производстве, но и для лабораторных исследований. И в том, и в другом случае автоматизация позволяет облегчить работу оператора, сделать процессы управления и контроля более удобными и наглядными, а также существенно повысить точность соблюдения параметров проведения технологических процессов.
При проектировании САУ необходимо внимательно изучить и продумать все возможные варианты применения САУ в данной конструкции с целью выбора оптимального из них по нескольким критериям: степень автоматизации, сложность изготовления и эксплуатации, цена. Также при проектировании следует использовать элементы и модули, которые впоследствии можно будет без особых проблем заменить и доработать. Это несколько удорожает систему в целом на первоначальном этапе, но вполне окупается в процессе эксплуатации, поскольку через несколько лет не придётся полностью заменять систему по причине её полного морального или физического старения.
Целью курсового проекта является овладение навыками, методами и средствами комплексных разработок механических и электронных компонентов оборудования САУ.
В задачи проекта входят:
- распределение функций машины между различными компонентами и обоснование этих функций;
- постановка четких технических заданий перед разработчиками отдельных компонентов;
- выполнение технической документации на электронные компоненты.
Характеристики курсовой работы
Список файлов

Начать зарабатывать