Для студентов МГТУ им. Н.Э.Баумана по предмету Системы автоматического управления (САУ) (МТ-11)Автоматизированная напылительная установкаАвтоматизированная напылительная установка
4,78522903
2017-12-22СтудИзба

Курсовая работа: Автоматизированная напылительная установка

Описание

Этот курсовой проект сдавался в 1999-м году

На листах слетели шрифты

ЗАДАНИЕ

на курсовой проект по системам автоматического управления оборудования электронных технологий.


1. Проработать описание работы машины, выбрать и обосновать состав ее основных целевых функций, сервисных функций, функций коррекции цели.

2. Разработать комплексную принципиальную схему, как совокупность системы целевых механизмов, системы их энергообеспечения и системы управления, связанных материальными, энергетическими и информационными потоками.

3. Описать механический, энергетический и информационный интерфейс компонентов машины. Составить технические задания на проработку отдельных компонентов.

4. На уровне эскизного и рабочего проекта проработать предложенный компонент САУ.

Содержание графической части.

  1. Процессная модель ………….................................................1 л.
  2. Комплексная принципиальная схема....................................2 л.
  3. _______________________________

_______________________________________

_______________________________________.....................................1 л.


Содержание расчетно-пояснительной записки

  1. Аннотация.
  2. Описание процессной модели. Выбор и обоснование целевых, сервисных функций, и функций коррекции цели.
  3. Описание комплексной принципиальной схемы.
  4. Технические задания на элементы и узлы машины.
  5. __________________________________________________

(Описание предложенных к проработки элементов САУ0).

  1. Заключение.







Московский Государственный Технический Университет

им. Н.Э. Баумана

Кафедра: Электронное машиностроение








кУрсовой проект



по САУ

На тему: «Автоматизированная напылительная установка»


I. Разработка автоматической системы управления.


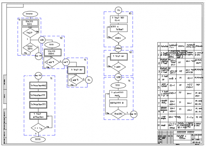
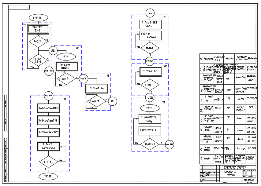
Система автоматического управления (САУ) предназначена для освобождения оператора от непосредственного участия в производственном процессе, а следовательно, повышении степени непрерывности процесса производства. Автоматизацию производственных процессов проводят по двум направлениям: внедрение нового более совершенного оборудования, механизмов, технологических процессов; модернизацию действующего оборудования. В нашем случае для создания САУ необходимо используется два этих направления. Технология нанесения покрытия разделяется на следующие операции:

  • загрузка заготовок;
  • формирование низкого вакуума;
  • формирование высокого вакуума;
  • ионная очистка;
  • напуск рабочего газа Аr;
  • осаждение МоS2;
  • контроль изменения сопротивления;
  • напуск воздуха в ВК;
  • выгрузка.



1. Анализ и выбор физических принципов

проведения процесса.


  • Загрузка заготовок осуществляется в ручную. В приводе вращения предусмотрено специальный зажим.
  • Формирование низкого вакуума происходит после подачи питания на механический насос. Подача питания осуществляется электромагнитным пускателем, который управляется сигналом поступающий с клавиатуры ПК. Процесс идет до тех пор пока давление в камере не достигнет определенного значения вакуума (Р£1 Па), позволяющего включить диффузионный насос.
  • Формирование высокого вакуума осуществляется с помощью диффузионного насоса. Клапаны VE1.1-1.2 должны быть открыты (см. лист 2, комплексная схема установки). Давление в камере контролируется терморезистивным и магниторазрядными датчиками, сигналы которых преобразуются блоком БПДВ-8. По достижению определенного(Р£10-2 Па) давления начинается следующий процесс.
  • Ионная очистка управляется контролером ионной очистки (КИО). После окончания процесса сигнал с КИО поступает на микропроцессор (МК).
  • Напуск рабочего газа происходит после открывания клапана VE4. Поток газа регулируется в ручную натекателем VF3 (поток газа устанавливается по мере необходимости).
  • Распыление МоS2 с помощью магнетрона осуществляется автоматически после подачи рабочего газа в камеру, при определенном давлении. Процесс длится примерно от 30 мин. до 1 часа, при этом заготовка должна вращаться для этого вкл. привод вращения.
  • Толщина покрытия, контролируется с помощью «свидетеля» и блока измерение сопротивления. При достижении заданного сопротивления процесс напыления должен быть прекращен.
  • Напуск воздуха осуществляется посредством натекателя VF1. Производится в ручную.
  • Выгрузка заготовок осуществляется в ручную после остывания образцов.

Критерии начала и конца операций смотри на первом графическом листе.






2.Выбор управляющих и управляемых переменных.


В качестве контролируемых переменных будем использовать следующие:

  • сигнал с датчика D1 наличия воды;
  • сигнал с датчика D2 наличия воды;
  • сигнал с датчика низкого вакуума;
  • сигнал с датчика высокого вакуума;
  • сигнал с БR.


В качестве управляющих используются:

  • сигнал включения магнетрона;
  • сигнал включения мех. насоса;
  • сигнал включения диф. насоса;
  • сигнал включение клапана VE1;
  • сигнал включение клапана VE2;
  • сигнал включение клапана VE4;
  • сигнал КИО «очистить» CL;
  • сигнал включение электродвигателя привода вращения;
  • сигнал включение КИО «готово».



3. Выбор сервисных процессов.


К сервисным процессам в данном случае можно отнести: индикацию процессов, времени нанесения покрытия и заданное заранее значение сопротивления т.к. это создает удобство в работе и контроле за процессами происходящими в ВК.


Характеристики курсовой работы

Список файлов

Автоматизированная напылительная установка
ALGARITM.DWG
L2.DWG
L4.DWG
O2.DWG
ЗАДАНИЕ КП6.DOC
Прочти меня.txt
Картинка-подпись
Зарабатывай на студизбе! Просто выкладывай то, что так и так делаешь для своей учёбы: ДЗ, шпаргалки, решённые задачи и всё, что тебе пригодилось.
Начать зарабатывать

Комментарии

Нет комментариев
Стань первым, кто что-нибудь напишет!
Поделитесь ссылкой:
Цена: 1 200 руб.
Расширенная гарантия +3 недели гарантии, +10% цены
Рейтинг автора
4,78 из 5
Поделитесь ссылкой:
Сопутствующие материалы

Подобрали для Вас услуги

Вы можете использовать курсовую работу для примера, а также можете ссылаться на неё в своей работе. Авторство принадлежит автору работы, поэтому запрещено копировать текст из этой работы для любой публикации, в том числе в свою курсовую работу в учебном заведении, без правильно оформленной ссылки. Читайте как правильно публиковать ссылки в своей работе.
Свежие статьи
Популярно сейчас
Почему делать на заказ в разы дороже, чем купить готовую учебную работу на СтудИзбе? Наши учебные работы продаются каждый год, тогда как большинство заказов выполняются с нуля. Найдите подходящий учебный материал на СтудИзбе!
Ответы на популярные вопросы
Да! Наши авторы собирают и выкладывают те работы, которые сдаются в Вашем учебном заведении ежегодно и уже проверены преподавателями.
Да! У нас любой человек может выложить любую учебную работу и зарабатывать на её продажах! Но каждый учебный материал публикуется только после тщательной проверки администрацией.
Вернём деньги! А если быть более точными, то автору даётся немного времени на исправление, а если не исправит или выйдет время, то вернём деньги в полном объёме!
Да! На равне с готовыми студенческими работами у нас продаются услуги. Цены на услуги видны сразу, то есть Вам нужно только указать параметры и сразу можно оплачивать.
Отзывы студентов
Ставлю 10/10
Все нравится, очень удобный сайт, помогает в учебе. Кроме этого, можно заработать самому, выставляя готовые учебные материалы на продажу здесь. Рейтинги и отзывы на преподавателей очень помогают сориентироваться в начале нового семестра. Спасибо за такую функцию. Ставлю максимальную оценку.
Лучшая платформа для успешной сдачи сессии
Познакомился со СтудИзбой благодаря своему другу, очень нравится интерфейс, количество доступных файлов, цена, в общем, все прекрасно. Даже сам продаю какие-то свои работы.
Студизба ван лав ❤
Очень офигенный сайт для студентов. Много полезных учебных материалов. Пользуюсь студизбой с октября 2021 года. Серьёзных нареканий нет. Хотелось бы, что бы ввели подписочную модель и сделали материалы дешевле 300 рублей в рамках подписки бесплатными.
Отличный сайт
Лично меня всё устраивает - и покупка, и продажа; и цены, и возможность предпросмотра куска файла, и обилие бесплатных файлов (в подборках по авторам, читай, ВУЗам и факультетам). Есть определённые баги, но всё решаемо, да и администраторы реагируют в течение суток.
Маленький отзыв о большом помощнике!
Студизба спасает в те моменты, когда сроки горят, а работ накопилось достаточно. Довольно удобный сайт с простой навигацией и огромным количеством материалов.
Студ. Изба как крупнейший сборник работ для студентов
Тут дофига бывает всего полезного. Печально, что бывают предметы по которым даже одного бесплатного решения нет, но это скорее вопрос к студентам. В остальном всё здорово.
Спасательный островок
Если уже не успеваешь разобраться или застрял на каком-то задание поможет тебе быстро и недорого решить твою проблему.
Всё и так отлично
Всё очень удобно. Особенно круто, что есть система бонусов и можно выводить остатки денег. Очень много качественных бесплатных файлов.
Отзыв о системе "Студизба"
Отличная платформа для распространения работ, востребованных студентами. Хорошо налаженная и качественная работа сайта, огромная база заданий и аудитория.
Отличный помощник
Отличный сайт с кучей полезных файлов, позволяющий найти много методичек / учебников / отзывов о вузах и преподователях.
Отлично помогает студентам в любой момент для решения трудных и незамедлительных задач
Хотелось бы больше конкретной информации о преподавателях. А так в принципе хороший сайт, всегда им пользуюсь и ни разу не было желания прекратить. Хороший сайт для помощи студентам, удобный и приятный интерфейс. Из недостатков можно выделить только отсутствия небольшого количества файлов.
Спасибо за шикарный сайт
Великолепный сайт на котором студент за не большие деньги может найти помощь с дз, проектами курсовыми, лабораторными, а также узнать отзывы на преподавателей и бесплатно скачать пособия.
Популярные преподаватели
Добавляйте материалы
и зарабатывайте!
Продажи идут автоматически
6896
Авторов
на СтудИзбе
268
Средний доход
с одного платного файла
Обучение Подробнее