Курсовая работа: Установка нанесения тонких пленок методом пароструйного осаждения
Описание
Листы в JPG

«Расчетно-пояснительная записка к курсовому проекту по курсу «Основы проектирования систем автоматического управления оборудованием электронных технологий»
Установка нанесения тонких пленок методом пароструйного осажденияОглавление
1. Описание комплексной принципиальной схемы.. 7
1.1. Описание интерфейсов установки. 7
2. Описание схемы управления и энергопитания. 9
3. Описание процессной модели. 11
4. ТЗ и ТП на САУ установки. 14
5. Информационный поиск элементов САУ.. 16
6. Описание принципиальной электрической схемы.. 21
Реферат
Курсовой проект содержит 5 графических листов, выполненных в программе Autodesk Inventor 2014. Расчетно-пояснительная записка выполнена в Microsoft Word 2010, содержит 25 листов, 10 рисунков и 1 таблицу. В проекте разработана система автоматического управления установкой пароструйного осаждения.
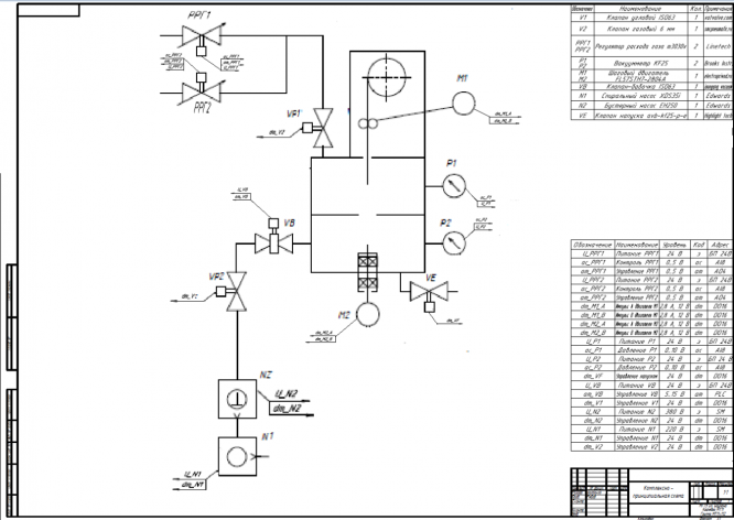
1-й лист содержит комплексно-принципиальную схему установки с содержанием всех энергетических и управляющих сигналов и перечнем всех элементов.
На 2-м листе представлена схема энергопитания и управления.
3-й лист содержит алгоритм работы установки, разбитый на подпроцессы.
На 4 листе показан интерфейс программы управления установкой.
5й лист содержит монтажную электрическую схему соединений САУ.
Введение
Основной целью курсового проектирования является закрепление знаний, полученных при изучении дисциплины САУ, применение их на практике в процессе разработки документации на САУ установки вакуумного нанесения тонких пленок пароструйного осаждения. Поставлена задача разработки максимально эффективной САУ с учетом особенностей установки и протекающих процессов.
Установка вакуумного нанесения тонких пленок методом пароструйного осаждения для формирования слоев меди и титана на платах силовой электроники. Заготовки –керамические пластины Al2O3, представляют собой параллелепипеды размером 48х30х1 мм. В основе работы установки лежит способ пароструйного осаждения (т.е. испарение в потоке быстродвижущегося газа), вакуумная система снабжена бустерным и спиральным насосами. Заготовки устанавливаются на держатель подложек в вакуумной камере установки. Держатель подложек получает вращательное движение от шагового двигателя. Схема установки показана на рисунке 1.
Рисунок 1. Схема установки
Основными элементами установки являются:
- Вакуумная система (бустерный и спиральный насосы, система клапанов, вакуумные датчики);
- Камера (нержавеющая сталь 12Х18Н10Т, крест с шестью выходами ISO160);
- Источник;
- Механизм подачи материала;
- Газовая система (2 баллона с азотом и аргоном, система клапанов, регуляторы расхода газа);
- Компрессор
- Привод подложкодержателя.
Технические требования:
- Напряжение питания: 50 Гц, 380 В/ 220 В;
- Сопротивление системы заземления не более 4 Ом.
Технические характеристики:
- Предельное давление в камере – 1 Торр;
- Рабочее давление в камере –1 Торр;
- Рабочее давление источника 10 Торр;
- Подача рабочих газов (аргон, азот) с точностью поддержания
заданного расхода - не более 3%;
- Частота вращения ввода – до 10 об/мин;
- Внутренний диаметр камеры – ду 160;
Рабочий цикл в установке осуществляется в следующей последовательности:
- В подготовленную для работы установку оператор устанавливает на подложкодержатель заготовку;
- Дверь камеры герметично закрывается и осуществляется откачка камеры до давления 1 Торр;
- Включается напуск газа, система клапанов и поток газа настраивается таким образом, чтобы давления в источнике превышало давление в камере в 10 раз;
- Включается нагреватель;
- Включается вращение подложкодержателя и подача материала;
- После окончания напыления останавливается подача газа и нагрев;
- Разгерметизация камеры;
- Осуществляется выгрузка изделия.
Целью данного курсового проекта является разработка САУ для автоматизации процессов нанесения слоев меди и титана в вакуумной установке нанесения покрытий пароструйным осаждением, овладение навыками, методами и средствами комплексных разработок электронных компонентов оборудования САУ.
Задачи проекта состоят в:
- распределении функций машины между различными компонентами и обоснование этих функций;
- постановке четких технических заданий перед разработчиками отдельных компонентов;
- выполнении технической документации на электронные компоненты.
Характеристики курсовой работы
Список файлов

Начать зарабатывать