Для студентов МГТУ им. Н.Э.Баумана по предмету Системы автоматического управления (САУ) (МТ-11)Установка вакуумно - дугового нанесения покрытийУстановка вакуумно - дугового нанесения покрытий
4,79523237
2017-12-22СтудИзба

Курсовая работа: Установка вакуумно - дугового нанесения покрытий

Описание

Курсовой проект по САУ, который был выполнен, сдан и защищён в 2014-м году

Расчетно-пояснительная записка

к курсовому проекту

«Системы автоматического управления технологического оборудования»

на тему:


«Установка вакуумно - дугового нанесения покрытий»

Москва, 2014


ЗАДАНИЕ

на курсовой проект по курсу «Основы проектирования систем автоматического управления оборудования электронных технологий».


Тема проекта: Установка вакуумно – дугового нанесения покрытий


1. Проработать описание работы машины, выбрать и обосновать состав его основных целевых функций, сервисных функций, функций коррекции цели.

2. Разработать комплексную принципиальную схему, как совокупность системы целевых механизмов, системы их энергообеспечения и системы управления, связанных материальными, энергетическими и информационными потоками.

3. Описать механический, энергетический и информационный интерфейс компонентов машины. Дать техническое задание и техническое предложение на САУ и основные элементы машины.

4. Разработать принципиальную электрическую схему элемента САУ или САУ в целом.


Содержание графической части.

  1. Процессная модель машины..................................................2 л.
  2. Комплексная принципиальная схема....................................1 л.
  3. Принципиальная электрическая схема..................................1 л.


Содержание расчетно-пояснительной записки.

  1. Введение. Описание целевого, механического и энергетического интерфейса спроектированной технологической машины.
  2. Описание процессной модели. Выбор и обоснование целевых, сервисных функций, и функций коррекции цели.
  3. Техническое задание и техническое предложение на систему управления машины по приведенной в Приложении 1 форме.
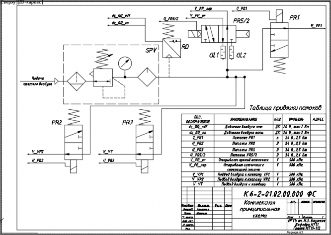
  4. Описание комплексной принципиальной схемы ФС. Обоснование структурно-компоновочного решения, выбор и согласование уровней потоков элементов.
  5. Документы, сопровождающие комплексную принципиальную схему:
  6. перечень элементов ПЭ;
  7. перечень потоков и сигналов ПС;
  8. технические задания на основные подсистемы и узлы машины ТЗ.
  9. Информационный поиск датчиков и исполнительных элементов машины и ее САУ, описание целевого, механического, энергетического и информационного интерфейса этих элементов ОЭ.
  10. Расчет и описание принципиальной электрической схемы.
  11. Заключение.







Аннотация


Курсовой проект содержит 5 графических листов, выполненных в пакете АСКОН КОМПАС V12. Расчетно-пояснительная записка выполнена в Microsoft Word 2010, содержит 50 листов формата А4. В проекте разработана система автоматического управления установкой нанесения тонких пленок металла.

1-ый лист (САУ К6-2-01.00.00.000 ПМ) содержит процессную модель работы САУ. На нем же содержатся 4 алгоритма работы отдельных процессов. Алгоритмы максимально облегчены для более понятного чтения, в РПЗ содержится подробное описание работы САУ.

2-ой, 3-ий листы и 4-ый лист (САУ К6-2-01.01.00.000 ФС, САУ К6-2-01.02.00.000 ФС, САУ К6-2-01.02.00.000 ФС) содержат комбинированную функциональную схему установки с указанием всех энергетических и управляющих сигналов, а также схема блочного соединения САУ.

На 4-ом листе (САУ К6-1-1.00.00.000 Э3) представлена принципиальная электрическая схема соединений САУ.


































Содержание

Стр.

Введение ………………………………………………………………………………….……..5

1 Описание установки……………………………………………………………………….6

1.1. Описание интерфейсов установки……………………………………………...7

2 Описание комплексной принципиальной схемы……………………………………….8

3 Описание процессной модели………………………......................................................12

4 Техническое задание и техническое предложение на систему управления…………14

4.1 Общие требования к алгоритму управления………………………………....14

4.1.1 Функции системы……………………………………………………………....14

4.1.2 Режимы работы………………………………………………………………...14

4.1.3 Основные целевые процессы………………………………………………….15

5 Информационный поиск элементов САУ и исполнительных механизмов………….18

5.1 Вакуумная система…………………………………………………………….18

5.1.1 Насос турбомолекулярный……………………………………………………18

5.1.2 Насос пластинчато-роторный………………………………………………....20

5.1.3 Вакууметр ионизационный…………………………………………………....20

5.1.4 Вакууметр термопарный………………………………………………………22

5.1.5 Клапан с электромагнитным приводом……………………………………....23

5.1.6 Клапан с пневмоприводом…………………………………………………….24

5.1.7 Затвор………………………………………………….......................................25

5.2 Система напыления………………………………………………………….....25

5.3 Система запуска технологического газа……………………………………...29

5.3.1 Клапан с электромагнитным приводом……………………………………....29

5.3.2 Клапан – натекатель…………………………………………………………....30

5.4 Система ввода движения в вакуум…………………………………………....31

5.4.1 Мотор – редуктор………………………………………………………………31

5.4.2 Поворотный привод……………………………………………………………33

5.5 Пневматическая система………………………………………………………36

5.6 Система нагрева………………………………………………………………..37

5.7 Система охлаждения…………………………………………………………...40

5.8 Система индикации…………………………………………………………….41

5.9 Программируемый логический контролер…………………………………...42

5.9.1 Центральный процессор……………………………………………………….42

5.9.2 Модуль дискретного ввода…………………………………………………….44

5.9.3 Модуль вывода………………………………………………………………….45

5.9.4 Модуль аналогового ввода/выхода……………………………………………45

5.9.5 Модуль обмена данными………………………………………………………45

5.9.6 Блок питания……………………………………………………………………46

6 Расчет и описание принципиальной электрической схемы……………………........47

Заключение……………………………………………………………………………………...48

Список литературы……………………………………………………………………………..49









Введение


Автоматизация производства - это основа развития современной промышленности, генеральное направление технического прогресса. Его целью является повышение эффективности труда, улучшение качества выпускаемой продукции, создание условий для оптимального использования всех ресурсов производства. Без управляющей электроники уже не может обойтись ни одна отрасль промышленности, особенно электронное машиностроение, где необходимо управление множеством технологических параметров при высочайшей точности и жестких требованиях к соблюдению технологии.

В основе конструкции и принципа действия установки вакуумно – дугового нанесения покрытий лежит технология испарения материала в катодном пятне электрической дуги. Технология дугового испарения – это процесс физического осаждении паров материала. Пар возникает в результате дугового разряда между катодом и приемником. Покрытие получается путём прямой конденсации пара наносимого материала на подложку. Осаждение и нанесение покрытия происходит в вакууме. Источники испарения, встроенные в двери, создают высокоионизированный металлический пар. При реакции металлического пара с азотом образуется нитрит металла. Затем эти нитриты осаждаются на заготовки. В результате образуется гладкая и твердая поверхность с очень высокой стойкостью к механическому износу.

Установка вакуумно – дугового нанесения покрытий предназначена нанесения износостойких покрытий, применяемых для увеличения срока службы инструментов и деталей машин, и декоративные покрытия.

Отметим, что в случае необходимости изменения профиля предприятия и перехода к производству электронных компонентов: печатных плат, светодиодов, с использованием метода физического осаждения, такого как магнетронное, установка вакуумно – дугового осаждения не требуют серьезных конструкционных изменений. Модернизация оборудования, связана в основном с установкой магнетронов вместо дуговых источников. При этом затратная часть на проведение этих работ незначительна и составляет не более 20% от стоимости установки НОВ.

В установке предусмотрен нагрев вакуумной камеры для дегазации с помощью трубчатых электронагревателей до температуры порядка 600 . Общая мощность дуговых источников 12 кВт. Для отвода выделяющейся теплоты необходимо предусмотрено водяное охлаждение.

Управление установкой при выходе на стационарный режим осуществляется оператором. На мониторе отображается состояние ее подсистем и элементов. Оператор запускает процессы откачки, нагрева, подачи и транспортирования продукта, вручную по подсказке с монитора коммутируя клапана и включая насосы. Он имеет возможность задавать установки на основные параметры реализуемых процессов, активизировать их и далее они выполняются автоматически.

В процессе работы установки фиксируются в памяти системы управления и сохраняются на жестком диске файлы отчёта о работе, предназначенные для анализа режимов ее работы с целью выбора оптимальных режимов функционирования.

Ручной режим управления позволяет реализовать нетиповые режимы и устранять нештатные ситуации.

Анализ работы на установке вакуумно – дугового нанесения покрытий или результаты экспериментов на других установках позволяют полностью автоматизировать процесс работы установки, кроме загрузки и выгрузки изделий. Для этого програмно создается файл со всеми параметрами технологического процесса нанесения покрытия. Оператор сможет запустить процесс вручную, далее все выполняется в автоматическом режиме.


1 Описание установки


В установке вакуумно – дугового нанесения пленок (рис. 1) первоначально применялся метод дугового осаждения источником с сепарацией плазмы через прямолинейный фильтр. Для увеличения производительности и более высокой очистки генерируемой плазмы установка была модернизирована: заменили источник на дуговой источник с фильтром в виде четверти тора. Также был поставлен второй источник без сепарации плазмы и ионный источник для очистки подложек. Для данной установки необходимо разработать максимально эффективную систему автоматического управления(САУ) с учетом Поставлена задача разработки максимально эффективной САУ с учетом оставшихся от предыдущей эксплуатации элементов САУ, особенностей установки и протекающих процессов.


Рис. 1. Установка вакуумно – дугового нанесения пленок


Основные узлы и системы установки:

  • Вакуумная система (пластинчато - роторный и турбомолекулярный насосы, система клапанов, вакуумные датчики)
  • Система напыления (дуговые источники без сепарации плазмы и с сепаратором в виде четверти тора, ионный источник, напряжение смещения на подложку)
  • Система напуска технологического газа (2 баллона с азотом и аргоном, система клапанов)
  • Система ввода движения в вакуум (привод для вращения карусели, пневматический поворотный привод)
  • Система нагрева
  • Система охлаждения
  • Пневматическая система
  • Система индикации

Технические требования:

1. Напряжение питания: трехфазный ток 380 В и однофазный 220 В частотой 50 Гц

2. Давление охлаждающей воды 2 атм., расход не менее 6 л/ч, температура 20-25

3. Давление в пневмосистеме не более 400 кПа.

Технические характеристики:

1. Рабочее давление в камере 10-5 мбар

2. Время откачки камеры – 30 мин

3. Максимальный ток дуги каждого дугового источника 100 А

4. Напряжение ионного источника не более 2000 В

4. Подача рабочих газов (аргон, азот) с точностью поддержания заданного давления

5. Напряжение смещения карусели до 1000 В

6. Время прогрева камеры до 600 за 25 мин


Опишем технологический процесс работы установки:

  • Загрузка изделий в камеру и ее герметизация.
  • Включение нагрева и вакуумной откачки. Нагрев возможен до 600 , а откачка до 10-8 мбар.
  • Очистка мишени одного дугового источника или поочередно каждого.
  • Ионная очистка изделий. Время ограничено 15 минутами, так как выделяется большое количество энергии.
  • Нанесения покрытия одним из источников или поочередно каждым (при нанесении многослойных покрытий).
  • Выстой до температуры не выше 100 .
  • Разгерметизация камеры и выгрузка изделий.

Обрабатываемые образцы устанавливаются на карусель, которая посредством мотор-редуктора с асинхронным двигателем, совершает планетарное вращение, таким образом, обеспечивается равномерное осаждение пленок. Процесс напыления прекращается по достижению определенного времени нанесения покрытия.

Особенностью завершения технологического процесса является выстой изделий, то есть после завершения напыления тонкой пленки необходимо выдержать образцы до температуры не выше 100 (постепенное охлаждение происходит за счет водяной рубашки камеры).

Характеристики курсовой работы

Список файлов

Установка вакуумно - дугового нанесения покрытий
Лист.dwg
Презентация.pdf
Прочти меня.txt
САУ.docx
Картинка-подпись
Зарабатывай на студизбе! Просто выкладывай то, что так и так делаешь для своей учёбы: ДЗ, шпаргалки, решённые задачи и всё, что тебе пригодилось.
Начать зарабатывать

Комментарии

Нет комментариев
Стань первым, кто что-нибудь напишет!
Поделитесь ссылкой:
Цена: 1 200 руб.
Расширенная гарантия +3 недели гарантии, +10% цены
Рейтинг автора
4,79 из 5
Поделитесь ссылкой:
Сопутствующие материалы

Подобрали для Вас услуги

-26%
Вы можете использовать курсовую работу для примера, а также можете ссылаться на неё в своей работе. Авторство принадлежит автору работы, поэтому запрещено копировать текст из этой работы для любой публикации, в том числе в свою курсовую работу в учебном заведении, без правильно оформленной ссылки. Читайте как правильно публиковать ссылки в своей работе.
Свежие статьи
Популярно сейчас
Почему делать на заказ в разы дороже, чем купить готовую учебную работу на СтудИзбе? Наши учебные работы продаются каждый год, тогда как большинство заказов выполняются с нуля. Найдите подходящий учебный материал на СтудИзбе!
Ответы на популярные вопросы
Да! Наши авторы собирают и выкладывают те работы, которые сдаются в Вашем учебном заведении ежегодно и уже проверены преподавателями.
Да! У нас любой человек может выложить любую учебную работу и зарабатывать на её продажах! Но каждый учебный материал публикуется только после тщательной проверки администрацией.
Вернём деньги! А если быть более точными, то автору даётся немного времени на исправление, а если не исправит или выйдет время, то вернём деньги в полном объёме!
Да! На равне с готовыми студенческими работами у нас продаются услуги. Цены на услуги видны сразу, то есть Вам нужно только указать параметры и сразу можно оплачивать.
Отзывы студентов
Ставлю 10/10
Все нравится, очень удобный сайт, помогает в учебе. Кроме этого, можно заработать самому, выставляя готовые учебные материалы на продажу здесь. Рейтинги и отзывы на преподавателей очень помогают сориентироваться в начале нового семестра. Спасибо за такую функцию. Ставлю максимальную оценку.
Лучшая платформа для успешной сдачи сессии
Познакомился со СтудИзбой благодаря своему другу, очень нравится интерфейс, количество доступных файлов, цена, в общем, все прекрасно. Даже сам продаю какие-то свои работы.
Студизба ван лав ❤
Очень офигенный сайт для студентов. Много полезных учебных материалов. Пользуюсь студизбой с октября 2021 года. Серьёзных нареканий нет. Хотелось бы, что бы ввели подписочную модель и сделали материалы дешевле 300 рублей в рамках подписки бесплатными.
Отличный сайт
Лично меня всё устраивает - и покупка, и продажа; и цены, и возможность предпросмотра куска файла, и обилие бесплатных файлов (в подборках по авторам, читай, ВУЗам и факультетам). Есть определённые баги, но всё решаемо, да и администраторы реагируют в течение суток.
Маленький отзыв о большом помощнике!
Студизба спасает в те моменты, когда сроки горят, а работ накопилось достаточно. Довольно удобный сайт с простой навигацией и огромным количеством материалов.
Студ. Изба как крупнейший сборник работ для студентов
Тут дофига бывает всего полезного. Печально, что бывают предметы по которым даже одного бесплатного решения нет, но это скорее вопрос к студентам. В остальном всё здорово.
Спасательный островок
Если уже не успеваешь разобраться или застрял на каком-то задание поможет тебе быстро и недорого решить твою проблему.
Всё и так отлично
Всё очень удобно. Особенно круто, что есть система бонусов и можно выводить остатки денег. Очень много качественных бесплатных файлов.
Отзыв о системе "Студизба"
Отличная платформа для распространения работ, востребованных студентами. Хорошо налаженная и качественная работа сайта, огромная база заданий и аудитория.
Отличный помощник
Отличный сайт с кучей полезных файлов, позволяющий найти много методичек / учебников / отзывов о вузах и преподователях.
Отлично помогает студентам в любой момент для решения трудных и незамедлительных задач
Хотелось бы больше конкретной информации о преподавателях. А так в принципе хороший сайт, всегда им пользуюсь и ни разу не было желания прекратить. Хороший сайт для помощи студентам, удобный и приятный интерфейс. Из недостатков можно выделить только отсутствия небольшого количества файлов.
Спасибо за шикарный сайт
Великолепный сайт на котором студент за не большие деньги может найти помощь с дз, проектами курсовыми, лабораторными, а также узнать отзывы на преподавателей и бесплатно скачать пособия.
Популярные преподаватели
Добавляйте материалы
и зарабатывайте!
Продажи идут автоматически
6999
Авторов
на СтудИзбе
262
Средний доход
с одного платного файла
Обучение Подробнее