Для студентов МГТУ им. Н.Э.Баумана по предмету Системы автоматического управления (САУ) (МТ-11)Ионно-дуговая установка для нанесения высокопрочных покрытийИонно-дуговая установка для нанесения высокопрочных покрытий
4,78522602
2017-12-22СтудИзба

Курсовая работа: Ионно-дуговая установка для нанесения высокопрочных покрытий

Описание

Курсовой проект по САУ, который был выполнен, сдан и защищён в 2014-м году
Чертежи в PDF

«Ионно-дуговая установка для нанесения высокопрочных покрытий»


2014 год.


Аннотация

Ключевые слова: ИОННО-ДУГОВАЯ УСТАНОВКА, СИСТЕМА АВТОМАТИЧЕСКОГО УПРАВЛЕНИЯ, КОНТРОЛЛЕР.

Графическая часть проекта представляет собой 4 листА формата А1. Графическая часть проекта выполнена в системе KOMPAS 14.

Расчетно-пояснительная записка выполнена в среде Microsoft® Office.

Расчетно-пояснительная записка состоит из 35 страницы, 20 рисунков, 12 таблиц, список литературе содержит 5 наименований.

Целью данного курсового проекта является овладение навыками, методами и средствами комплексных разработок механических и электронных компонентов оборудования САУ, а также правилами и методами составления технического задания на программное обеспечение САУ.

1-й лист (ПМ) содержит процессную модель работы САУ.

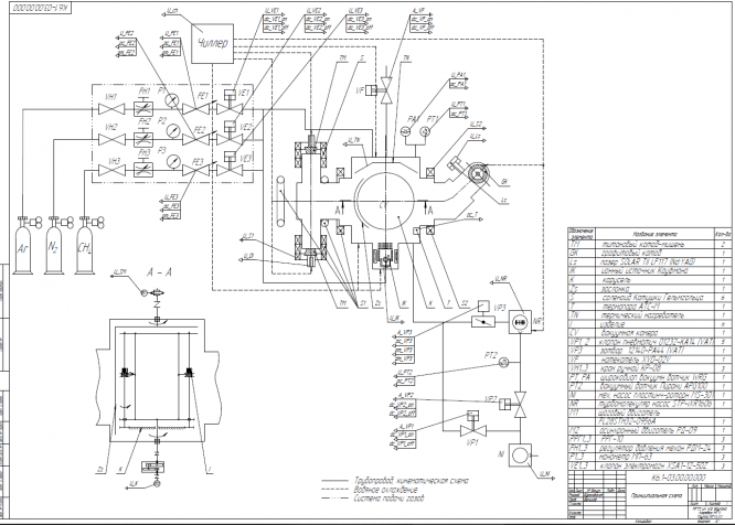
2-й и 3-й листы (ФС) содержат комбинированную функциональную схему установки с указанием всех энергетических и управляющих сигналов.

На 4-ом листе (ЭЗ) представлена принципиальная электрическая схема соединений САУ.



Оглавление

Введение. 4

1. Описание установки. 5

2. Процессная модель. 6

2.1.Целевые функции. 6

2.2. Сервисные функции. 7

3. Комплексно-принципиальная схема. 8

4. Информационный поиск элементов САУ и исполнительных механизмов. 12

4.1. Элементы системы управления. 12

4.2. Элементы системы питания. 18

4.3. Элементы вакуумной системы.. 22

4.4. Элементы технологической системы.. 30

Заключение. 34

Список использованной литературы.. 35

Введение

Автоматизация производства – это процесс в развитии машинного производства, при котором функции управления и контроля, ранее выполнявшиеся человеком, передаются приборам и автоматическим устройствам. Автоматизация производства - это основа развития современной промышленности, генеральное направление технического прогресса. Его целью является повышение эффективности труда, улучшение качества выпускаемой продукции, создание условий для оптимального использования всех ресурсов производства. Без управляющей электроники уже не может обойтись ни одна отрасль промышленности, особенно электронное машиностроение, где необходимо управление множеством технологических параметров при высочайшей точности и жестких требованиях к соблюдению технологии.

Целью данного курсового проекта является разработка системы автоматизированного управления ионно-дуговой установки для нанесения высокопрочных конструкций.


1. Описание установки



Рисунок 1 – Ионно-дуговая установка для нанесения высокопрочных покрытий


Целевой интерфейс: данная установка предназначена для нанесения упрочняющих наноструктурированных алмазоподобных покрытий.

Механический интерфейс:

Габариты 2300х2000х2000 мм

Энергетический интерфейс:

Номинальная мощность не более 40 кВт
Номинальное напряжение питающее сети 380 В
Номинальная частота 50 Гц

Информационный интерфейс:

Контроллер ADAM-5510/TCP
Модуль дискретного ввода ADAM-5052
Модуль дискретного вывода ADAM-5056S
Модуль аналогового ввода ADAM-5017
Модуль аналогового вывода ADAM-5024

Персонального компьютера (ПК).



2. Процессная модель

В ходе курсового проектирования при разработке САУ необходимо дифференцировать технологический процесс нанесения тонких пленок в вакуумной камере. Каждый подпроцесс следует описать алгоритмом. Перечень всех процессов и алгоритмы подпроцессов представлены на листе 1.

2.1. Целевые процессы

После включения питания установки, открывается вакуумная камера и в неё загружаются образцы. Дверь вакуумной камеры закрывается, после чего начинается процесс вакуумной откачки. На мониторе установки отслеживается давление в вакуумной системе, статус процесса. Данные датчиков вакуума и температуры непрерывно обрабатываются компьютером.

Во время технологического процесса напыления углерода можно выделить 6 основных стадий, которые представлены в таблице 1. Эти 6 подпроцессов можно охарактеризовать как целевые функции

Характеристики курсовой работы

Список файлов

Ионно-дуговая установка для нанесения высокопрочных покрытий
Задание.pdf
Лист (1).pdf
Лист (2).pdf
Лист (3).pdf
Лист (4).pdf
Прочти меня.txt
САУ Бураковская МТ11-111.pptx
САУ.docx
Спецификация Приложение 1.docx
Картинка-подпись
Зарабатывай на студизбе! Просто выкладывай то, что так и так делаешь для своей учёбы: ДЗ, шпаргалки, решённые задачи и всё, что тебе пригодилось.
Начать зарабатывать

Комментарии

Нет комментариев
Стань первым, кто что-нибудь напишет!
Поделитесь ссылкой:
Цена: 1 200 руб.
Расширенная гарантия +3 недели гарантии, +10% цены
Рейтинг автора
4,78 из 5
Поделитесь ссылкой:
Сопутствующие материалы

Подобрали для Вас услуги

-29%
3d-моделирование
7 000 4 999 руб.
Вы можете использовать курсовую работу для примера, а также можете ссылаться на неё в своей работе. Авторство принадлежит автору работы, поэтому запрещено копировать текст из этой работы для любой публикации, в том числе в свою курсовую работу в учебном заведении, без правильно оформленной ссылки. Читайте как правильно публиковать ссылки в своей работе.
Свежие статьи
Популярно сейчас
Почему делать на заказ в разы дороже, чем купить готовую учебную работу на СтудИзбе? Наши учебные работы продаются каждый год, тогда как большинство заказов выполняются с нуля. Найдите подходящий учебный материал на СтудИзбе!
Ответы на популярные вопросы
Да! Наши авторы собирают и выкладывают те работы, которые сдаются в Вашем учебном заведении ежегодно и уже проверены преподавателями.
Да! У нас любой человек может выложить любую учебную работу и зарабатывать на её продажах! Но каждый учебный материал публикуется только после тщательной проверки администрацией.
Вернём деньги! А если быть более точными, то автору даётся немного времени на исправление, а если не исправит или выйдет время, то вернём деньги в полном объёме!
Да! На равне с готовыми студенческими работами у нас продаются услуги. Цены на услуги видны сразу, то есть Вам нужно только указать параметры и сразу можно оплачивать.
Отзывы студентов
Ставлю 10/10
Все нравится, очень удобный сайт, помогает в учебе. Кроме этого, можно заработать самому, выставляя готовые учебные материалы на продажу здесь. Рейтинги и отзывы на преподавателей очень помогают сориентироваться в начале нового семестра. Спасибо за такую функцию. Ставлю максимальную оценку.
Лучшая платформа для успешной сдачи сессии
Познакомился со СтудИзбой благодаря своему другу, очень нравится интерфейс, количество доступных файлов, цена, в общем, все прекрасно. Даже сам продаю какие-то свои работы.
Студизба ван лав ❤
Очень офигенный сайт для студентов. Много полезных учебных материалов. Пользуюсь студизбой с октября 2021 года. Серьёзных нареканий нет. Хотелось бы, что бы ввели подписочную модель и сделали материалы дешевле 300 рублей в рамках подписки бесплатными.
Отличный сайт
Лично меня всё устраивает - и покупка, и продажа; и цены, и возможность предпросмотра куска файла, и обилие бесплатных файлов (в подборках по авторам, читай, ВУЗам и факультетам). Есть определённые баги, но всё решаемо, да и администраторы реагируют в течение суток.
Маленький отзыв о большом помощнике!
Студизба спасает в те моменты, когда сроки горят, а работ накопилось достаточно. Довольно удобный сайт с простой навигацией и огромным количеством материалов.
Студ. Изба как крупнейший сборник работ для студентов
Тут дофига бывает всего полезного. Печально, что бывают предметы по которым даже одного бесплатного решения нет, но это скорее вопрос к студентам. В остальном всё здорово.
Спасательный островок
Если уже не успеваешь разобраться или застрял на каком-то задание поможет тебе быстро и недорого решить твою проблему.
Всё и так отлично
Всё очень удобно. Особенно круто, что есть система бонусов и можно выводить остатки денег. Очень много качественных бесплатных файлов.
Отзыв о системе "Студизба"
Отличная платформа для распространения работ, востребованных студентами. Хорошо налаженная и качественная работа сайта, огромная база заданий и аудитория.
Отличный помощник
Отличный сайт с кучей полезных файлов, позволяющий найти много методичек / учебников / отзывов о вузах и преподователях.
Отлично помогает студентам в любой момент для решения трудных и незамедлительных задач
Хотелось бы больше конкретной информации о преподавателях. А так в принципе хороший сайт, всегда им пользуюсь и ни разу не было желания прекратить. Хороший сайт для помощи студентам, удобный и приятный интерфейс. Из недостатков можно выделить только отсутствия небольшого количества файлов.
Спасибо за шикарный сайт
Великолепный сайт на котором студент за не большие деньги может найти помощь с дз, проектами курсовыми, лабораторными, а также узнать отзывы на преподавателей и бесплатно скачать пособия.
Популярные преподаватели
Добавляйте материалы
и зарабатывайте!
Продажи идут автоматически
6845
Авторов
на СтудИзбе
274
Средний доход
с одного платного файла
Обучение Подробнее