Для студентов МГТУ им. Н.Э.Баумана по предмету Системы автоматического управления (САУ) (МТ-11)Установка нанесения многослойных покрытийУстановка нанесения многослойных покрытий
4,79523201
2017-12-22СтудИзба

Курсовая работа: Установка нанесения многослойных покрытий

Описание

Курсовой проект по САУ, который был успешно сдан в 2013-м году
Чертежи в PDF

«установка нанесения
многослойных покрытий »


Москва

2013 г

ЗАДАНИЕ

на курсовой проект по курсу

«Основы проектирования систем автоматического управления оборудования электронных технологий».


Тема проекта: Установка нанесения многослойных покрытий

1. Проработать описание работы машины, выбрать и обосновать состав его основных целевых функций, сервисных функций, функций коррекции цели.

2. Разработать комплексную принципиальную схему, как совокупность системы целевых механизмов, системы их энергообеспечения и системы управления, связанных материальными, энергетическими и информационными потоками.

3. Описать механический, энергетический и информационный интерфейс компонентов машины. Дать техническое задание и техническое предложение на САУ и основные элементы машины.

4. Разработать принципиальную электрическую схему элемента САУ или САУ в целом.

Содержание графической части.

  1. Комплексная принципиальная схема САУ...................................1 л.
  2. Комбинированная функциональная схема....................................................1 л.
  3. Алгоритм работы установки..................................1 л.
  4. Монтажная электрическая схема соединений САУ……………...1л.
  5. Интерфейс программы управления установкой……………...1л.

Содержание расчетно-пояснительной записки.

  1. Введение. Описание целевого, механического и энергетического интерфейса спроектированной технологической машины.
  2. Описание процессной модели. Выбор и обоснование целевых, сервисных функций, и функций коррекции цели.
  3. Техническое задание и техническое предложение на систему управления машины по приведенной в Приложении 1 форме.
  4. Описание комплексной принципиальной схемы ФС. Обоснование структурно-компоновочного решения, выбор и согласование уровней потоков элементов.
  5. Документы, сопровождающие комплексную принципиальную схему:
  6. перечень элементов ПЭ;
  7. перечень потоков и сигналов ПС;
  8. технические задания на основные подсистемы и узлы машины ТЗ.
  9. Информационный поиск датчиков и исполнительных элементов машины и ее САУ, описание целевого, механического, энергетического и информационного интерфейса этих элементов ОЭ.
  10. Расчет и описание принципиальной электрической схемы.
  11. Заключение.

Содержание

Аннотация. 5

1. Введение. 6

1.1 Описание интерфейсов установки. 8

2. Описание комплексной принципиальной схемы.. 9

3. Описание алгоритмов работы установки. 10

3.1. Ответственность программного обеспечения ПК.. 10

3.2. Ответственность программного обеспечения ПЛК.. 10

3.3. Правила обмена данными между ПЛК и ПК.. 11

3.4. Структура описания программного интерфейса ПЛК.. 13

3.5. Алгоритм взаимодействия ПЛК и ПК.. 13

4. Информационный поиск элементов САУ.. 14

4.1. Система управления. 14

4.2 Двигатели и контроллеры управления двигателями: 21

4.3 Газовая система. 24

4.4 Обработка подложек. 26

4.5 Вакуумная система. 30

4.6 Терморегулирование. 31

Заключение. 33

Список использованных источников. 34

Приложение А. Перечень элементов. 35

Приложение Б. Перечень потоков. 37



Аннотация

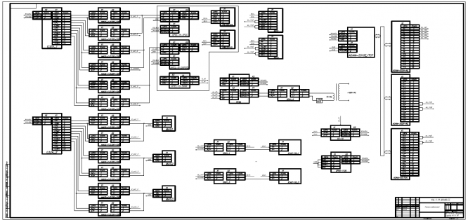
Курсовой проект содержит 5 графических листов, выполненных в програмных пакетах Autodesk AutoCAD Mechanical 2010. Расчетно-пояснительная записка выполнена в Microsoft Word 2010, содержит 33 листов , 20 рисунков и 3 таблицы. В проекте разработана система автоматического управления установкой нанесения многослойных покрытий.

1-ой лист содержит алгоритм работы установки

2-ий и 3-ый листы содержат комбинированную функциональную схему установки с указанием всех энергетических и управляющих сигналов и перечнем всех элементов.

На 4-ом листе представлена монтажная электрическая схема соединений САУ.

На 5-ом листе представлен интерфейс программы управления установкой.


1. Введение

Основной целью курсового проектирования является разработка документации на САУ установки нанесения многослойных тонкопленочных покрытий. Поставлена задача разработки максимально эффективной САУ с учетом особенностей установки и протекающих процессов.

Установка нанесения многослойных покрытий предназначена для нанесения покрытий путем распыления материалов мишеней с использованием магнетронного распылителя, вакуумная система снабжена диффузионным насосом и механическим пластинчато-роторным насосом. В камере предусмотрен ввод вращения, для перемещения заготовок в вакууме в процессе напыления.


Рисунок 1 - Общий вид установки

Основными элементами установки являются:

  • Вакуумная система (диффузионный и механический насосы, система клапанов, вакуумные датчики);
  • Камера;
  • Система напыления (3 магнетрона);
  • Система очистки поверхности (автономный источник ионов (АИИ);
  • Газовая система (2 баллона с азотом и аргоном, система клапанов, регуляторы расхода газа);

Характеристики курсовой работы

Список файлов

Установка нанесения многослойных покрытий
Лист (1).pdf
Лист (2).pdf
Лист (3).pdf
Лист (4).pdf
Презентация.pptx
Прочти меня.txt
САУ.docx
Картинка-подпись
Зарабатывай на студизбе! Просто выкладывай то, что так и так делаешь для своей учёбы: ДЗ, шпаргалки, решённые задачи и всё, что тебе пригодилось.
Начать зарабатывать

Комментарии

Нет комментариев
Стань первым, кто что-нибудь напишет!
Поделитесь ссылкой:
Цена: 1 200 руб.
Расширенная гарантия +3 недели гарантии, +10% цены
Рейтинг автора
4,79 из 5
Поделитесь ссылкой:
Сопутствующие материалы

Подобрали для Вас услуги

Вы можете использовать курсовую работу для примера, а также можете ссылаться на неё в своей работе. Авторство принадлежит автору работы, поэтому запрещено копировать текст из этой работы для любой публикации, в том числе в свою курсовую работу в учебном заведении, без правильно оформленной ссылки. Читайте как правильно публиковать ссылки в своей работе.
Свежие статьи
Популярно сейчас
А знаете ли Вы, что из года в год задания практически не меняются? Математика, преподаваемая в учебных заведениях, никак не менялась минимум 30 лет. Найдите нужный учебный материал на СтудИзбе!
Ответы на популярные вопросы
Да! Наши авторы собирают и выкладывают те работы, которые сдаются в Вашем учебном заведении ежегодно и уже проверены преподавателями.
Да! У нас любой человек может выложить любую учебную работу и зарабатывать на её продажах! Но каждый учебный материал публикуется только после тщательной проверки администрацией.
Вернём деньги! А если быть более точными, то автору даётся немного времени на исправление, а если не исправит или выйдет время, то вернём деньги в полном объёме!
Да! На равне с готовыми студенческими работами у нас продаются услуги. Цены на услуги видны сразу, то есть Вам нужно только указать параметры и сразу можно оплачивать.
Отзывы студентов
Ставлю 10/10
Все нравится, очень удобный сайт, помогает в учебе. Кроме этого, можно заработать самому, выставляя готовые учебные материалы на продажу здесь. Рейтинги и отзывы на преподавателей очень помогают сориентироваться в начале нового семестра. Спасибо за такую функцию. Ставлю максимальную оценку.
Лучшая платформа для успешной сдачи сессии
Познакомился со СтудИзбой благодаря своему другу, очень нравится интерфейс, количество доступных файлов, цена, в общем, все прекрасно. Даже сам продаю какие-то свои работы.
Студизба ван лав ❤
Очень офигенный сайт для студентов. Много полезных учебных материалов. Пользуюсь студизбой с октября 2021 года. Серьёзных нареканий нет. Хотелось бы, что бы ввели подписочную модель и сделали материалы дешевле 300 рублей в рамках подписки бесплатными.
Отличный сайт
Лично меня всё устраивает - и покупка, и продажа; и цены, и возможность предпросмотра куска файла, и обилие бесплатных файлов (в подборках по авторам, читай, ВУЗам и факультетам). Есть определённые баги, но всё решаемо, да и администраторы реагируют в течение суток.
Маленький отзыв о большом помощнике!
Студизба спасает в те моменты, когда сроки горят, а работ накопилось достаточно. Довольно удобный сайт с простой навигацией и огромным количеством материалов.
Студ. Изба как крупнейший сборник работ для студентов
Тут дофига бывает всего полезного. Печально, что бывают предметы по которым даже одного бесплатного решения нет, но это скорее вопрос к студентам. В остальном всё здорово.
Спасательный островок
Если уже не успеваешь разобраться или застрял на каком-то задание поможет тебе быстро и недорого решить твою проблему.
Всё и так отлично
Всё очень удобно. Особенно круто, что есть система бонусов и можно выводить остатки денег. Очень много качественных бесплатных файлов.
Отзыв о системе "Студизба"
Отличная платформа для распространения работ, востребованных студентами. Хорошо налаженная и качественная работа сайта, огромная база заданий и аудитория.
Отличный помощник
Отличный сайт с кучей полезных файлов, позволяющий найти много методичек / учебников / отзывов о вузах и преподователях.
Отлично помогает студентам в любой момент для решения трудных и незамедлительных задач
Хотелось бы больше конкретной информации о преподавателях. А так в принципе хороший сайт, всегда им пользуюсь и ни разу не было желания прекратить. Хороший сайт для помощи студентам, удобный и приятный интерфейс. Из недостатков можно выделить только отсутствия небольшого количества файлов.
Спасибо за шикарный сайт
Великолепный сайт на котором студент за не большие деньги может найти помощь с дз, проектами курсовыми, лабораторными, а также узнать отзывы на преподавателей и бесплатно скачать пособия.
Популярные преподаватели
Добавляйте материалы
и зарабатывайте!
Продажи идут автоматически
6990
Авторов
на СтудИзбе
262
Средний доход
с одного платного файла
Обучение Подробнее
{user_main_secret_data}