Курсовая работа: Установка для выращивания УНТ
Описание

Тема проекта: «Установка для выращивания УНТ »
Москва, 2013 г.
Содержание
Техническое задание.............................................................................................................2
Реферат...................................................................................................................................4
- Введение.................................................................................................................................5
- Описание процессной модели..............................................................................................6
2.1. Выбор сервисных функций............................................................................................11
2.2. Выбор функции коррекции цели.................................................................................12
2.3. Общие требования к алгоритму управления.............................................................12
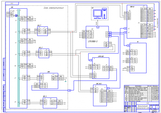
Описание комплексной принципиальной схемы. Информационный поиск датчиков и исполнительных элементов машины и ее САУ, описание целевого, механического, энергетического и информационного интерфейса этих элементов..............................13
3.1. Вакууумная система...................................................................................................15
3.1.1. Диафрагменный насос XDD1..........................................................................15
3.1.2. Турбомолекулярный насос EXT75DX.............................................................16
3.1.3. Датчик вакуума APG100...................................................................................16
3.1.4. Датчик вакуума WRG........................................................................................17
3.1.5. Вакуумные электромагнитные клапаны IPV16EKA.......................................18
3.1.6. Вакуумный затвор 2ЗВЭ-100.............................................................................18
3.2. Газовая система.............................................................................................................20
3.2.1. Регулятор давления GCE....................................................................................20
3.3.2. Регулятор расхода газа РРГ-10..........................................................................20
3.3. Система энергообеспечения........................................................................................21
3.3.1. Описание блоков питания..................................................................................21
3.3.2. Регулятор мощности SPC 1...............................................................................24
3.3.3. Преобразователь напряжения для зажигания плазмы....................................26
3.4. Система управления....................................................................................................27
3.4.1. Модуль микроконтроллера CPU188-5.............................................................27
3.4.2. Панель релейной коммутации TBR-8..............................................................31
3.4.3. Плата гальванической изоляции каналов дискретного ввода TBI24LC.......32
3.4.4. Контроллер TIC Instrument Controller..............................................................33
3.4.5. Терморегулятор ОВЕН ТРМ-101.....................................................................34
Заключение.........................................................................................................................36
Список использованной литературы............................................................................................37
Реферат
Целью данного курсового проекта является овладение навыками, методами и средствами комплексных разработок механических и электронных компонентов оборудования САУ, а также правилами и методами составления технического задания на программное обеспечение САУ.
Задачи проекта состоят в:
- распределении функций машины между различными компонентами и обоснование этих функций;
- постановке четких технических заданий перед разработчиками отдельных компонентов;
- выполнении технической документации на электронные компоненты.
В проекте разработана система управления установки для выращивания УНТ.
Курсовой проект выполнен в следующем объеме: процессная модель (алгоритмы работы системы управления установкой); комплексная принципиальная схема (КПС) установки, включающая разработку КПС механической части и КПС систем энергообеспечения и управления; схема соединений. В расчетно-пояснительной записке приведены необходимые пояснения, описания и отражены принципы построения САУ установки.
Графические работы в объеме 4 листов выполнены на ПК с помощью программы АСКОН КОМПАС V12. Расчетно-пояснительная записка выполнена с использованием программного продукта Microsoft Word.
Введение
Одно из перспективных направлений в наноэлектронике связано с выращиванием нанотрубок и созданием на их основе различных устроойств.
Автоэмиттеры на основе углеродных нанотрубок (УНТ) перспективны при решении широкого класса задач, связанных, например, с разработкой таких устройств, как: матричные автоэмиттеры для плоских экранов, катоды микрорадиоламп терагерцового диапазона частот, автоэмиттеры для экономичных индикаторов и осветителей, терабитных запоминающих сред и задач, связанных со считыванием информации в терабитных ПЗУ.
Актуальность использования автоэмиттеров в перечисленных устройствах обуславливается рядом их параметров: достаточно низкие рабочие напряжения при больших плотностях и значениях эмиссионного тока, устойчивость к радиационному излучению, очень широкий рабочий температурный диапазон.
Установка для выращивания УНТ, изучаемая в проекте, позволяет получать островковые пленки катализатора, а затем выращивать на них нанотрубки. Установка конструировалась на основе вакуумной печи Forum-100K. Вакуумная камера установки колпакового типа. Снизу к вакуумной камере примыкает столик, на котором находится нагреватель, выполненный в виде цилиндра с плоской крышкой вверху, на которую кладется образец. Нагревательный элемент нагревателя - нихромовая проволока, через которую проходит электрический ток. Столик вместе с нагревателем и подложкой приводится в движение механизмом винт-гайка с помощью электродвигателя. К вакуумной камере присоединяется газовая система, состоящая из баллона с углеродосодержащим газом и инертным газом, к каждому баллону присоединяется ручной клапан, регулятор давления, манометр и регулятор расхода газа. Плазма в камере зажигается при помощи двух параллельных электродов. Один электромагнитный клапан подключает и отключает форвакуумный насос к вакуумной камере, второй электромагнитный клапан подключает форвакуумный насос к турбомолекулярному.
Основные технические характеристики установки:
-Температурный диапазон 200-700о С;
-Отклонение температуры в режиме выдержки 2оС:
-Скорость нагрева 10…150о С/мин:
-Минимальное давление в камере 10-5 Па:
-Напряжение питания 220V: -Габаритные размеры 30*33*158.
Характеристики курсовой работы
Список файлов

Начать зарабатывать