Курсовая работа: Система виброизоляции модуля НАНОФАБ-100
Описание

«Система виброизоляции модуля НАНОФАБ-100»
Записка 20 стр., 12 рисунков, 5 таблиц.
Ключевые слова:
МАГНИТОРЕОЛОГИЧЕСКИЙ ПРИВОД, ВИБРОИЗОЛЯЦИЯ, НАНОФАБ-100.
Графические работы в объеме 4 листа выполнены на ПК с помощью программы AutoCAD 2008 и КОМПАС3D V14. Записка выполнена с использованием программы Word.
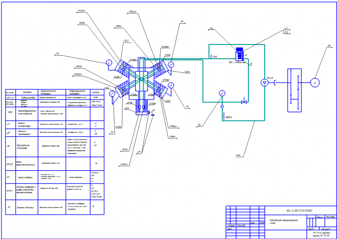
Целью проекта является разработка системы автоматического управления системой активной виброизоляции для модуля СВВ ФИП платформы НАНОФАБ-100.
Была разработана функциональная схема устройство, спланировано расположение МР-приводов на виброизоляционной платформе, разработана принципиальная электрическая схема.
Оглавление
Реферат 2
Оглавление 3
Введение 4
Описание платформы НАНОФАБ-100 5
Описание системы 9
Проектирование компонента САУ 17
Заключение 19
Список литературы 20
Введение
Современное исследовательское и технологическое оборудование, применяемое в производстве современных микро - и наноэлектронных устройств и проведения исследовательских работ в области нанотехнологий предъявляет жесткие требования к устройствам точных перемещений и системам защиты от вибраций. Устройства должны сочетать высокие нагрузочные и точностные характеристики. НАНОФАБ-100 является прецизионным оборудованием повышенной точности и, как следствие, повышенной чувствительности к вибрациям. Для обеспечения лучшей виброизоляции модуля СВВ ФИП платформы НАНОФАБ-100 в данной работе рассматривается система активной виброизоляции на основе магнитореологического модуля, разработанного на кафедре МТ11 МГТУ им. Баумана.
Характеристики курсовой работы
Список файлов

Начать зарабатывать