Курсовая работа: Платформа активной виброизоляции на основе МР демпферов
Описание

Платформа активной виброизоляции на основе МР демпферов
Москва, 2013 г.
Содержание
Реферат …………………………………………………………………….. | 3 |
Введение …………………………………………………………………… | 4 |
1. Описание целевого, механического и энергетического интерфейсов установки ………………………………………………………………….. | 5 |
1.1. Целевой интерфейс …………………………………………………… | 5 |
1.2. Механический интерфейс ……………………………………………. | 5 |
1.3. Энергетический интерфейс ………………………………………….. | 5 |
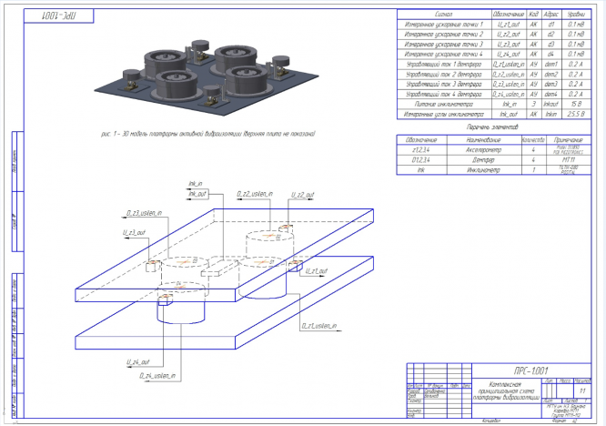
2. Описание комплексной принципиальной схемы …………………….. | 6 |
3. Описание процессной модели …………………………………………. | 7 |
3.1. Процесс работы ……………………………………………………….. | 8 |
4. Сервисные функции системы ………………………………………….. | 13 |
5. Функции коррекции цели ………………………………………………. | 13 |
6. Документы, сопровождающие КПС …………………………………... | 13 |
7. Описание используемых компонентов системы .…………………….. | 16 |
7.1. Регистрация виброускорений ………………………………………... | 16 |
7.2. Измерение положения платформы …………………………………... | 17 |
7.3. Переходник ……………………………………………………………. | 17 |
7.4. Усилитель постоянного тока акселерометров ……………………… | 17 |
7.5. Усилитель постоянного тока демпферов …………………………… | 19 |
7.5.1. Клеммы ……………………………………………………………… | 21 |
7.5.2. Перечень элементов усилителей …………………………………... | 22 |
7.6. ADAM 5510/TCP-IP ………………………………………………….. | 22 |
7.6.1. Модуль ввода – вывода аналоговых сигналов ……………………. | 24 |
8. Блоки питания …………………………………………………………... | 26 |
Выводы …………………………………………………………………….. | 29 |
Литература …………………………………………………………………. | 30 |
Приложение ………………………………………………………………... | 31 |
Реферат
Графические работы в объеме 6 листов выполнены на ПК с помощью программы Компас 3D V12. Расчетно–пояснительная записка составляет 32 листа, выполненных в среде Microsoft Word 2003 и содержит 3 таблицы, 20 рисунков.
Целью данного курсового проекта является овладение навыками, методами и средствами комплексных разработок механических и электронных компонентов оборудования САУ, а также правилами и методами составления технического задания на программное обеспечение САУ.
Задачи проекта состоят в:
·распределении функций машины между различными компонентами и обоснование этих функций;
·постановке технических заданий перед разработчиками отдельных компонентов;
·выборе оборудования, необходимого для автоматической работы установки;
·разработке эскизного проекта САУ и структуры машины.
Курсовой проект выполнен в следующем объеме: процессная модель (алгоритм работы системы управления установкой); комплексная принципиальная схема установки, электрическая схема усилителей. В расчетно-пояснительной записке приведены необходимые пояснения, описания и отражены принципы построения САУ установки.
Введение
Установка активной виброизоляции на основе МР демпферов предназначена для виброзащиты различного оборудования точного позиционирования.
Технические характеристики МР-демпфера:
·Максимальная погрешность перемещения платформы по оси Z -1 мкм;
·Диапазон перемещений по оси Z - до 2 мм;
·Постоянная времени t = 0,05 с;
·Максимальный ток в катушке I = 2 А;
·Частота вибраций n = 1,5..60 Гц;
·Температура узла в рабочем состоянии t = 20 ° С.
Характеристики курсовой работы
Список файлов

Начать зарабатывать