Для студентов МГТУ им. Н.Э.Баумана по предмету Системы автоматического управления (САУ) (МТ-11)Установка сверления базовых отверстийУстановка сверления базовых отверстий
4,78522897
2017-12-22СтудИзба

Курсовая работа: Установка сверления базовых отверстий

Описание

В год конца света по календарю Майя (2012) был выполнен и сдан данный курсовой проект

Расчетно – пояснительная записка
к курсовому проекту
по курсу:
«Основы проектирования систем автоматического управления оборудования электронных технологий »

на тему:

«Установка сверления базовых отверстий»


ЗАДАНИЕ

на курсовой проект по курсу «Основы проектирования систем автоматического управления оборудования электронных технологий».


Тема проекта: Установка сверления базовых отверстий

1. Проработать описание работы машины, выбрать и обосновать состав его основных целевых функций, сервисных функций, функций коррекции цели.

2. Разработать комплексную принципиальную схему, как совокупность системы целевых механизмов, системы их энергообеспечения и системы управления, связанных материальными, энергетическими и информационными потоками.

3. Описать механический, энергетический и информационный интерфейс компонентов машины. Дать техническое задание и техническое предложение на САУ и основные элементы машины.

4. Разработать принципиальную электрическую схему элемента САУ или САУ в целом.


Содержание графической части.

  1. Процессная модель машины..................................................1 л.
  2. Комплексная принципиальная схема....................................2 л.
  3. Принципиальная электрическая схема..................................1 л.


Содержание расчетно-пояснительной записки.

  1. Введение. Описание целевого, механического и энергетического интерфейса спроектированной технологической машины.
  2. Описание процессной модели. Выбор и обоснование целевых, сервисных функций, и функций коррекции цели.
  3. Техническое задание и техническое предложение на систему управления машины по приведенной в Приложении 1 форме.
  4. Описание комплексной принципиальной схемы ФС. Обоснование структурно-компоновочного решения, выбор и согласование уровней потоков элементов.
  5. Документы, сопровождающие комплексную принципиальную схему:
  6. перечень элементов ПЭ;
  7. перечень потоков и сигналов ПС;
  8. технические задания на основные подсистемы и узлы машины ТЗ.
  9. Информационный поиск датчиков и исполнительных элементов машины и ее САУ, описание целевого, механического, энергетического и информационного интерфейса этих элементов ОЭ.
  10. Расчет и описание принципиальной электрической схемы.
  11. Заключение.




Оглавление

Реферат. 4

1. Введение. 5

2. Описание работы установки. 6

3. Выбор сервисных функций. 7

4. Выбор функций коррекции цели. 7

5. Технические параметры управляемых элементов. 8

6. Расчет операционных усилителей. 17

7. Расчет сопротивления оптронной развязки. 18

8.Заключение. 19

9. Список использованных источников. 20



Реферат


к курсовому проекту «Установка сверления базовых отверстий»

Записка содержит 25 страниц, 15 рисунков, 1 таблицу.

Ключевые слова:

УСТАНОВКА СВЕРЛЕНИЯ БАЗОВЫХ ОТВЕРСТИЙ, ПЕЧАТНАЯ ПЛАТА, СИСТЕМА АВТОМАТИЗИРОВАННОГО УПРАВЛЕНИЯ, комплексная принципиальная схема, процессная модель, прИНЦИПИАЛЬНАЯ ЭЛЕКТРИЧЕСКАЯ СХЕМА,

Графические работы в объеме 5 листов выполнены на ПК с помощью программы АСКОН КОМПАС 3D VR13. Записка выполнена с использованием программного продукта Microsoft Word.

Целью данного курсового проекта является овладение навыками, методами и средствами комплексных разработок механических и электронных компонентов оборудования САУ, а также правилами и методами составления технического задания на программное обеспечение САУ.

Задачи проекта состоят в:

  1. распределении функций машины между различными компонентами и обоснование этих функций;
  2. постановке четких технических заданий перед разработчиками отдельных компонентов;
  3. выполнении технической документации на электронные компоненты.

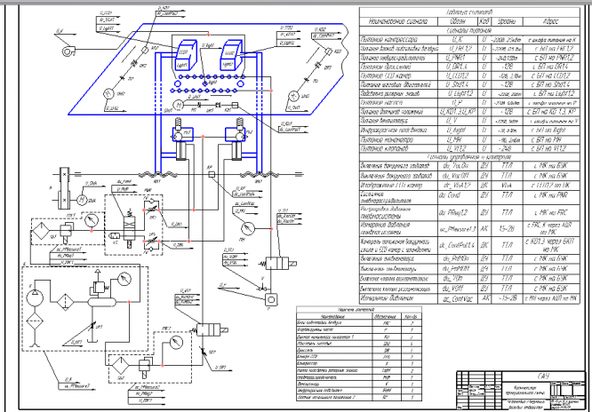
В данном курсовом проекте рассмотрена система автоматизированного управления установкой для сверления базовых отверстий при производстве печатных плат.

Рассмотрены основные узлы САУ и проведен расчет и проектирование системы управления.

Проект выполнен в объеме 5 листов и расчетно-пояснительной записки. На первом и втором листах показана блок схема алгоритмов работы установки. Принципиальная схема установки, таблица сигналов и перечень элементов приведены на 3 листе. На четвертом листе проекта приведена комплексная принципиальная схема установки. На пятом листе показана электрическая принципиальная схема контроллера и ключи для управления вакуумными клапанами, а так же подключение драйверов для шаговых двигателей. В расчетно-пояснительной записке приведены необходимые пояснения и отражены принципы построения САУ установки, даны расчеты и описания.


1. Введение


В настоящее время при производстве печатных плат на различных этапах в заготовке необходимы просверленные базовые отверстия с высокой точностью. В соответствии с этим предъявляются высокие требования к установкам, выполняющим эти отверстия. Они должны быть автоматическими, обладать высокой точностью позиционирования и производительностью, обладать универсальностью.

В соответствии с этими требованиями для прототипного и мелкосерийного производства проектируемая установка должна обладать следующими характеристиками:

- высокая производительность

- низкая стоимость процесса

- универсальность

- возможность выпуска плат с большим рабочим полем

- высокое быстродействие

- удобство переналадки

- точность измерения 0,001мм

- позиционная точность отверстий 0,014мм

- минимальное влияние человеческого фактора на точность совмещения


Область применения, проектируемой заготовки:

  • Сверление отверстий для совмещения по реперным знакам в заготовках печатных плат
  • Сверление отверстий для совмещения на внутренних слоях
  • Сверление базовых отверстий в заготовках МПП после прессования, для дальнейшего базирования заготовок на программных сверлильных станках (без применения рентгеновской {X-ray} технологии)

Конструкция установки и интерфейс управляющей программы позволяют совершать рабочий цикл в автоматическом режиме.

Преимущества работы в автоматическом режиме следующие:

  • Многократно возрастает точность совмещения реперных знаков с камерами, а соответственно и выполнения базовых отверстий.
  • Увеличивается производительность
  • Уменьшается утомляемость оператора
  • Исключается вероятность ошибки
  • Снижается влияние человеческого фактора на точность совмещения реперных знаков с камерами, а соответственно и выполнения базовых отверстий.

При работе в автоматическом режиме электронная система управления в непрерывном режиме обменивается сигналами управления с персональным компьютером (локальным или сетевым). Сигналы с видеокамер поступают на компьютер, специализированный софт обрабатывает картинку и векторизует. Далее вычисляются смещения центров окружностей реперных знаков друг относительно друга и их площадь перекрытия. Если совмещение не удовлетворяет заданной точности, то по специальному алгоритму рассчитываются необходимые перемещения координатного стола.

Так же по протоколам RS 232 компьютер обменивается данными с контроллерами вакуума, пневматики и AVR 8515. Специализированная программа обрабатывает сигналы с контроллеров и организует связь между ними. Есть возможность работы по сети.

Характеристики курсовой работы

Список файлов

Установка сверления базовых отверстий
Исходники чертежей.frw
Пояснительная записка.docx
Прочти меня.txt
Чертежи.pdf
Картинка-подпись
Зарабатывай на студизбе! Просто выкладывай то, что так и так делаешь для своей учёбы: ДЗ, шпаргалки, решённые задачи и всё, что тебе пригодилось.
Начать зарабатывать

Комментарии

Нет комментариев
Стань первым, кто что-нибудь напишет!
Поделитесь ссылкой:
Цена: 1 200 руб.
Расширенная гарантия +3 недели гарантии, +10% цены
Рейтинг автора
4,78 из 5
Поделитесь ссылкой:
Сопутствующие материалы

Подобрали для Вас услуги

-26%
Вы можете использовать курсовую работу для примера, а также можете ссылаться на неё в своей работе. Авторство принадлежит автору работы, поэтому запрещено копировать текст из этой работы для любой публикации, в том числе в свою курсовую работу в учебном заведении, без правильно оформленной ссылки. Читайте как правильно публиковать ссылки в своей работе.
Свежие статьи
Популярно сейчас
А знаете ли Вы, что из года в год задания практически не меняются? Математика, преподаваемая в учебных заведениях, никак не менялась минимум 30 лет. Найдите нужный учебный материал на СтудИзбе!
Ответы на популярные вопросы
Да! Наши авторы собирают и выкладывают те работы, которые сдаются в Вашем учебном заведении ежегодно и уже проверены преподавателями.
Да! У нас любой человек может выложить любую учебную работу и зарабатывать на её продажах! Но каждый учебный материал публикуется только после тщательной проверки администрацией.
Вернём деньги! А если быть более точными, то автору даётся немного времени на исправление, а если не исправит или выйдет время, то вернём деньги в полном объёме!
Да! На равне с готовыми студенческими работами у нас продаются услуги. Цены на услуги видны сразу, то есть Вам нужно только указать параметры и сразу можно оплачивать.
Отзывы студентов
Ставлю 10/10
Все нравится, очень удобный сайт, помогает в учебе. Кроме этого, можно заработать самому, выставляя готовые учебные материалы на продажу здесь. Рейтинги и отзывы на преподавателей очень помогают сориентироваться в начале нового семестра. Спасибо за такую функцию. Ставлю максимальную оценку.
Лучшая платформа для успешной сдачи сессии
Познакомился со СтудИзбой благодаря своему другу, очень нравится интерфейс, количество доступных файлов, цена, в общем, все прекрасно. Даже сам продаю какие-то свои работы.
Студизба ван лав ❤
Очень офигенный сайт для студентов. Много полезных учебных материалов. Пользуюсь студизбой с октября 2021 года. Серьёзных нареканий нет. Хотелось бы, что бы ввели подписочную модель и сделали материалы дешевле 300 рублей в рамках подписки бесплатными.
Отличный сайт
Лично меня всё устраивает - и покупка, и продажа; и цены, и возможность предпросмотра куска файла, и обилие бесплатных файлов (в подборках по авторам, читай, ВУЗам и факультетам). Есть определённые баги, но всё решаемо, да и администраторы реагируют в течение суток.
Маленький отзыв о большом помощнике!
Студизба спасает в те моменты, когда сроки горят, а работ накопилось достаточно. Довольно удобный сайт с простой навигацией и огромным количеством материалов.
Студ. Изба как крупнейший сборник работ для студентов
Тут дофига бывает всего полезного. Печально, что бывают предметы по которым даже одного бесплатного решения нет, но это скорее вопрос к студентам. В остальном всё здорово.
Спасательный островок
Если уже не успеваешь разобраться или застрял на каком-то задание поможет тебе быстро и недорого решить твою проблему.
Всё и так отлично
Всё очень удобно. Особенно круто, что есть система бонусов и можно выводить остатки денег. Очень много качественных бесплатных файлов.
Отзыв о системе "Студизба"
Отличная платформа для распространения работ, востребованных студентами. Хорошо налаженная и качественная работа сайта, огромная база заданий и аудитория.
Отличный помощник
Отличный сайт с кучей полезных файлов, позволяющий найти много методичек / учебников / отзывов о вузах и преподователях.
Отлично помогает студентам в любой момент для решения трудных и незамедлительных задач
Хотелось бы больше конкретной информации о преподавателях. А так в принципе хороший сайт, всегда им пользуюсь и ни разу не было желания прекратить. Хороший сайт для помощи студентам, удобный и приятный интерфейс. Из недостатков можно выделить только отсутствия небольшого количества файлов.
Спасибо за шикарный сайт
Великолепный сайт на котором студент за не большие деньги может найти помощь с дз, проектами курсовыми, лабораторными, а также узнать отзывы на преподавателей и бесплатно скачать пособия.
Популярные преподаватели
Добавляйте материалы
и зарабатывайте!
Продажи идут автоматически
6898
Авторов
на СтудИзбе
268
Средний доход
с одного платного файла
Обучение Подробнее
{user_main_secret_data}