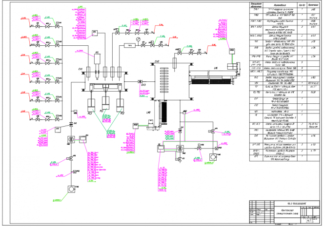
Для студентов МГТУ им. Н.Э.Баумана по предмету Системы автоматического управления (САУ) (МТ-11)Установка реактивно-ионного травленияУстановка реактивно-ионного травления
4,78522300
2017-12-222017-12-22СтудИзба
Курсовая работа: Установка реактивно-ионного травления
Описание
В год конца света по календарю Майя (2012) был выполнен и сдан данный курсовой проект
Чертежи только в PDF
![]()
Чертежи только в PDF



Характеристики курсовой работы
Учебное заведение
Просмотров
134
Размер
5,52 Mb
Список файлов
Установка реактивно-ионного травления
1 (КПС общ).pdf
2 (ФС SPU).pdf
3 (КПС PSYS).pdf
4 (PSYS).pdf
5 (Процессы).pdf
6 (SPU).pdf
7 (Мнемосхема).pdf
Презентация.ppt
Прочти меня.txt

Зарабатывай на студизбе! Просто выкладывай то, что так и так делаешь для своей учёбы: ДЗ, шпаргалки, решённые задачи и всё, что тебе пригодилось.
Начать зарабатывать
Начать зарабатывать