Курсовая работа: Установка прессования многослойных печатных плат (МПП)
Описание

«Разработка системы автоматического управления установки прессования многослойных печатных плат»
Москва 2012 г.
Содержание
Деление технологического процесса на подпроцессы.. 5
Выбор функции коррекции цели. 10
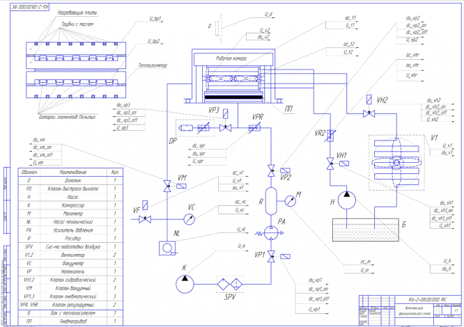
Описание комплексной принципиальной схемы.. 11
Описание процессоной модели. Выбор и обоснование целевых, сервисных функций и функции коррекции цели…………………………………………..12
Документы, сопровождающие комплексную принципиальную схему…….18
Информационный поиск датчиков и исполнительных элементов машины и ее САУ 21
Подбор компрессора………………….…………………………………………37
Реферат
В ходе курсового проекта на тему «Разработка системы
автоматического управления установки прессования многослойных печатных плат» была разработана система автоматического управления операцией прессования печатных плат.
Результаты работы зафиксированы и оформлены в виде расчетно-пояснительной записки. Записка по проекту объёмом 41 страницу машинописного текста, выполнен в программе Microsoft Word 2007. Отчёт содержит введение; восемь основных разделов, содержащих 24 рисунка, 7 таблиц; выводы, заключение и список использованных источников из восьми наименований.
Ключевые слова:
Многослойная ПЕЧАТНАЯ ПЛАТА (МПП), ПРЕССОВАНИЕ, АВТОМАТИЗАЦИЯ ПРЕССОВАНИЯ, ПНЕВМАТИЧЕСКИЙ ПРЕСС, ПРЕСС С ПНЕВМОПРИВОДОМ, ПРЕСС С ВАКУУМНОЙ КАМЕРОЙ, пРеПРЕГ.
Автоматизация производства является одним из основных факторов современной научно-технической революции, открывающей перед человечеством беспрецедентные возможности преобразования природы, создания огромных материальных богатств, умножения творческих способностей человека.
Производственное оборудование становится всё более автоматизированным во многих сферах его применения. Без управляющей электроники уже не может обойтись ни одна отрасль промышленности, особенно электронное машиностроение, где необходимо управление множеством технологических параметров при высочайшей точности и жестких требованиях к соблюдению технологии.
Перед началом проекта необходимо:
- внимательно изучить и продумать все возможные варианты применения САУ в данной конструкции и выбрать оптимальный из этих вариантов, как по цене, так и по сложности изготовления и эксплуатации;
- обеспечить проектируемое оборудование более высоким сроком службы, то есть, чтобы его физическое и моральное старение настало как можно позже.
Характеристики курсовой работы
Список файлов

Начать зарабатывать