Для студентов МГТУ им. Н.Э.Баумана по предмету Системы автоматического управления (САУ) (МТ-11)Установка для получения газочувствительного слояУстановка для получения газочувствительного слоя
4,79523152
2017-12-22СтудИзба

Курсовая работа: Установка для получения газочувствительного слоя

Описание

В год конца света по календарю Майя (2012) был выполнен и сдан данный курсовой проект

Курсовой проект


по курсу: «Основы проектирования систем автоматического управления оборудования электронных технологий »


на тему: «Установка лазерной обработки печатных плат»




Расчётно-пояснительная записка

Москва, 2012 г.

Содержание

Реферат………………………………………………………………………………………………..3

Введение………………………………………………………………………………………………4

1.Описание процессной модели……………………………………………………………………..5

1.1Выбор сервисных функций……………………………………………………………………..10

1.2. Выбор функции коррекции цели………………………………………………………..…….10

1.3.Программа управления……………………………………………………………………..…..11

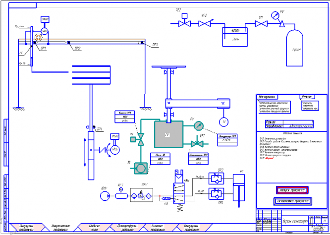
2.Описание комплексной принципиальной схемы………………………………………….……13

2.1Вакуумная система………………………………………………….……………………….….15

2.2.Система подачи золя……………………………………………………………………………18

2.3.Привод центрифуги…………………………………………………………………………….19

2.4.Пневмосистемма…………………………………………………………………………….….20

2.5.Система загрузки –выгрузки……………………………………………………………..……24

2.6.Система энергообеспечения……………………………………………………………………33

2.7Система управления……………………………………………………………………………..35

Заключение………………………………………………………………………………………….41

Список литературы……………………………………………………………………………...….42


Реферат

Графические работы в объеме 5 листов выполнены на ПК с помощью программы АСКОН КОМПАС V13. Записка выполнена с использованием программного продукта Microsoft Word.

Целью данного курсового проекта является овладение навыками, методами и средствами комплексных разработок механических и электронных компонентов оборудования САУ, а также правилами и методами составления технического задания на программное обеспечение САУ.

Задачи проекта состоят в:

  • распределении функций машины между различными компонентами и обоснование этих функций;
  • постановке четких технических заданий перед разработчиками отдельных компонентов;
  • выполнении технической документации на электронные компоненты.

В проекте разработана система управления вакуумной печью для отжига.

Курсовой проект выполнен в следующем объеме: процессная модель (алгоритм работы системы управления установкой); комплексная принципиальная схема (КПС) установки, включающая разработку КПС механической части и КПС систем энергообеспечения и управления; схема соединений; экран монитора персонального компьютера. В расчетно-пояснительной записке приведены необходимые пояснения, описания и отражены принципы построения САУ установки.



Введение


Опаловая матрица (опал) представляет собой плотноупакованную строго упорядоченную структуру из сфер диоксида кремния диаметром 200-600 нм и пустотами, периодически расположенными между ними (рис.1). Опаловая матрица относится к фотонным кристаллам, которые характеризуются тем, что не пропускают свет с длиной волны, сравнимый с периодом решетки. Фотонный кристалл обладает фотонной запрещенной зоной, что подтверждается наличием иризации.

а) б)

Рис.1. а) Пленка синтетического опала на подложке из кремния (10х10);

б) атомно-силовое изображение пленки опала.


Опаловые матрицы используются как для создания нанокомпозитов на их основе, так и в качестве основы (подложки), на которую наносятся тонкие пленки металлов. В последнем случае опал используется для создания газочувствительных сенсоров и автоэмиссионных катодов.

Технология получения чувчтввительного слоя на основе опаловой матрицы золь-гель методом состоит из нескольких этапов:

  • Подготовка поверхности подложки методом очищения в ультразвуковой ванне
  • Получение опаловой матрицы золь-гель методом
  • Предварительная низкотемпературная сушка (в вакууме) при температуре 100 С в течение 15 ч, p =1-10 Па
  • Термическая обработка геля электрической печи при температуре 400-600 С в течение 1-2 часов, p=15-45 Па
  • Контроль полученной структуры

Традиционно под золь-гель методом понимают совокупность стадий, включающую приготовление раствора прекурсора, последовательный перевод его сначала в золь, а затем в гель за счёт процессов гидролиза и конденсации, последующее старение, высушивание и термообработку продукта. Однако в последнее время этот термин часто используется для обозначения процессов, в которых отсутствует одна из этих стадий [1].

Распределение золя по подложке и перевод золя в гель осуществляется посредством центрифугирования. При этом обеспечивается их равномерность по толщине, снимаются проблемы, связанные с химической неустойчивостью и механической непрочностью мембран.

Характеристики курсовой работы

Список файлов

Установка для получения газочувствительного слоя
Пояснительная записка.doc
Презентация.pdf
Прочти меня.txt
Чертёж (1).cdw
Чертёж (2).cdw
Чертёж (3).cdw
Чертёж (4).cdw
Чертёж (5).cdw
Картинка-подпись
Зарабатывай на студизбе! Просто выкладывай то, что так и так делаешь для своей учёбы: ДЗ, шпаргалки, решённые задачи и всё, что тебе пригодилось.
Начать зарабатывать

Комментарии

Нет комментариев
Стань первым, кто что-нибудь напишет!
Поделитесь ссылкой:
Цена: 1 200 руб.
Расширенная гарантия +3 недели гарантии, +10% цены
Рейтинг автора
4,79 из 5
Поделитесь ссылкой:
Сопутствующие материалы

Подобрали для Вас услуги

-29%
3d-моделирование
7 000 4 999 руб.
Вы можете использовать курсовую работу для примера, а также можете ссылаться на неё в своей работе. Авторство принадлежит автору работы, поэтому запрещено копировать текст из этой работы для любой публикации, в том числе в свою курсовую работу в учебном заведении, без правильно оформленной ссылки. Читайте как правильно публиковать ссылки в своей работе.
Свежие статьи
Популярно сейчас
Почему делать на заказ в разы дороже, чем купить готовую учебную работу на СтудИзбе? Наши учебные работы продаются каждый год, тогда как большинство заказов выполняются с нуля. Найдите подходящий учебный материал на СтудИзбе!
Ответы на популярные вопросы
Да! Наши авторы собирают и выкладывают те работы, которые сдаются в Вашем учебном заведении ежегодно и уже проверены преподавателями.
Да! У нас любой человек может выложить любую учебную работу и зарабатывать на её продажах! Но каждый учебный материал публикуется только после тщательной проверки администрацией.
Вернём деньги! А если быть более точными, то автору даётся немного времени на исправление, а если не исправит или выйдет время, то вернём деньги в полном объёме!
Да! На равне с готовыми студенческими работами у нас продаются услуги. Цены на услуги видны сразу, то есть Вам нужно только указать параметры и сразу можно оплачивать.
Отзывы студентов
Ставлю 10/10
Все нравится, очень удобный сайт, помогает в учебе. Кроме этого, можно заработать самому, выставляя готовые учебные материалы на продажу здесь. Рейтинги и отзывы на преподавателей очень помогают сориентироваться в начале нового семестра. Спасибо за такую функцию. Ставлю максимальную оценку.
Лучшая платформа для успешной сдачи сессии
Познакомился со СтудИзбой благодаря своему другу, очень нравится интерфейс, количество доступных файлов, цена, в общем, все прекрасно. Даже сам продаю какие-то свои работы.
Студизба ван лав ❤
Очень офигенный сайт для студентов. Много полезных учебных материалов. Пользуюсь студизбой с октября 2021 года. Серьёзных нареканий нет. Хотелось бы, что бы ввели подписочную модель и сделали материалы дешевле 300 рублей в рамках подписки бесплатными.
Отличный сайт
Лично меня всё устраивает - и покупка, и продажа; и цены, и возможность предпросмотра куска файла, и обилие бесплатных файлов (в подборках по авторам, читай, ВУЗам и факультетам). Есть определённые баги, но всё решаемо, да и администраторы реагируют в течение суток.
Маленький отзыв о большом помощнике!
Студизба спасает в те моменты, когда сроки горят, а работ накопилось достаточно. Довольно удобный сайт с простой навигацией и огромным количеством материалов.
Студ. Изба как крупнейший сборник работ для студентов
Тут дофига бывает всего полезного. Печально, что бывают предметы по которым даже одного бесплатного решения нет, но это скорее вопрос к студентам. В остальном всё здорово.
Спасательный островок
Если уже не успеваешь разобраться или застрял на каком-то задание поможет тебе быстро и недорого решить твою проблему.
Всё и так отлично
Всё очень удобно. Особенно круто, что есть система бонусов и можно выводить остатки денег. Очень много качественных бесплатных файлов.
Отзыв о системе "Студизба"
Отличная платформа для распространения работ, востребованных студентами. Хорошо налаженная и качественная работа сайта, огромная база заданий и аудитория.
Отличный помощник
Отличный сайт с кучей полезных файлов, позволяющий найти много методичек / учебников / отзывов о вузах и преподователях.
Отлично помогает студентам в любой момент для решения трудных и незамедлительных задач
Хотелось бы больше конкретной информации о преподавателях. А так в принципе хороший сайт, всегда им пользуюсь и ни разу не было желания прекратить. Хороший сайт для помощи студентам, удобный и приятный интерфейс. Из недостатков можно выделить только отсутствия небольшого количества файлов.
Спасибо за шикарный сайт
Великолепный сайт на котором студент за не большие деньги может найти помощь с дз, проектами курсовыми, лабораторными, а также узнать отзывы на преподавателей и бесплатно скачать пособия.
Популярные преподаватели
Добавляйте материалы
и зарабатывайте!
Продажи идут автоматически
6984
Авторов
на СтудИзбе
262
Средний доход
с одного платного файла
Обучение Подробнее
{user_main_secret_data}