Курсовая работа: САУ установки выращивания монокристаллов
Описание

Расчетно-пояснительная записка
по курсовому проекту на тему
«Система автоматизированного управления установки выращивания монокристаллов»
Москва 2005г.
2.Назначение и описание установки выращивания монокристаллов. 5
3. Описание процессной модели. 6
3.1. Деление технологии на процессы. 6
3.2. Выбор сервисных функций. 9
3.3. Выбор функций коррекции цели. 10
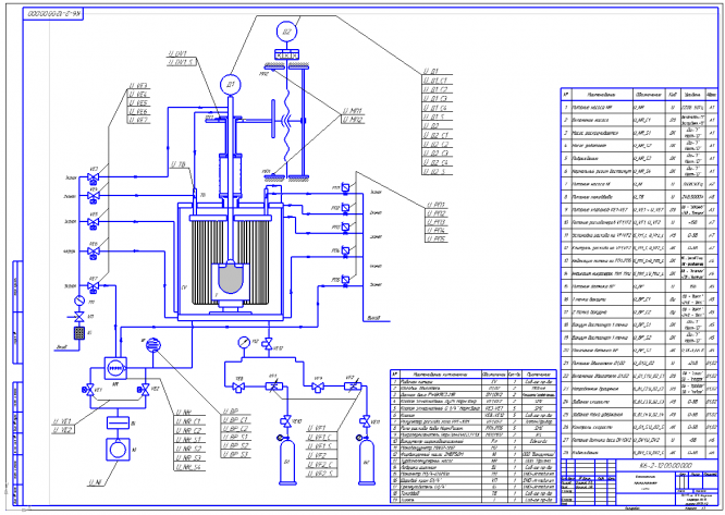
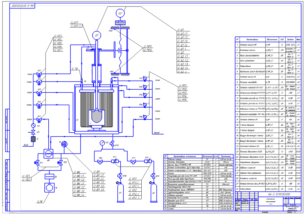
4. Описание комплексной принципиальной схемы.. 10
5. Техническое задание на элементы и узлы машины.. 11
6. Информационный поиск датчиков и исполнительных элементов САУ. 13
Список используемых материалов. 31
Автоматизация различного вида оборудования применяется широкомасштабно не только на производстве, но и для лабораторных исследований. И в том, и в другом случае автоматизация позволяет облегчить работу оператора, сделать процессы управления и контроля более удобными и наглядными, а также существенно повысить точность соблюдения параметров проведения технологических процессов.
При проектировании САУ необходимо внимательно изучить и продумать все возможные варианты применения САУ в данной конструкции с целью выбора оптимального из них по нескольким критериям: степень автоматизации, сложность изготовления и эксплуатации, цена. Также при проектировании следует использовать элементы и модули, которые впоследствии можно будет без особых проблем заменить и доработать. Это несколько удорожает систему в целом на первоначальном этапе, но вполне окупается в процессе эксплуатации, поскольку через несколько лет не придётся полностью заменять систему по причине её полного морального или физического старения.
Целью данного курсового проекта является овладение навыками, методами и средствами комплексных разработок механических и электронных компонентов оборудования САУ.
В задачи проекта входят:
1) распределение функций машины между различными компонентами и обоснование этих функций;
2) постановка четких технических заданий перед разработчиками отдельных компонентов;
3)выполнение технической документации на электронные компоненты.
Для упрощения работы оператора и повышения производительности и качества предложен вариант автоматизированной установки выращивания монокристаллов методом Кирополуса или Чохральского.
Курсовой проект выполнен в объеме 4-х листов А1 и расчетно-пояснительной записки. На первом листе приведены алгоритмы работы установки и таблица процессов. На втором и третьем листах - комплексная принципиальная схема установки : механика, энергообеспечение, системы автоматического и ручного управления. На четвертом листе – схема соединений блоков и электрическая схема блока управления клапанов. В расчетно-пояснительной записке приведены необходимые пояснения и расчеты, отражены принципы построения САУ установки, даны описания листов проекта.
Характеристики курсовой работы
Список файлов

Начать зарабатывать