Главная » Учебные материалы » Системы автоматического управления (САУ) (МТ-11) » Курсовые работы » МГТУ им. Н.Э.Баумана » 11 семестр (3 семестр магистратуры) » Ремонтный центр для поверхностно-монтируемых компонентов печатных плат с шариково-матричными выводами

Курсовая работа: Ремонтный центр для поверхностно-монтируемых компонентов печатных плат с шариково-матричными выводами

-11%

Описание

Этот курсовой проект по САУ был выполнен и защищён в 2006-м году

Проект курсовой


На тему: «Проектирование системы управления ремонтного центра

для поверхностно-монтируемых компонент печатных плат

с шариково-матричными выводами»


Расчетно-пояснительная записка


Москва 2006 г.


ЗАДАНИЕ

на курсовой проект по курсу «Основы проектирования систем автоматического управления оборудования электронных технологий».


Тема проекта: Ремонтный центр для поверхностно-монтируемых компонентов печатных плат с шариково-матричными выводами


1. Проработать описание работы установки, выбрать и обосновать состав ее основных целевых функций, сервисных функций, функций коррекции цели.

2. Разработать комплексную принципиальную схему, как совокупность системы целевых механизмов, системы их энергообеспечения и системы управления, связанных материальными, энергетическими и информационными потоками.

3. Описать механический, энергетический и информационный интерфейс компонентов машины. Дать техническое задание и техническое предложение на САУ и основные элементы машины.

4. Разработать принципиальную электрическую схему элемента САУ или САУ в целом.


Содержание графической части.

  1. Процессная модель установки..................................................1 л.
  2. Комплексная принципиальная схема....................................2 л.
  3. Принципиальная электрическая схема..................................1 л.


Содержание расчетно-пояснительной записки.

  1. Введение. Описание целевого, механического и энергетического интерфейса спроектированной технологической машины.
  2. Описание процессной модели. Выбор и обоснование целевых, сервисных функций, и функций коррекции цели.
  3. Техническое задание и техническое предложение на систему управления машины по приведенной в Приложении 1 форме.
  4. Описание комплексной принципиальной схемы ФС. Обоснование структурно-компоновочного решения, выбор и согласование уровней потоков элементов.
  5. Документы, сопровождающие комплексную принципиальную схему:
  6. перечень элементов ПЭ;
  7. перечень потоков и сигналов ПС;
  8. технические задания на основные подсистемы и узлы машины ТЗ.
  9. Информационный поиск датчиков и исполнительных элементов машины и ее САУ, описание целевого, механического, энергетического и информационного интерфейса этих элементов ОЭ.
  10. Расчет и описание принципиальной электрической схемы.
  11. Заключение.


Содержание


1. Реферат. 4

2. Введение. 5

3. Процессная модель. 6

3.1. Подготовка к работе. 6

3.2. Работа. 7

Процесс пайки (выпайки). 7

Процесс позиционирования. 11

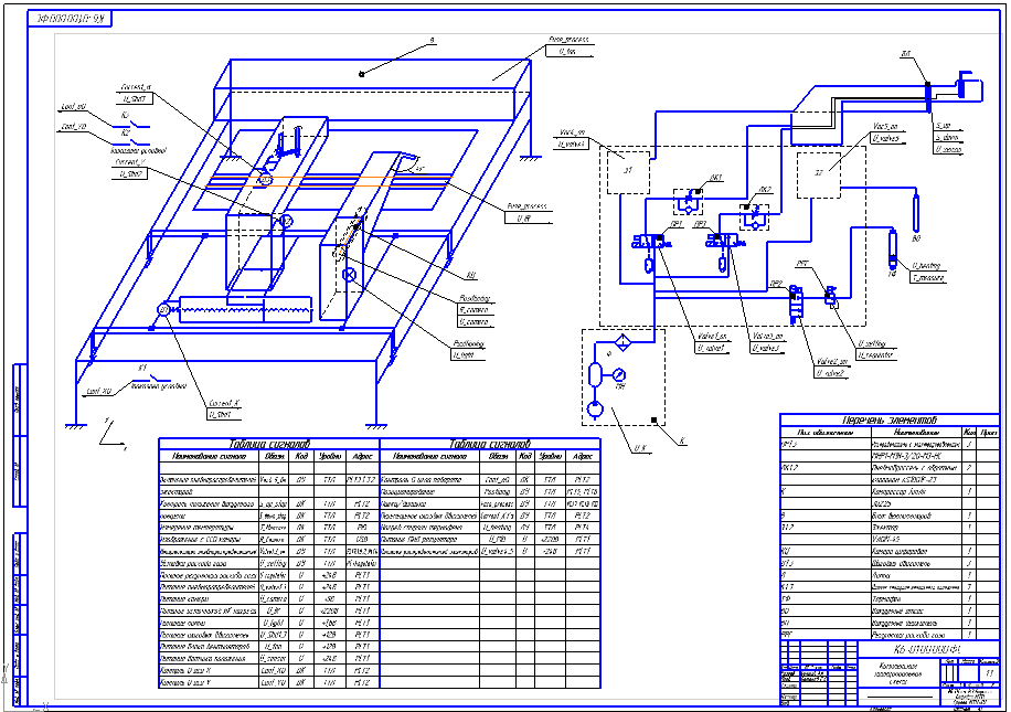
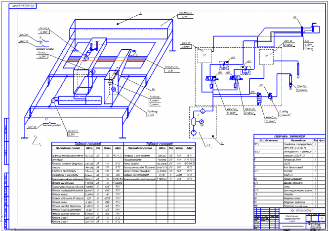
4. Комплексная принципиальная схема. 12

4.1. Рабочий стол и система автоматического визуального позиционирования. 12

4.2. Блок управления. 14

5. Технические параметры управляемых элементов. 15

5.1. Компрессор Jun-Air QF205.25. 15

5.2. Пневмораспределитель с электроуправлением MHP1-M1H-3/2O-M3-HC.. 15

5.3. Эжектор VADM-45. 16

5.4. Регулятор расхода газа Bronkhorst F112-AI/F-001AC. 17

5.5. Пневмодроссель с обратным клапаном SMC AS 1001F-4001F. 17

5.6. Цифровая камера SDU-285C.. 18

5.7. ПИД-регулятор МЕТАКОН-613-Т-ТСХ-1. 19

5.8. Согласующие реле G3R-I/0. 21

6. Блок питания. 22

7. Блок управления эжекторами. 22

8. Блок управления пневматикой. 23

9. Блок управления камерой. 23

10. Блок управления лампой. 23

11. Блок управления вентиляторами. 24

12. Блок управления ИК нагревателями. 24

13. Датчики контроля. 24

13.1 Датчики контроля начального положения. 24

14. Микроконтроллер MCS 51. 24

15. Расчет оптронной развязки. 26

16. Драйвер шаговых двигателей SLA7052М фирмы Allegro. 27

17. Плата преобразователь. 28

18. Заключение. 30

19. Список использованных источников. 31




В данном курсовом проекте рассмотрена система автоматизированного управления ремонтным центром для поверхностно-монтируемых компонентов печатных плат с шариково-матричными выводами.

Рассмотрены основные узлы САУ и проведено проектирование принципиальной электрической схемы.

Графическую часть проекта составляют 4 листа, выполненных в среде KOMPAS V. 7.0.

Расчетно–пояснительная записка составляет 32 листа выполненных в среде Microsoft Word XP.


Графическая часть курсового проекта содержит:

  • Процессную модель установки. Блок схему алгоритмов работы.
  • Комплексную принципиальную схему установки.
  • Таблицы сигналов и элементов.
  • Электрическую принципиальную схему.



2. Введение


Окончательную сборку микроэлектронных компонентов (дискретных приборов, твердотельных и гибридных интегральных схем) производят на печатных платах, представляющих собой диэлектрические подложки из стеклотекстолита или другого диэлектрика с нанесенным на них слоем медной фольги толщиной 9-50 мкм. Различают односторонние двухсторонние и многослойные печатные платы. Технологии их изготовления не сильно отличаются друг от друга т.к. односторонние и двухсторонние платы по своей сути являются частым случаем многослойных печатных плат, поэтому многослойным платам и технологии их изготовления и следует уделить наибольшее внимание. Минимальные размеры элементов на печатных платах - 100 мкм, в ближайшей перспективе — 25 и менее микрометров. Габариты печатных плат обычно составляют 200-400 миллиметров.

Основной тенденцией современной электронной техники является уменьшение основных размеров элементов, монтируемых на печатные платы. Это приводит к умень­шению размеров контактных площадок этих элементов, диаметров переходных отверстий, толщины проводников и т.д.


Проектируемая установка предназначена для качественной пайки компонентов с шариково-матричными выводами (в дальнейшем BGA-компоненты) и их позиционирования на поверхности печатной платы с помощью системы автоматического визуального позиционирования.

Обычные системы позиционирования основываются на технологии разделения полей. Совмещение полностью зависит от сложной калибровки оптических зеркал, а конечная установка происходит "вслепую". В разрабатываемом ремонтном центре установкой компонента от начала и до конца управляет камера. Таким образом, точность установки зависит только от разрешения камеры.

Процесс нагрева является комбинированным и состоит из двух частей: нагрева ПП снизу с помощью инфракрасного излучения. Это дает половину требуемой энергии и позволяет избежать коробления печатной платы. В тоже время сверху компонент обдувается потоком горячего воздуха.

Отработка термопрофиля при оплавлении возможно в двух режимах ручном и автоматическом. Ручной режим предназначен для коррекции (отладки, создания) термопрофиля с целью достижения наилучшего результата. Автоматический режим предназначен для качественной пайки с использованием отработанного термопрофиля с целью воспроизводимости технологического процесса. Также возможно задание термопрофиля из библиотеки расположенной в персональном компьютере.

Характеристики курсовой работы

Список файлов

Ремонтный центр для поверхностно-монтируемых компонентов печатных плат с шариково-матричными выводами
Задание.doc
Лист 1.cdw
Лист 2.CDW
Лист 3.cdw
Лист 4.cdw
Лист 5.cdw
Прочти меня.txt
РПЗ.doc
Спецификация.SPW
Картинка-подпись
Зарабатывай на студизбе! Просто выкладывай то, что так и так делаешь для своей учёбы: ДЗ, шпаргалки, решённые задачи и всё, что тебе пригодилось.
Начать зарабатывать

Комментарии

Нет комментариев
Стань первым, кто что-нибудь напишет!
Поделитесь ссылкой:
Цена: 1 200 1 069 руб.
Расширенная гарантия +3 недели гарантии, +10% цены
Рейтинг автора
4,79 из 5
Поделитесь ссылкой:
Сопутствующие материалы

Подобрали для Вас услуги

Вы можете использовать курсовую работу для примера, а также можете ссылаться на неё в своей работе. Авторство принадлежит автору работы, поэтому запрещено копировать текст из этой работы для любой публикации, в том числе в свою курсовую работу в учебном заведении, без правильно оформленной ссылки. Читайте как правильно публиковать ссылки в своей работе.
Свежие статьи
Популярно сейчас
Зачем заказывать выполнение своего задания, если оно уже было выполнено много много раз? Его можно просто купить или даже скачать бесплатно на СтудИзбе. Найдите нужный учебный материал у нас!
Ответы на популярные вопросы
Да! Наши авторы собирают и выкладывают те работы, которые сдаются в Вашем учебном заведении ежегодно и уже проверены преподавателями.
Да! У нас любой человек может выложить любую учебную работу и зарабатывать на её продажах! Но каждый учебный материал публикуется только после тщательной проверки администрацией.
Вернём деньги! А если быть более точными, то автору даётся немного времени на исправление, а если не исправит или выйдет время, то вернём деньги в полном объёме!
Да! На равне с готовыми студенческими работами у нас продаются услуги. Цены на услуги видны сразу, то есть Вам нужно только указать параметры и сразу можно оплачивать.
Отзывы студентов
Ставлю 10/10
Все нравится, очень удобный сайт, помогает в учебе. Кроме этого, можно заработать самому, выставляя готовые учебные материалы на продажу здесь. Рейтинги и отзывы на преподавателей очень помогают сориентироваться в начале нового семестра. Спасибо за такую функцию. Ставлю максимальную оценку.
Лучшая платформа для успешной сдачи сессии
Познакомился со СтудИзбой благодаря своему другу, очень нравится интерфейс, количество доступных файлов, цена, в общем, все прекрасно. Даже сам продаю какие-то свои работы.
Студизба ван лав ❤
Очень офигенный сайт для студентов. Много полезных учебных материалов. Пользуюсь студизбой с октября 2021 года. Серьёзных нареканий нет. Хотелось бы, что бы ввели подписочную модель и сделали материалы дешевле 300 рублей в рамках подписки бесплатными.
Отличный сайт
Лично меня всё устраивает - и покупка, и продажа; и цены, и возможность предпросмотра куска файла, и обилие бесплатных файлов (в подборках по авторам, читай, ВУЗам и факультетам). Есть определённые баги, но всё решаемо, да и администраторы реагируют в течение суток.
Маленький отзыв о большом помощнике!
Студизба спасает в те моменты, когда сроки горят, а работ накопилось достаточно. Довольно удобный сайт с простой навигацией и огромным количеством материалов.
Студ. Изба как крупнейший сборник работ для студентов
Тут дофига бывает всего полезного. Печально, что бывают предметы по которым даже одного бесплатного решения нет, но это скорее вопрос к студентам. В остальном всё здорово.
Спасательный островок
Если уже не успеваешь разобраться или застрял на каком-то задание поможет тебе быстро и недорого решить твою проблему.
Всё и так отлично
Всё очень удобно. Особенно круто, что есть система бонусов и можно выводить остатки денег. Очень много качественных бесплатных файлов.
Отзыв о системе "Студизба"
Отличная платформа для распространения работ, востребованных студентами. Хорошо налаженная и качественная работа сайта, огромная база заданий и аудитория.
Отличный помощник
Отличный сайт с кучей полезных файлов, позволяющий найти много методичек / учебников / отзывов о вузах и преподователях.
Отлично помогает студентам в любой момент для решения трудных и незамедлительных задач
Хотелось бы больше конкретной информации о преподавателях. А так в принципе хороший сайт, всегда им пользуюсь и ни разу не было желания прекратить. Хороший сайт для помощи студентам, удобный и приятный интерфейс. Из недостатков можно выделить только отсутствия небольшого количества файлов.
Спасибо за шикарный сайт
Великолепный сайт на котором студент за не большие деньги может найти помощь с дз, проектами курсовыми, лабораторными, а также узнать отзывы на преподавателей и бесплатно скачать пособия.
Популярные преподаватели
Добавляйте материалы
и зарабатывайте!
Продажи идут автоматически
7147
Авторов
на СтудИзбе
253
Средний доход
с одного платного файла
Обучение Подробнее