Курсовая работа: САУ установки травления и напыления тонких пленок в вакууме

-22%

Описание

Этот курсовой проект по САУ был выполнен и защищён в 2006-м году

Расчётно-пояснительная записка

к курсовому проекту по САУ на тему:


«Система автоматического управления установки травления и напыления тонких пленок в вакууме »



Содержание


1. Введение……………………………………………………………………........

2. Описание процессной модели. Выбор и обоснование целевых, сервисных функций, и функций коррекции цели……………………………………….……

3. Описание комплексной принципиальной схемы……………………………...

4. Технические задания на элементы и узлы машины…………………………...

5. Описание принципиальной электрической схемы…………………………….

6. Заключение………………………………………………………………….........

7. Список литературы………………………………………………………………


1. Введение


Автоматизация различного вида оборудования применяется широкомасштабно не только на производстве, но и для лабораторных исследований. И в том, и в другом случае автоматизация позволяет облегчить работу оператора, сделать процессы управления и контроля более удобными и наглядными, а также существенно повысить точность соблюдения параметров проведения технологических процессов.

При проектировании САУ необходимо внимательно изучить и продумать все возможные варианты применения САУ в данной конструкции с целью выбора оптимального из них по нескольким критериям: степень автоматизации, сложность изготовления и эксплуатации, цена. Также при проектировании следует использовать элементы и модули, которые впоследствии можно будет без особых проблем заменить и доработать. Это несколько удорожает систему в целом на первоначальном этапе, но вполне окупается в процессе эксплуатации, поскольку через несколько лет не придётся полностью заменять систему по причине её полного морального или физического старения.

Целью данного курсового проекта является овладение навыками, методами и средствами комплексных разработок механических и электронных компонентов оборудования САУ.

В задачи проекта входят:

  • распределение функций машины между различными компонентами и обоснование этих функций;
  • постановка четких технических заданий перед разработчиками отдельных компонентов;
  • выполнение технической документации на электронные компоненты.


Для упрощения работы оператора и повышения производительности и качества предложен вариант автоматизированной установки вместо существующей установки с ручным управлением.


Курсовой проект выполнен в объеме 4-х листов А3 и расчетно-пояснительной записки. На первом листе приведены алгоритмы работы установки и таблица процессов. На втором и третьем листах - комплексная принципиальная схема установки : механика, энергообеспечение, системы автоматического и ручного управления. На четвертом листе - принципиальная электрическая схема. В расчетно-пояснительной записке приведены необходимые пояснения и расчеты, отражены принципы построения САУ установки, даны описания листов проекта.




Назначение и описание установки для травления и нанесения покрытий

Данная установка предназначена для нанесения тонких пленок методом магнетронного распыления.

В состав установки входят следующие источники:

Магнетрон на постоянном токе;

Автономный источник ионов.





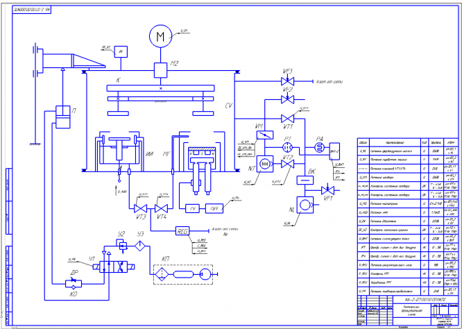
Установка для нанесения покрытий имеет технологическую (рабочую) камеру большого объёма. Значительный рабочий объём технологической камеры позволяет обрабатывать образцы больших размеров или обрабатывать несколько образцов одновременно, для чего внутри камеры установлена карусель, для передачи вращательного движения от двигателя к подложкодержателю. Для её поворота на крышке камеры установлены ввод. движения в вакуум с сальниковым уплотнением.


Вакуумная система установки состоит из высоковакуумного турбомолекулярного насоса ТМН-500 с азотной ловушкой и механического насоса 2НВР-5Д. На форвакуумной магистрали установлен электромагнитный клапан КВУМ-40, на байпасной – КВУМ-25. Турбомолекулярный насос отделён от камеры высоковакуумным затвором типа 23В9 250. Измерение давления в камере осуществляется при помощи двух манометрических преобразователей: термопарного ПМТ-2 и ионизационного ПМИ-2, данные которых обрабатываются вакуумметром ВИТ-2.

Для подачи в камеру рабочих газов (аргона, азота, циклогексана) установка оснащена газовой системой. Которая включает в себя натекатели и регулятор расхода газа РРГ-9.


Установка оснащена системой охлаждения, позволяющая охлаждать каждый элемент в отдельности.

Перед нанесением тонкопленочного покрытия подложки закрепляются на подложкодержатель внутри камеры установки. Затем производится предварительная откачка камеры до низкого давления, ионная очистка поверхности подложек, и дальнейшее формирование тонкопленочного покрытия. Давление в камере определяется обработкой сигналов IPT и IPA от вакуумметра ВИТ-2П. Сигналы с датчика через усилитель поступают в микроконтроллер и обрабатываются.




2. Описание процессной модели


В данном курсовом проекте разрабатывается процессная модель автоматического управления для установки травления и нанесения тонкопленочных покрытий в вакууме (см. лист «Процессная модель» ).


Деление технологии на процессы


В работе установки можно выделить следующие основные процессы:


  1. Загрузка
  2. Форвакуумная откачка
  3. Высоковакуумная откачка
  4. Технологический процесс:
    1. Очистка поверхности подложек ионным пучком
    2. Нанесение покрытия
  1. Завершение работы установки

На листе «Процессная модель» приведена подробная последовательность действий при проведении каждого из процессов.



  1. Загрузка образцов.

Процесс проводятся в ручном режиме, и носит подготовительный характер.

Критерий начала: свободна вакуумная камера, подложки очищены и готовы к нанесению пленки.

Критерий окончания: подложки установлены на подложкодержателе, вакуумная камера закрыта.

Ресурсы: подложкодержатель.


  1. Форвакуумная откачка.

Предназначена для создания условий для высоковакуумной откачки турбомолекулярным насосом. Откачка производится насосом 2НВР-5Д.

Критерий начала: клапан VT1 открыт

Критерий окончания: клапан VT1 закрыт

Ресурсы:

  • механический насос NL
  • электромагнитный клапан VT1
  • вакуумметр ВИТ-2
  • блоки энергоавтоматики БУ_Форвакуумным насосом, БП_VT

Характеристики курсовой работы

Список файлов

САУ установки травления и напыления тонких пленок в вакууме
Задание на проект.doc
Лист 1.cdw
Лист 2.cdw
Лист 3.cdw
Лист 4.cdw
Прочти меня.txt
РПЗ.doc
Картинка-подпись
Зарабатывай на студизбе! Просто выкладывай то, что так и так делаешь для своей учёбы: ДЗ, шпаргалки, решённые задачи и всё, что тебе пригодилось.
Начать зарабатывать

Комментарии

Нет комментариев
Стань первым, кто что-нибудь напишет!
Поделитесь ссылкой:
Цена: 1 200 939 руб.
Расширенная гарантия +3 недели гарантии, +10% цены
Рейтинг автора
4,79 из 5
Поделитесь ссылкой:
Сопутствующие материалы

Подобрали для Вас услуги

-55%
Вы можете использовать курсовую работу для примера, а также можете ссылаться на неё в своей работе. Авторство принадлежит автору работы, поэтому запрещено копировать текст из этой работы для любой публикации, в том числе в свою курсовую работу в учебном заведении, без правильно оформленной ссылки. Читайте как правильно публиковать ссылки в своей работе.
Свежие статьи
Популярно сейчас
Почему делать на заказ в разы дороже, чем купить готовую учебную работу на СтудИзбе? Наши учебные работы продаются каждый год, тогда как большинство заказов выполняются с нуля. Найдите подходящий учебный материал на СтудИзбе!
Ответы на популярные вопросы
Да! Наши авторы собирают и выкладывают те работы, которые сдаются в Вашем учебном заведении ежегодно и уже проверены преподавателями.
Да! У нас любой человек может выложить любую учебную работу и зарабатывать на её продажах! Но каждый учебный материал публикуется только после тщательной проверки администрацией.
Вернём деньги! А если быть более точными, то автору даётся немного времени на исправление, а если не исправит или выйдет время, то вернём деньги в полном объёме!
Да! На равне с готовыми студенческими работами у нас продаются услуги. Цены на услуги видны сразу, то есть Вам нужно только указать параметры и сразу можно оплачивать.
Отзывы студентов
Ставлю 10/10
Все нравится, очень удобный сайт, помогает в учебе. Кроме этого, можно заработать самому, выставляя готовые учебные материалы на продажу здесь. Рейтинги и отзывы на преподавателей очень помогают сориентироваться в начале нового семестра. Спасибо за такую функцию. Ставлю максимальную оценку.
Лучшая платформа для успешной сдачи сессии
Познакомился со СтудИзбой благодаря своему другу, очень нравится интерфейс, количество доступных файлов, цена, в общем, все прекрасно. Даже сам продаю какие-то свои работы.
Студизба ван лав ❤
Очень офигенный сайт для студентов. Много полезных учебных материалов. Пользуюсь студизбой с октября 2021 года. Серьёзных нареканий нет. Хотелось бы, что бы ввели подписочную модель и сделали материалы дешевле 300 рублей в рамках подписки бесплатными.
Отличный сайт
Лично меня всё устраивает - и покупка, и продажа; и цены, и возможность предпросмотра куска файла, и обилие бесплатных файлов (в подборках по авторам, читай, ВУЗам и факультетам). Есть определённые баги, но всё решаемо, да и администраторы реагируют в течение суток.
Маленький отзыв о большом помощнике!
Студизба спасает в те моменты, когда сроки горят, а работ накопилось достаточно. Довольно удобный сайт с простой навигацией и огромным количеством материалов.
Студ. Изба как крупнейший сборник работ для студентов
Тут дофига бывает всего полезного. Печально, что бывают предметы по которым даже одного бесплатного решения нет, но это скорее вопрос к студентам. В остальном всё здорово.
Спасательный островок
Если уже не успеваешь разобраться или застрял на каком-то задание поможет тебе быстро и недорого решить твою проблему.
Всё и так отлично
Всё очень удобно. Особенно круто, что есть система бонусов и можно выводить остатки денег. Очень много качественных бесплатных файлов.
Отзыв о системе "Студизба"
Отличная платформа для распространения работ, востребованных студентами. Хорошо налаженная и качественная работа сайта, огромная база заданий и аудитория.
Отличный помощник
Отличный сайт с кучей полезных файлов, позволяющий найти много методичек / учебников / отзывов о вузах и преподователях.
Отлично помогает студентам в любой момент для решения трудных и незамедлительных задач
Хотелось бы больше конкретной информации о преподавателях. А так в принципе хороший сайт, всегда им пользуюсь и ни разу не было желания прекратить. Хороший сайт для помощи студентам, удобный и приятный интерфейс. Из недостатков можно выделить только отсутствия небольшого количества файлов.
Спасибо за шикарный сайт
Великолепный сайт на котором студент за не большие деньги может найти помощь с дз, проектами курсовыми, лабораторными, а также узнать отзывы на преподавателей и бесплатно скачать пособия.
Популярные преподаватели
Добавляйте материалы
и зарабатывайте!
Продажи идут автоматически
7189
Авторов
на СтудИзбе
250
Средний доход
с одного платного файла
Обучение Подробнее